TO-220F封裝是全塑封裝,上到散熱器上不必加絕緣墊。TO-220帶金屬片與中間腳相連的,如裝散熱器的話要加絕緣墊。
TO-220與TO-220F封裝的區別
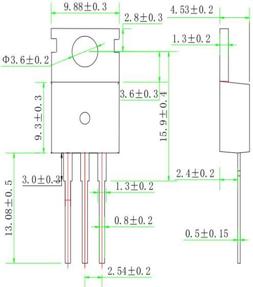
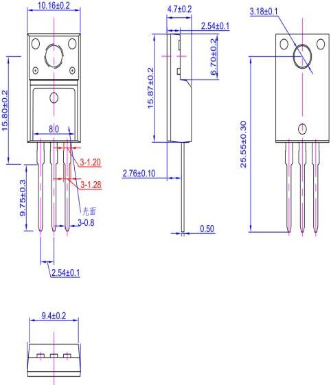
(一)TO-220與TO-220F外觀及封裝尺寸的區別


TO-220


TO-220F
(二)TO-220與TO-220F封裝性能比較與區別
TO-220、TO-220F封裝:TO-220F是全塑封裝,裝到散熱器上時不必加絕緣墊;TO-220帶金屬片與中間腳相連,裝散熱器時要加絕緣墊。這兩種封裝樣式的MOS管外觀差不多,可以互換使用。
在電子元器件采購的很多時候,由于度 TO-220 .TO-220F 的不了解,性能無從的得知,其之間的區別也無法分清楚,很多時候就因為這樣發生一些小麻煩。下面我們就來講講TO-220 與 TO-220F,從而讓的大家了解并便于選購。
TO-220和TO-220F封裝兩個封裝的Pd不同,源于兩種封裝的Rjc不同所致,Tj一般是到150℃,認為Tj=Tc+Pd*Rjc,其中,Tc是離晶圓最近的結構外殼的溫度,Pd是MOSFET上承載的功耗,Rjc是Juction to case的熱阻。
TO-220F封裝選型表大全
Part Numbe |
ID(A) |
VDSS(v) |
RDS(Ω)(MAX) |
RDS(Ω)(TYP) |
ciss |
pF |
|||||
2N60H |
2 |
600 |
5 |
4.1 |
200 |
3N80H |
3 |
800 |
4.8 |
4 |
543 |
4360A |
4 |
600 |
2.3 |
1.9 |
511 |
4N60H |
4 |
600 |
2.7 |
2.3 |
500 |
4365A |
4 |
650 |
2.5 |
2 |
523 |
4N65H |
4 |
650 |
3 |
2.5 |
508 |
5N60E |
4.5 |
600 |
2.5 |
2 |
780 |
730H |
6 |
400 |
1 |
0.83 |
520 |
7N60H |
7 |
600 |
1.2 |
1 |
900 |
7N60U |
7 |
600 |
1.4 |
1.15 |
1020 |
4665A |
7.5 |
650 |
1.4 |
1.1 |
970 |
7N65H |
7 |
650 |
1.4 |
1.2 |
1000 |
7N80H |
7 |
800 |
1.9 |
1.4 |
1300 |
8N60H |
7.5 |
600 |
1.2 |
0.98 |
1000 |
9N90S |
9 |
900 |
1.4 |
1.05 |
2780 |
10N60H |
9.5 |
600 |
0.73 |
0.6 |
1570 |
10N65H |
10 |
650 |
0.75 |
0.65 |
1650 |
10N80H |
10 |
800 |
1.1 |
0.85 |
2230 |
12N60H |
12 |
600 |
0.65 |
0.53 |
1850 |
12N65H |
12 |
650 |
0.75 |
0.63 |
1850 |
13N50H |
13 |
500 |
0.48 |
0.4 |
1600 |
6650A |
15 |
500 |
0.45 |
0.33 |
2148 |
16N50H |
16 |
500 |
0.38 |
0.32 |
2200 |
18N50H |
18 |
500 |
0.32 |
0.25 |
2500 |
20N50H |
20 |
500 |
0.26 |
0.21 |
2700 |