TO-220與TO-220F的區別下文將會講到,現在了解一下TO-220與TO220F是什么?TO-220封裝外形( Transistor Outline Package)是一種大功率晶體管、中小規模集成電路等常采用的一種直插式的封裝形式。其中,TO英文是 Transistor Outline的縮寫。通常,TO-220為單排直插,一般可以引出3個、5個或7個腳。標準的TO-220封裝外形(七個引腳)。
TO-220F
TO-220與TO-202F外型基本相同,都是2.54mm腳距的3腳單列直插封裝。TO-220F是全塑封裝,上到散熱器上不必加絕緣墊。TO-220帶金屬片與中間腳相連的,如裝散熱器的話要加絕緣墊。
TO-220與TO-220F的區別
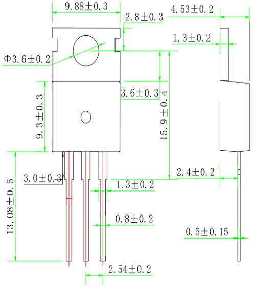
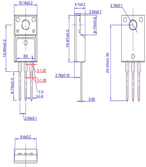
(一)TO-220與TO-220F外觀及封裝尺寸的區別


TO-220


TO-220F
(二)TO-220與TO-220F性能比較與區別
TO-220、TO-220F:TO-220F是全塑封裝,裝到散熱器上時不必加絕緣墊;TO-220帶金屬片與中間腳相連,裝散熱器時要加絕緣墊。這兩種封裝樣式的MOS管外觀差不多,可以互換使用。
在電子元器件采購的很多時候,由于度 TO-220 .TO-220F 的不了解,性能無從的得知,其之間的區別也無法分清楚,很多時候就因為這樣發生一些小麻煩。下面我們就來講講TO-220 與 TO-220F,從而讓的大家了解并便于選購。
TO-220和TO-220F兩個封裝的Pd不同,源于兩種封裝的Rjc不同所致,Tj一般是到150℃,認為Tj=Tc+Pd*Rjc,其中,Tc是離晶圓最近的結構外殼的溫度,Pd是MOSFET上承載的功耗,Rjc是Juction to case的熱阻。
為什么要分這兩種封裝呢?
很重要的一個原因是散熱TO-220的封裝后面是一塊鐵片,總所皆知,鐵的導熱性是非常好,可以有效的解決散熱的問題。
那么就有人會問了,TO-220F 是全塑封的,那豈不是起不到散熱的作用了?
答案肯定是不會的啦,在通風條件良好的情況下使用,就要考慮到一個絕緣性的問題了。 TO-220F 全塑料包裹,使產品的緣性大大提升,也會因空氣潮濕而發生漏電現象。簡單來說,TO-220的Rjc小于TO-220的Rjc,TO-220封裝的散熱優于TO-220F封裝的散熱,220F的絕緣好些,220的效率相對來講會稍大點,但是差異并不是特別明顯。
烜芯微專業制造二三極管,MOS管,20年,工廠直銷省20%,1500家電路電器生產企業選用,專業的工程師幫您穩定好每一批產品,如果您有遇到什么需要幫助解決的,可以點擊右邊的工程師,或者點擊銷售經理給您精準的報價以及產品介紹
烜芯微專業制造二三極管,MOS管,20年,工廠直銷省20%,1500家電路電器生產企業選用,專業的工程師幫您穩定好每一批產品,如果您有遇到什么需要幫助解決的,可以點擊右邊的工程師,或者點擊銷售經理給您精準的報價以及產品介紹