圖3-26所示是一種超小型收音機電路,它采用兩只晶體管,這種電路具有較高的靈敏度。
該電路中,電池作為直流電源通過負載電阻器R1為場效應管漏極提供偏置電壓,使其工作在放大狀態。由外接天線接收天空中的各種信號,交流信號通過C1,進入LC諧振電路。LC諧振電路是由磁棒線圈和電容器組成的,諧振電路選頻后,經C4耦合至場效應管VT的柵極,與柵極負偏壓疊加,加到場效應管柵極上,使場效應管的漏極電流ID相應變化,并在負載電阻器R1上產生壓降,經C5隔離直流后輸出,在輸出端即得到放大了的信號電壓。放大后的信號送入三極管的基極,由三極管放大后輸出較純凈的音頻信號送到耳機。


圖3-27所示是FM收音機調諧電路,它是由高頻放大器VT1、混頻器VT3和本機振蕩器VT2等部分構成的。天線感應的FM調頻廣播信號,經輸入變壓器L1加到VT1晶體管的柵極,VT1為高頻放大器主要器件,它將FM高頻信號放大后經變壓器L2加到混頻電路VT3的柵極,VT2和LC諧振電路構成本機振蕩器,振蕩信號由振蕩變壓器的次級送往混頻電路VT3的源極。混頻電路VT3由漏極輸出,經中頻變壓器IFT(L4)輸出10.7MHz中頻信號。


(二)場效應管放大電路圖
與雙極型晶體管一樣,場效AM29LV017D-70EC應管也有三種基本接法:共源、共漏和共柵極接法,其中,共源相當于共發射極接法;共漏相當于共集電極接法;共柵相當于共基極接法。
共源極電路,如圖4-19(a)所示,相當于雙極晶體管的共發射極電路。當交流信號Ui經C,加到柵一源極時,使柵極偏壓隨信號而變,于是控制了ID的變化,在RL上產生壓降,通過C2將放大了的信號電壓輸出。


如果用Rc;表示場效應管的柵極偏置電阻,用R喁表示場效應管的柵一源間電阻,則共源電路的輸入電阻R,=Rc//Rcs≈Rc(因Rcs》Rc)。
如果用rDS來表示場效應管的漏一源間電阻,用RL來表示共源電路的負載電阻,則共源電路的輸出電阻R。=RDS//RL~RL(因RDS》RL)。
共源電路的電壓放大倍數:K一-gmRL,式中,gm為場效應管的跨導,相當于晶體管的放大系數口,RL為負載電阻。
由于共源極電路輸入電阻高,電壓增益大,故應用最廣,但它的截止頻率較低,在高頻工作時受到一些限制。
共漏極電路,如圖4-19(b)所示,與晶體管共集電路相似。同共源極電路一樣,其輸入電阻也取決于外加偏置電阻,即R,=Ri∥R2,電壓放大倍數K≈1,且輸入、輸出電壓同相,故也叫傲源極跟隨器。由于這種電路輸入電阻高、輸出電阻低,且有良好的電壓跟隨特性,因而常用作緩沖放大器,起到隔離、阻抗變換的作用。
共柵極電路,如圖4-19(c)所示,它與晶體管共基電路相近。其輸入電阻極低(Ri≈l/gm),輸出電阻較高R。≈R。,有良好的電壓放大特性,因而常用于高頻電壓放大。
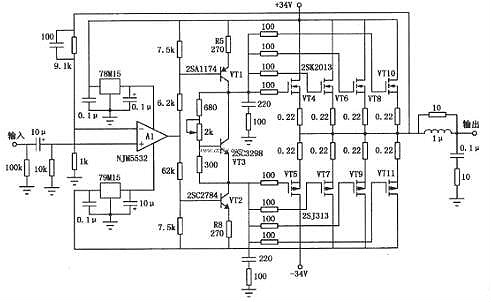
(三)場效應管放大電路圖-場效應管50W音頻功率放大電路


(四)場效應管放大電路圖-場效應管為基本元件放大器的電路結構
場效應管單管甲類前級放大器見圖1。Tn源極電位實測為0.5V,漏極電位為5.0V,漏極電流IDSS等于1.25mA。根據2SK30AMT出廠說明書載明的相關內容,該工作點的線性最好。


該級放大器放大倍數依據公式Au=-gmRf3計算,式中gm——場效應管的跨導。2SK30AMT在VDs=10V,VGS=0V時的最小跨導gm=1.2ms。那么該級放大器放大倍數為6.72。音量調節通過進階開關加11個固定電阻進行,每個電阻10k。這樣做的好處是既經濟,質量又好。音量調節實為10級,聽音效果十分理想。
第二級放大電路作源極輸出器,旨在匹配電路,提高前級的負載能力,放大倍數近似為1。靜態工作點仍然十分重要,Tf2源極電位實測為5.5V,位于電源電壓的中值附近,很好。在該級上,同樣可算出漏極電流2.75mA,也要滿足甲類放大器對靜態的要求。隔直電容C17,C18對音質的好壞影響較大,選用進口名牌WIMA電容。后級放大電路仍采用推挽式、甲乙類放大器對稱放大電路所用元件要檢測其靜態特性。功率放大電路如圖2所示。


以Tm1和Tm3為例,其檢測參數主要是IDDS,即當VGS=0時的漏極電流。在VGS=0時,測出IDDS,其值相近為宜。同樣地,Tm2和Tm4也要與Tm1或Tm3靜態值相差無幾,或相近。只有這4個場效應管靜態值大致相同,才有可能做出優質的放大器來。成批生產的放大器價格很高,正是這些電路中使用的元件匹配困難,造成制造成本高,制約了該技術的推廣應用。
場效應管放大電路的識圖方法
場效應管放大電路的基本結構
場效應管與晶體管一樣,也具有放大作用,但與普通晶體管是電流控制型器件相反,場效應管是電壓控制型器件。它具有輸入阻抗高、噪聲低的特點。
場效應管的3個電極,即柵極、源極和漏極分別相當于晶體管的基極、發射極和集電極。圖5-21所示是場效應管的3種組態電路,即共源極、共漏極和共柵極放大器。圖5-21(a)所示是共源極放大器,它相當于晶體管共發射極放大器,是一種最常用的電路。圖5-21(b)所示是共漏極放大器,相當于晶體管共集電極放大器,輸入信號從漏極與柵極之間輸入,輸出信號從源極與漏極之間輸出,這種電路又稱為源極輸出器或源極跟隨器。圖5-21(c)所示是共柵極放大器,它相當于晶體管共基極放大器,輸入信號從柵極與源極之間輸入,輸出信號從漏極與柵極之間輸出,這種放大器的高頻特性比較好。


場效應管放大電路的偏置方法
(1)固定式偏置電路
在場效應管放大器中,有時需要外加柵極直流偏置電源,這種方式被稱為固定式偏置電路,如圖5-22所示。


C1和C2分別是輸入端耦合電容和輸出端耦合電容。+UCC通過漏極負載電阻R2加到VT的漏極,VT的源極接地。-UCC是柵極專用偏置直流電源,為負極性電源,它通過柵極偏置電阻R1加到VT1的柵極,使柵極電壓低于源極電壓,這樣就建立了VT的正常偏置電壓。
在電路中,輸入信號Ui經C1耦合至場效應管VT的柵極,與原來的柵極負偏壓疊加。場效應管受到柵極的作用,其漏極電流I2相應變化,并在負載電阻R2上產生壓降,經C2隔離直流后輸出,在輸出端即得到放大了的信號電壓Uo。I2與Ui同相,Uo與Ui反相。
這種偏置電路的優點是VT的工作點可以任意選擇,不受其他因素的制約,也充分利用了漏極直流電源+UCC,所以可以用于低壓供電放大器。其缺點是需要兩個直流電源。
自給偏壓共源極放大電路
圖5-23所示是典型的自給偏壓共源極放大電路。圖中C1和C2分別是輸入、輸出耦合電容,起通交流、隔直流的作用;+UCC為漏極直流電壓源,為放大電路提供能源;RD是漏極電阻,它能把漏極電流的變化轉變為電壓的變化,以便輸出信號電壓;RS是源極電阻,其作用是產生一個源極到地的電壓降,以提供源極偏壓,建立靜態偏置,同時具有電流負反饋的作用;CS是源極旁路電容,給源極交流信號提供一條通路,以免交流信號在RS上產生負反饋。
由于場效應管在漏極電流較大時,具有溫度上升、漏極電流就減小的特點,因而熱穩定性好,故源極僅需設置自偏壓電路就十分穩定了。
“自給偏壓”指的是由場效應管自身的電流產生偏置電壓。N溝道結型場效應管正常工作時,柵極、源極之間需要加一個負偏置電壓,這一點與晶體管的發射結需要正偏置電壓是相反的。為了使柵極、源極之間獲得所需負偏壓,設置了自生偏壓電阻RS。當源極電流流過RS時,將會在RS兩端產生上正下負的電壓降US。由于柵極通過RG接地,所以柵極為零電位。這樣,RS產生的US就能使柵極、源極之間獲得所需的負偏壓UGS,這就是自給偏壓共源極放大電路的工作原理。
分壓式自偏壓電路
圖5-24所示為分壓式自偏壓電路,又稱柵極接正電位偏置電路。它是在自給偏壓共源極放大電路的基礎上,加上分壓電阻Rf1和Rf2構成的。


圖中,電源+UDD、輸入耦合電容C1、輸出耦合電容C2、漏極電阻RD、源極電阻RS、源極旁路電容CS的作用均與自給偏壓共源極放大電路相同。Rf1和Rf2是分壓偏置電阻,Rf1與Rf2的接點通過大電阻RG與場效應管的柵極相連。由于柵極絕緣無電流,所以Rf1與Rf2的分壓點A與場效應管的柵極同電位。由于該電路既有“分壓偏置”又有“自給偏置”,所以又稱為組合偏置電路。這種偏置電路既可用于耗盡型場效應管,也可用于增強型場效應管。
場效應管放大電路的工作原理
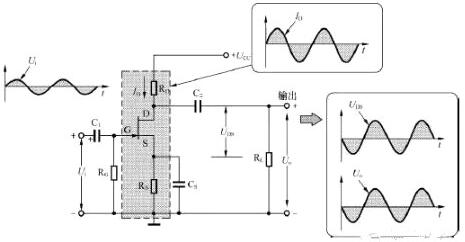
(1)源極接地放大器
源極接地放大器是場效應管放大器最重要的電路形式,其工作原理如圖5-25所示。圖中,交流輸入電壓Ui在1/4周期內處于增大的趨勢,因此在這段時間內漏極電流ID增大。ID的增大使負載上的壓降增大,UDS就下降;當Ui在2/4周期內時,處于減小狀態,UGS增大,ID則減小,而ID的減小使負載上的壓降減小,UDS就上升。以此類推,其輸入與輸出信號的波形如圖中所示。Ui和ID的相位相同,與輸出信號電壓UDS的相位相反。


(2)柵極接地放大器
柵極接地放大器適用于高頻寬帶放大器,其基本連接方式如圖5-26所示。
(3)漏極接地放大器
漏極接地放大器也稱為源極跟隨器或源極輸出器,相當于雙極型晶體管的集電極接地電路。圖5-27為其基本連接圖。源極跟隨器最主要的特點是輸出阻抗低。由于場效應管的輸入阻抗非常高,也就是輸入電流極小,它常用于收音機電路中作為微弱信號的放大器。
① 源極接地放大器與射極跟隨器(共集電極晶體管放大器)的組合。
如圖5-28所示,VT1為源極接地場效應管放大器,VT2為共集電極晶體管放大器。若電路中沒有設置VT2,而是將數千歐的負載RL直接作為VT1的負載,其電壓增益就相當小。通過源極接地放大器與低輸出阻抗的射極跟隨器進行組合,就可獲得較高的電壓增益,這是該電路的主要特征。


② 源極接地放大器與共發射極放大器的組合。
共發射極放大器的輸入阻抗在103Ω的范圍內,很難由場效應管直接驅動,但是,若通過一級射極跟隨器,將其作為圖5-25中的負載RL接在共發射極放大器之前,就很容易驅動了,如圖5-29所示。該電路在輸出級的前面加入了一級射極跟隨器,以獲得大電流增益,這是典型的低輸出阻抗實例。


③ 將源極接地放大器與共基極放大器組合成級聯式放大器。
圖5-30所示是將場效應管的低噪聲性與共基極放大器對高頻放大的適應性相結合而產生的級聯式放大器,常作為寬頻帶低噪聲的前置放大器。
烜芯微專業制造二三極管,MOS管,20年,工廠直銷省20%,1500家電路電器生產企業選用,專業的工程師幫您穩定好每一批產品,如果您有遇到什么需要幫助解決的,可以點擊右邊的工程師,或者點擊銷售經理給您精準的報價以及產品介紹
烜芯微專業制造二三極管,MOS管,20年,工廠直銷省20%,1500家電路電器生產企業選用,專業的工程師幫您穩定好每一批產品,如果您有遇到什么需要幫助解決的,可以點擊右邊的工程師,或者點擊銷售經理給您精準的報價以及產品介紹