MOSFET廣泛使用在模擬電路與數字電路中,和我們的生活密不可分。MOSFET的優勢在于:首先驅動場效應管應用電路電路比較簡單。MOSFET需要的驅動電流比 BJT則小得多,而且通常可以直接由CMOS或者集電極開路TTL驅動電路驅動;其次MOSFET的開關速度比較迅速,能夠以較高的速度工作,因為沒有電荷存儲效應;另外MOSFET沒有二次擊穿失效機理,它在溫度越高時往往耐力越強,而且發生熱擊穿的可能性越低,還可以在較寬的溫度范圍內提供較好的性 能。MOSFET已經得到了大量應用,在消費電子、工業產品、機電設備、智能手機以及其他便攜式數碼電子產品中隨處可見。
近年來,隨著汽車、通信、能源、消費、綠色工業等大量應用MOSFET產品的行業在近幾年來得到了快速的發展,功率MOSFET更是備受關注。據預測,2010-2015年中國功率MOSFET市場的總體復合年度增長率將達到13.7%。雖然市場研究公司 iSuppli 表示由于宏觀的投資和經濟政策和日本地震帶來的晶圓與原材料供應問題,今年的功率MOSFET市場會放緩,但消費電子和數據處理的需求依然旺盛,因此長期來看,功率MOSFET的增長還是會持續一段相當長的時間。
技術一直在進步,功率MOSFET市場逐漸受到了新技術的挑戰。例如,業內有不少公司已經開始研發GaN功率器件,并且斷言硅功率MOSFET的性能可提 升的空間已經非常有限。不過,GaN 對功率MOSFET市場的挑戰還處于非常初期的階段,MOSFET在技術成熟度、供應量等方面仍然占據明顯的優勢,經過三十多年的發展,MOSFET市場 也不會輕易被新技術迅速替代。
五年甚至更長的時間內,MOSFET仍會占據主導的位置。MOSFET也仍將是眾多剛入行的工程師都會接觸到的器件,本期半月談將會從基礎開始,探討MOSFET的一些基礎知識,包括選型、關鍵參數的介紹、系統和散熱的考慮等等;
MOSFET的選型基礎
MOSFET有兩大類型:N溝道和P溝道。在功率系統中,MOSFET可被看成電氣開關。當在N溝道MOSFET的柵極和源極間加上正電壓時,其開關導 通。導通時,電流可經開關從漏極流向源極。漏極和源極之間存在一個內阻,稱為導通電阻RDS(ON)。必須清楚MOSFET的柵極是個高阻抗端,因此,總 是要在柵極加上一個電壓。如果柵極為懸空,器件將不能按設計意圖工作,并可能在不恰當的時刻導通或關閉,導致系統產生潛在的功率損耗。當源極和柵極間的電 壓為零時,開關關閉,而電流停止通過器件。雖然這時器件已經關閉,但仍然有微小電流存在,這稱之為漏電流,即IDSS。
作為電氣系統中的基本部件,工程師如何根據參數做出正確選擇呢?本文將討論如何通過四步來選擇正確的MOSFET。
1)溝道的選擇
為設計選擇正確器件的第一步是決定采用N溝道還是P溝道MOSFET.在典型的功率場效應管應用電路應用中,當一個MOSFET接地,而負載連接到干線電 壓上時,該MOSFET就構成了低壓側開關。在低壓側開關中,應采用N溝道MOSFET,這是出于對關閉或導通器件所需電壓的考慮。當MOSFET連接到 總線及負載接地時,就要用高壓側開關。通常會在這個拓撲中采用P溝道MOSFET,這也是出于對電壓驅動的考慮。
2)電壓和電流的選擇
額定電壓越大,器件的成本就越高。根據實踐經驗,額定電壓應當大于干線電壓或總線電壓。這樣才能提供足夠的保護,使MOSFET不 會失效。就選擇MOSFET而言,必須確定漏極至源極間可能承受的最大電壓,即最大VDS.設計工程師需要考慮的其他安全因素包括由開關電子設備(如電機 或變壓器)誘發的電壓瞬變。不同應用的額定電壓也有所不同;通常,便攜式設備為20V、FPGA電源為20~30V、85~220VAC應用為450~600V。
在連續導通模式下,MOSFET處于穩態,此時電流連續通過器件。脈沖尖峰是指有大量電涌(或尖峰電流)流過器件。一旦確定了這些條件下的最大電流,只需直接選擇能承受這個最大電流的器件便可。
3)計算導通損耗
MOSFET器件的功率耗損可由Iload2×RDS(ON)計算,由于導通電阻隨溫度變化,因此功率耗損也會隨之按比例變化。對便攜 式設計來說,采用較低的電壓比較容易(較為普遍),而對于工業設計,可采用較高的電壓。注意RDS(ON)電阻會隨著電流輕微上升。關于RDS(ON)電 阻的各種電氣參數變化可在制造商提供的技術資料表中查到。
4)計算系統的散熱要求
設計人員必須考慮兩種不同的情況,即最壞情況和真實情況。建議采用針對最壞情況的計算結果,因為這個結果提供更大的安全余量,能 確保系統不會失效。在MOSFET的資料表上還有一些需要注意的測量數據;比如封裝器件的半導體結與環境之間的熱阻,以及最大的結溫。
開關損耗其實也是一個很重要的指標。從下圖可以看到,導通瞬間的電壓電流乘積相當大。一定程度上決定了器件的開關性能。不過,如果系統對開關性能要求比較高,可以選擇柵極電荷QG比較小的功率MOSFET。


場效應管應用案例解析
1. 開關電源應用
從定義上而言,這種場效應管應用電路應用需要MOSFET定期導通和關斷。同時,有數十種拓撲可用于開關電源,這里考慮一個簡單的例子。DC-DC電源中常用的基本降壓轉換器依靠兩個MOSFET來執行開關功能(下圖),這些開關交替在電感里存儲能量,然后把能量開釋給負載。目前,設計職員經常選擇數百kHz乃至1 MHz以上的頻率,由于頻率越高,磁性元件可以更小更輕。開關電源中第二重要的MOSFET參數包括輸出電容、閾值電壓、柵極阻抗和雪崩能量。


2.馬達控制應用
馬達控制應用是功率MOSFET大有用武之地的另一個應用領域。典型的半橋式控制場效應管應用電路電路采用2個MOSFET (全橋式則采用4個),但這兩個MOSFET的關斷時間(死區時間)相等。對于這類應用,反向恢復時間(trr)非常重要。在控制電感式負載(比如馬達繞組)時,控制電路把橋式電路中的MOSFET切換到關斷狀態,此時橋式電路中的另一個開關經過MOSFET中的體二極管臨時反向傳導電流。于是,電流重新循環,繼續為馬達供電。當第一個MOSFET再次導通時,另一個MOSFET二極管中存儲的電荷必須被移除,通過第一個MOSFET放電,而這是一種能量的損耗,故trr 越短,這種損耗越小。
3.汽車應用
過去的近20年里,汽車用功率MOSFET已經得到了長足發展。選用功率MOSFET是因為其能夠耐受汽車電子系統中常遇到的掉載和系統能量突變等引起的 瞬態高壓現象,且其封裝簡單,主要采用TO220 和 TO247封裝。同時,電動車窗、燃油噴射、間歇式雨刷和巡航控制等應用已逐漸成為大多數汽車的標配,在設計中需要類似的功率器件。在這期間,隨著電機、 螺線管和燃油噴射器日益普及,車用功率MOSFET也不斷發展壯大。
汽車設備中所用的MOSFET器件涉及廣泛的電壓、電流和導通電阻范圍。電機控制設備橋接配置會使用30V和40V擊穿電壓型號;而在必須控制負載突卸和 突升啟動情況的場合,會使用60V裝置驅動負載;當行業標準轉移至42V電池系統時,則需采用75V技術。高輔助電壓的設備需要使用100V至150V型款;至于400V以上的MOSFET器件則場效應管應用電路應用于發動機驅動器機組和高亮度放電(HID)前燈的控制場效應管應用電路電路。
汽車MOSFET驅動電流的范圍由2A至100A以上,導通電阻的范圍為2mΩ至100mΩ。MOSFET的負載包括電機、閥門、燈、加熱部件、電容性壓電組件和DC/DC電源。開關頻率的范圍通常為10kHz 至100kHz,必須注意的是,電機控制不適用開關頻率在20kHz以上。其它的主要需求是UIS性能,結點溫度極限下(-40度至175度,有時高達200度)的工作狀況,以及超越汽車使用壽命的高可靠性。
4. LED 燈具的驅動
設計LED燈具的時候經常要使用MOS管,對LED恒流驅動而言,一般使用NMOS.功率MOSFET和雙極型晶體管不同,它的柵極電容比較大,在導通之前要先對該電容充電,當電容電壓超過閾值電壓(VGS-TH)時MOSFET才開始導通。因此,設計時必須注意柵極驅動器負載能力必須足夠大,以保證在系統要求的時間內完成對等效柵極電容(CEI)的充電。
而MOSFET的開關速度和其輸入電容的充放電有很大關系。使用者雖然無法降低Cin的值,但可以降低柵極驅動回路信號源內阻Rs的值,從而減小柵極回路 的充放電時間常數,加快開關速度一般IC驅動能力主要體現在這里,我們談選擇MOSFET是指外置MOSFET驅動恒流IC。內置MOSFET的IC當然 不用我們再考慮了,一般大于1A電流會考慮外置MOSFET。為了獲得到更大、更靈活的LED功率能力,外置MOSFET是唯一的選擇方式,IC需要合適 的驅動能力,MOSFET輸入電容是關鍵的參數。下圖Cgd和Cgs是MOSFET等效結電容。


一般IC的PWM OUT輸出內部集成了限流電阻,具體數值大小同IC的峰值驅動輸出能力有關,可以近似認為R=Vcc/Ipeak.一般結合IC驅動能力 Rg選擇在10-20Ω左右。
一般的場效應管應用電路應用中IC的驅動可以直接驅動MOSFET,但是考慮到通常驅動走線不是直線,感量可能會更大,并且為了防止外部干擾,還是要使用Rg驅動電阻進行抑制。考慮到走線分布電容的影響,這個電阻要盡量靠近MOSFET的柵極。


以上討論的是MOSFET ON狀態時電阻的選擇,在MOSFET OFF狀態時為了保證柵極電荷快速瀉放,此時阻值要盡量小。通常為了保證快速瀉放,在Rg上可以并聯一個二極管。當瀉放電阻過小,由于走線電感的原因也會引起諧振(因此有些應用中也會在這個二極管上串一個小電阻),但是由于二極管的反向電流不導通,此時Rg又參與反向諧振回路,因此可以抑制反向諧振的尖峰。
估算導通損耗、輸出的要求和結區溫度的時候,就可以參考前文所指出的方法。
場效應管應用原理描述
MOSFET全稱為Metal-Oxide-Semiconductor Field Effect Transistor,中文名稱為金屬-氧化物-半導體場效應管。隨著制造工藝的成熟,MOSFET兼有體積小、重量輕、耗電省、壽命長等特點。而且MOSFET還有輸入阻抗高、噪聲低、熱穩定性好、抗輻射能力強等優點,因而獲得了廣泛的應用,特別是在大規模和超大規模集成場效應管應用電路電路中占有重要的地位。
作為一種場效應管(FET),MOSFET為單極型器件,即管子只有一種載流子(電子或空穴)導電。從導電載流子的帶電極性來看,MOSFET有N(電子型)溝道和P(空穴型)溝道之分;按照導電溝道形成機理不同,又有增強型(E型)和耗盡型(D型)的區別。忽略MOSFET的工作原理,不同類型的管子特性比較如表3所示。


表各種MOSFET的特性比較
由表3中可知,在MOSFET中,N溝道增強型的轉移特性有正的開啟電壓 ,P溝道增強型則為負的;N溝道耗盡型的轉移特性有負的夾斷電壓 ,P溝道耗盡型則為正的。MOSFET的輸出特性曲線與BJT的類似,不同的是輸出端口的漏極電流 由柵源極電壓 控制。因此,MOSFET是一種電壓控制電流的器件,輸出特性的分析也不一樣。
以N溝道增強型MOSFET AO3400A舉例,AO3400A的輸出特性如圖4所示。將曲線圖分為三個區域,分別為截止區、可變電阻區、飽和區(恒流區又稱放大區)。
1、截止區
當 時,導電溝道尚未形成, ,為截止工作狀態。
2、可變電阻區
當 時,MOSFET處于可變電阻區,此時輸出電阻 受 控制。
3、飽和區
當 ,且 時,MOSFET進入飽和區。 不隨 變化,而是由柵源極電壓控制。


圖AO3400A輸出特性
二、場效應管應用方案論證
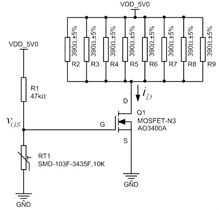
根據上述MOSFET的原理敘述,在上面提到的加熱控制電路中應該采用N溝道增強型MOSFET代替原有的BJT,這里選擇AO3400A,于是有如圖5所示的MOSFET共源極放大電路。由于MOSFET是電壓控制器件,所以提供合適的柵源極電壓 ,就可以建立合適的靜態工作點,使場效應管應用電路電路工作在正常狀態。


圖 MOSFET加熱控制電路
根據N溝道增強型MOSFET AO3400A的數據手冊,AO3400A的開啟電壓在常溫25℃下為 。當環境溫度下降到10℃時,場效應管應用電路電路開始工作。此時NTC型熱敏電阻的阻值增大至17.958kΩ,MOSFET導通,即柵源極電壓 ,在這里需要將分壓電阻 的阻值調整為47kΩ。隨著溫度的下降,柵源極電壓 增大,流過發熱電阻的電流 也隨著 增大。
舉例說明,當環境溫度下降到-20℃時,熱敏電阻的阻值增大至67.801kΩ,柵源極電壓增大至 。使用萬用表實測得到漏源極電壓 ,說明MOSFET工作在可變電阻區內;同時測得漏極電流 ,可計算得到發熱電阻的功率為 ,實際發熱效果可靠,場效應管應用電路電路功能實現。
場效應管應用
(1)常用于多級放大器的輸入級作阻抗變換。
(2)場效應管可以用作可變電阻。
(3)應用于大規模和超大規模集成電路中。
(4)場效應管可以方便地用作恒流源。
(5)場效應管可以用作電子開關。
(6)場效應管在其輸入端基本不取電流或電流極小,具有輸入阻抗高、噪聲低、熱穩定性好、制造工藝簡單等特點,在大規模和超大規模集成場效應管應用電路電路中被應用。
烜芯微專業制造二三極管,MOS管,20年,工廠直銷省20%,1500家電路電器生產企業選用,專業的工程師幫您穩定好每一批產品,如果您有遇到什么需要幫助解決的,可以點擊右邊的工程師,或者點擊銷售經理給您精準的報價以及產品介紹
烜芯微專業制造二三極管,MOS管,20年,工廠直銷省20%,1500家電路電器生產企業選用,專業的工程師幫您穩定好每一批產品,如果您有遇到什么需要幫助解決的,可以點擊右邊的工程師,或者點擊銷售經理給您精準的報價以及產品介紹