用78/79系列三端穩壓IC來組成穩壓電源所需的外圍元件極少,電路內部還有過流、過熱及調整管的保護電路,使用起來可靠、方便,而且價格便宜。該系列集成穩壓IC型號中的78或79后面的數字代表該三端集成穩壓電路的輸出電壓,如7806表示輸出電壓為正6V,7909表示輸出電壓為負9V。
因為三端固定集成穩壓電路的使用方便,電子制作中經常采用。
7805是我們最常用到的穩壓芯片了,他的使用方便,用很簡單的電路即可以輸入一個直流穩壓電源,他的輸出電壓恰好為5v,剛好是51系列單片機運行所需的電壓,他有很多的系列如ka7805,ads7805,cw7805等,性能有微小的差別,用的最多的還是lm7805,下面我簡單的介紹一下他的3個引腳以及用它來構成的穩壓電路。


圖1 7805引腳圖
其中1接整流器輸出的+電壓,2為公共地(也就是負極),3就是我們需要的正5V輸出電壓了,下面介紹一個簡單的7805電路。


上圖中,變壓器、整流橋將220V交流變換成13V直流。R1用220Ω,R2用680Ω的這個是用來調節輸出電壓的。輸出電壓公式Uo≈Uxx(1+R2/R1),此穩壓電路可在5~12V穩壓范圍內實現輸出電壓連續可調節。此三端集成穩壓集成電路lm7805最大輸入電壓為35V,輸入輸出差需保持2V以上,這樣該電路中因為穩壓器的直流輸入電壓是正14V,故該穩壓電路的最大輸出電壓為正12V。此電路的精度一般可達到0.04以上,用lm7805就能滿足一般需求了。
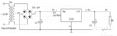
78XX系列集成穩壓器的典型應用電路如下圖所示,這是一個輸出正5V直流電壓的穩壓電源電路。IC采用集成穩壓器7805,C1、C2分別為輸入端和輸出端濾波電容,RL為負載電阻。當輸出電流較大時,7805應配上散熱板。


下圖為提高輸出電壓的應用電路。穩壓二極管VD1串接在78XX穩壓器2腳與地之間,可使輸出電壓Uo得到一定的提高,輸出電壓Uo為78XX穩壓器輸出電 壓與穩壓二極管VC1穩壓值之和。VD2是輸出保護二極管,一旦輸出電壓低于VD1穩壓值時,VD2導通,將輸出電流旁路,保護7800穩壓器輸出級不被 損壞。


78XX系列集成穩壓器的典型應用電路如下圖所示,這是一個輸出正5V直流電壓的穩壓電源電路。IC采用集成穩壓器7805,C1、C2分別為輸入端和輸出端濾波電容,RL為負載電阻。當輸出電較大時,7805應配上散熱板。
為輸出電壓可在一定范圍內調節的應用電路。由于R1、RP電阻網絡的作用,使得輸出電壓被提高,提高的幅度取決于RP與R1的比值。調節電位器RP,即 可一定范圍內調節輸出電壓。當RP=0時,輸出電壓Uo等于78XX穩壓器輸出電壓;當RP逐步增大時,Uo也隨之逐步提高。
下圖為擴大輸出電流的應用電路。VT2為外接擴流率管,VT1為推動管,二者為達林頓連接。R1為偏置電阻。該電路最大輸出電流取決于VT2的參數。
烜芯微專業制造二三極管,MOS管,20年,工廠直銷省20%,1500家電路電器生產企業選用,專業的工程師幫您穩定好每一批產品,如果您有遇到什么需要幫助解決的,可以點擊右邊的工程師,或者點擊銷售經理給您精準的報價以及產品介紹
烜芯微專業制造二三極管,MOS管,20年,工廠直銷省20%,1500家電路電器生產企業選用,專業的工程師幫您穩定好每一批產品,如果您有遇到什么需要幫助解決的,可以點擊右邊的工程師,或者點擊銷售經理給您精準的報價以及產品介紹