鋰在元素周期表上第3位,外層電子1個,容易失去形成穩定結構,所以是非?;顫姷囊环N金屬。而鋰離子電池具有放電電流大、內阻低、壽命長、無記憶效應等被人們廣泛使用,鋰離子電池在使用中嚴禁過充電、過放電、短路,否則將會使電池起火、爆炸等致命缺點,所以,在使用可充鋰電池都會帶有一塊保護板來保護電芯的安全。


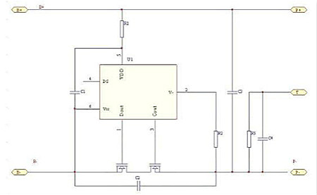
保護板有兩個核心部件:一塊保護IC,它是由精確的比較器來獲得可靠的保護參數;另外是MOSFET串在主充放電回路中擔當高速開關,執行保護動作。電路原理圖如下:


下面介紹:鋰電池保護板主要由維護IC(過壓維護)和MOS管(過流維護)構成,是用來保護鋰電池電芯安全的器材。鋰電池具有放電電流大、內阻低、壽數長、無回憶效應等被人們廣泛運用,鋰離子電池在運用中禁止過充電、過放電、短路,不然將會使電池起火、爆破等喪命缺陷,所以,在運用可充鋰電池都會帶有一塊維護板來維護電芯的安全。
1、電壓保護能力
過充電保護板:保護板有必要具有防止電芯電壓超越預設值的才干過放電維護:保護板有必要具有防止電芯電壓底于預設值的才干。
2、電流能力
(過流保護電流,短路保護)
保護板作為鋰電芯的安全保護器材,既要在設備的正常作業電流規模內,能可靠工作,又要在當電池被意外短路或過流時能迅速動作,使電芯得到保護。
3、導通電阻
定義:當充電電流為500mA時,MOS管的導通阻抗。
由于通訊設備的工作頻率較高,數據傳輸要求誤碼率低,其脈沖串的上升及下降沿陡,故對電池的電流輸出能力和電壓穩定度要求高,因而保護板的MOS管開關導通時電阻要小,單節電芯保護板通常在《70mΩ,如太大會導致通訊設備作業不正常,如手機在通話時突然斷線、電話接不通、噪聲等現象。
4、自耗電流
定義:IC作業電壓為3。6V,空載狀況下,流經保護IC的作業電流,一般極小。
保護板的自耗電流直接影響電池的待機時刻,通常規則保護板的自耗電流小于10微安。
5、機械功能、溫度適應能力、抗靜電能力
保護板有必要能通過國標規則的轟動,沖擊實驗;保護板在40到85度能安全工作,能經受±15KV的非觸摸ESD靜電測驗。
烜芯微專業制造二三極管,MOS管,20年,工廠直銷省20%,1500家電路電器生產企業選用,專業的工程師幫您穩定好每一批產品,如果您有遇到什么需要幫助解決的,可以點擊右邊的工程師,或者點擊銷售經理給您精準的報價以及產品介紹
烜芯微專業制造二三極管,MOS管,20年,工廠直銷省20%,1500家電路電器生產企業選用,專業的工程師幫您穩定好每一批產品,如果您有遇到什么需要幫助解決的,可以點擊右邊的工程師,或者點擊銷售經理給您精準的報價以及產品介紹