tip42c參數規格書
點擊查看規格書。

查看tip42c參數詳情

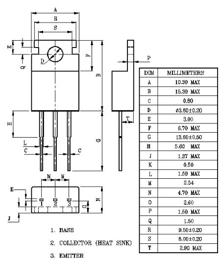
tip42c參數封裝尺寸

tip42c概述
tip42是由美國得克薩斯儀表公司生產的,應用材料是SI-NPN.應用于低頻,音頻,或功率放大之用,TIP41C的極限工作電壓max為100V.最大工作電流I=6A。TIP41 NPN中功率三極管,廣泛用于信號放大及音頻功放用晶體管,可與TIP42 PNP管做互補對稱管使用.
tip42c引腳圖電路圖及引腳定義

1、基集
2、集電極
3、發射極
tip42c應用電路
(一)
當PB01端輸入1時,也就是光耦管截止(或開路),則Q2必定截止,Q4跟隨截止(繼電器斷電);當PB01端輸入0時,也就是光耦管導通(或短路),則Q2必將導通,Q4也導通(繼電器加電);為了控制穩定,必須給Q2提供可靠的集電極電流,就是加個集電極電阻(一端直接接地),如陳堅道先生給的那個圖。因為你用了個大功率管,也不知道你繼電器電流需要多大,如果Q4基極電流不夠,可以去掉R14(即短路掉),R11的值減小些以加大Q2集電極電流。

(二)

烜芯微專業制造二極管,三極管,MOS管,橋堆20年,工廠直銷省20%,1500家電路電器生產企業選用,專業的工程師幫您穩定好每一批產品,如果您有遇到什么需要幫助解決的,可以點擊右邊的工程師,或者點擊銷售經理給您精準的報價以及產品介紹