lm7805三端穩壓。電子產品中,常見的三端穩壓集成電路有正電壓輸出的lm78 ×× 系列和負電壓輸出的lm79××系列。顧名思義,三端IC是指這種穩壓用的集成電路,只有三條引腳輸出,分別是輸入端、接地端和輸出端。它的樣子像是普通的三極管,TO- 220 的標準封裝,也有lm9013樣子的TO-92封裝。
lm7805三端穩壓應用電路
lm7805系列集成穩壓器的典型應用電路如下圖所示,這是一個輸出正5V直流電壓的穩壓電源電路。IC采用集成穩壓器7805,C1、C2分別為輸入端和輸出端濾波電容,RL為負載電阻。當輸出電流較大時,7805應配上散熱板。
下圖為提高輸出電壓的應用電路。穩壓二極管VD1串接在78XX穩壓器2腳與地之間,可使輸出電壓Uo得到一定的提高,輸出電壓Uo為lm7805穩壓器輸出電壓與穩壓二極管VC1穩壓值之和。VD2是輸出保護二極管,一旦輸出電壓低于VD1穩壓值時,VD2導通,將輸出電流旁路,保護7800穩壓器輸出級不被損壞。
下圖為輸出電壓可在一定范圍內調節的應用電路。由于R1、RP電阻網絡的作用,使得輸出電壓被提高,提高的幅度取決于RP與R1的比值。調節電位器RP,即可一定范圍內調節輸出電壓。當RP=0時,輸出電壓Uo等于lm7805穩壓器輸出電壓;當RP逐步增大時,Uo也隨之逐步提高。
下圖為擴大輸出電流的應用電路。VT2為外接擴流率管,VT1為推動管,二者為達林頓連接。R1為偏置電阻。該電路最大輸出電流取決于VT2的參數。

lm7805三端穩壓引腳圖

lm7805三端穩壓是常用的三端穩壓器件,顧名思義05就是輸出電壓為5v,還可以微調,lm7805三端穩壓輸出波紋很小。
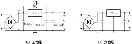
(1) 集成三端穩壓器根據穩定電壓的正、負極性分為78×××,79×××系列。附圖給出了正、負穩壓的典型電路。

(2) 三端穩壓器的型號規格和管腳分布

例如:78M05三端穩壓器可輸出+5 V、0.5 A的穩定電壓;7912三端穩壓器可輸出 12V、1A的穩定電壓。
(3) 外形及管腳分布,如附下圖所示。

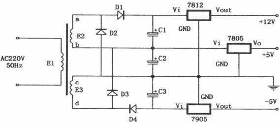
由7805,7905,7812組成的特殊的線性穩壓電源
如圖所示為一種特殊的電源電路。該電路雖然簡單,但可以從兩個相同的次級繞組中產生出三組直流電壓:+5V、-5V和+12V。其特點是:D2、D3跨接在E2、E3這兩組交流電源之間,起著全波整流的作用。

lm7805三端穩壓PDF規格書
查看詳情,請點擊下圖。

烜芯微專業制造二極管,三極管,MOS管,橋堆20年,工廠直銷省20%,1500家電路電器生產企業選用,專業的工程師幫您穩定好每一批產品,如果您有遇到什么需要幫助解決的,可以點擊右邊的工程師,或者點擊銷售經理給您精準的報價以及產品介紹