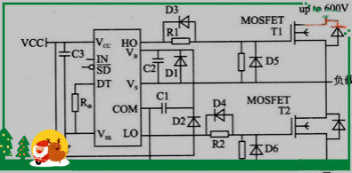
如圖二所示,典型應用電路是由驅動2個N溝道MOSFET管或IGBT組成的半橋驅動電路。固定的柵極參考輸出通道(L0)用于下端連接的功率場效應管T2,浮動的柵極輸出通道(HO)用于上端連接的功率場效應管T1。以驅動N溝道MOSFET管為例來介紹。功率MOS—FET是電壓型驅動器件,沒有少數載流子的存儲效應,輸入阻抗高,因而開關速度可以很高,驅動功率小,電路簡單。但功率MOSFET的極間電容較大,其等效電路圖一所示。




圖二
輸入電容Ciss、輸出電容Coss和反饋電容Crss與極間電容的關系可表示為:
IR21844不能產生負偏壓,如果用于驅動橋式電路,由于極間電容的存在,在開通和關斷時刻,柵漏極間的電容CGD有充放電電流,容易在柵極上產生干擾。針對這一不足,可以在柵極限流電阻(R1和R2)上分別反并聯一個二極管(D3和D4)來解決,該二極管可以加快極間電容上的電荷的放電速度。
功率器件的柵源極的驅動電壓一般為CM()S電平(5~20 V),因此要在柵極增加保護電路。電路中穩壓二極管D5、D6限制了所加柵極電壓,電阻R1、R2進行分壓,同時也降低了柵極電壓。功率器件T1、T2在開關過程中會產生浪涌電壓,這些浪涌電壓會損壞元件,所以電路中采用穩壓二極管D5、D6鉗位浪涌電壓。
烜芯微專業制造二極管,三極管,MOS管,橋堆20年,工廠直銷省20%,1500家電路電器生產企業選用,專業的工程師幫您穩定好每一批產品,如果您有遇到什么需要幫助解決的,可以點擊右邊的工程師,或者點擊銷售經理給您精準的報價以及產品介紹
烜芯微專業制造二極管,三極管,MOS管,橋堆20年,工廠直銷省20%,1500家電路電器生產企業選用,專業的工程師幫您穩定好每一批產品,如果您有遇到什么需要幫助解決的,可以點擊右邊的工程師,或者點擊銷售經理給您精準的報價以及產品介紹