8050和8550三極管作為常用的電子元器件,一般被用來做功率放大電路和開關電路,今天特別整理結合該管子做的一種光電自動控制電路,加深大家對它的認識。

8050和8550三極管的參數
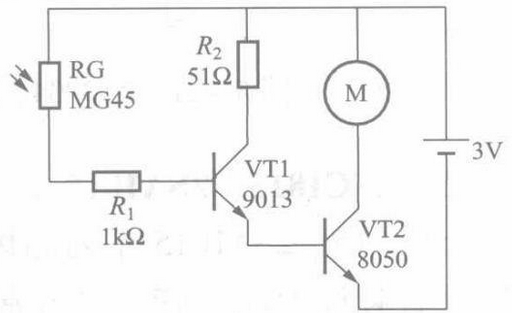
光敏電阻器作為光電傳感元件,VT1和VT2接成類似復合電路管形式,當有光照時,電動機開始運轉,光敏電阻有光照時的阻值2-10千歐,遠大于偏置電阻R的阻值,不能產生維持VT飽和導通所需要強度的電流。


圖為基于8050三極管設計的光電自動控制電路
因此,需要先用一只三極管進行電流放大,在驅動開關晶體管工作。VT1的發射極電流也是VT2的基極電流,R2既是VT1的負載電阻,也是VT2的基極限流電阻。因此VT1基極輸入微弱的電流)(0.1毫安),可以控制末級VT2較強電流,從而驅動電動機運轉。VT1選用小功率NPN型硅管9013,VT2選用小功率NPN型硅管8050三極管。
以上就是為大家整理的基于8050三極管設計的光電自動控制電路,希望能對大家有所助益。
烜芯微專業制造二極管,三極管,MOS管,橋堆等20年,工廠直銷省20%,1500家電路電器生產企業選用,專業的工程師幫您穩定好每一批產品,如果您有遇到什么需要幫助解決的,可以點擊右邊的工程師,或者點擊銷售經理給您精準的報價以及產品介紹
烜芯微專業制造二極管,三極管,MOS管,橋堆等20年,工廠直銷省20%,1500家電路電器生產企業選用,專業的工程師幫您穩定好每一批產品,如果您有遇到什么需要幫助解決的,可以點擊右邊的工程師,或者點擊銷售經理給您精準的報價以及產品介紹