[1]、晶體二極管又叫半導體二極管,簡稱二極管,是具有一個PN結的半導體器件。二極管品種很多,外形、大小各異。較常見的有:玻璃殼二極管、塑封二極管、金屬殼二極管、大功率螺栓狀金屬殼二極管、微型二極管、片狀二極管等。功能上可分為檢波二極管、整流二極管、開關二極管、穩壓二極管等。


[2]、晶體二極管的文字符號為“VD”,各種二極管的圖形符號如圖示。


[3]、晶體二極管的主要參數有:(1) 最大整流電流IFMFM,是指允許正向通過PN結的最大平均電流(圖③a)。使用中實際工作電流應小于IFM,否則將損壞二極管。(2) 最大反向電壓URM,是指反向加在二極管兩端而不致引起PN結擊穿的最大電壓(圖③b)。使用中應選用URM大于實際工作電壓2倍以上的二極管。(3) 檢波或高頻整流二極管的最高工作頻率fM,至少應2倍于電路實際工作頻率。(4) 穩壓二極管的穩定電壓UZ值應符合電路要求。


[4]、晶體二極管兩管腳有正、負極之分。電路符號中,三角底邊為正極,短杠一端為負極。實物中,有的將電路符號印在二極管上標示出極性;有的在二極管負極一端印上一道色環作為負極標記;有的二極管兩端形狀不同,平頭為正極,圓頭為負極。使用中應注意識別。


[5]、晶體二極管具有單向導電特性,只允許電流從正極流向負極,而不允許電流從負極流向正極。


[6]、鍺二極管和硅二極管在正向導通時具有不同的正向管壓降。圖示為鍺二極管伏安特性曲線,當所加正向電壓大于正向管壓降時,鍺二極管導通。鍺二極管的正向管壓降約為0.3V。


[7]、圖示為硅二極管伏安特性曲線,當所加正向電壓大于0.7V時,硅二極管導通。另外,在相同的溫度下,硅二極管的反向漏電流比鍺二極管小得多。從以上伏安特性曲線可見,二極管的電壓與電流為非線性關系,因此晶體二極管是非線性半導體器件。


[8]、晶體二極管可用萬用表進行管腳識別和檢測。萬用表置于“R×1k”擋,兩表筆分別接到二極管的兩端,如果測得的電阻值較小,則為二極管的正向電阻,這時與黑表筆(即表內電池正極)相連接的是二極管正極,與紅表筆(即表內電池負極)相連接的是二極管負極。


[9]、如果測得的電阻值很大,則為二極管的反向電阻,這時與黑表筆相接的是二極管負極,與紅表筆相接的是二極管正極。二極管的正、反向電阻應相差很大,且反向電阻接近于無窮大。如果某二極管正、反向電阻均為無窮大,說明該二極管內部斷路損壞;如果正、反向電阻均為0,說明該二極管已被擊穿短路;如果正、反向電阻相差不大,說明該二極管質量太差,不宜使用。


[10]、由于鍺二極管和硅二極管的正向管壓降不同,因此可以用測量二極管正向電阻的方法來區分。如果正向電阻小于1kΩ,則為鍺二極管。


[11]、如果正向電阻為1~5kΩ,則為硅二極管。


[12]、晶體二極管的主要作用之一是檢波。圖示為超外差收音機檢波電路,第二中放輸出的調幅波加到二極管VD負極,其負半周通過了二極管,而正半周被截止,再由RC濾波器濾除其中的高頻成份,輸出的就是調制在載波上的音頻信號,這個過程稱為檢波。


[13]、二極管的另一用途是整流。圖示為整流電源電路,由于二極管的單向導電特性,在交流電壓正半周時二極管VD導通,有輸出;在交流電壓負半周時二極管VD截止,無輸出。經二極管VD整流出來的脈動電壓再經RC濾波后即為直流電壓。


[14]、全橋整流堆通常簡稱為全橋,是一種整流二極管的組合器件,有長方形、圓形、扁形、方形等,并有多種電壓、電流、功率規格。


[15]、全橋整流堆的文字符號為“UR”。全橋整流堆內部包含4只整流二極管,并按一定規律連接,如右圖所示,具有2個交流輸入端(~)和直流正(+)、負(-)極輸出端。


[16]、全橋整流堆主要用于橋式全波整流電路。交流電壓U正半周時,電流I正經VD2、負載R、VD3形成回路,負載上電壓UR為上正下負。U負半周時,電流I負經VD4、R、VD1形成回路,負載上電壓UR仍為上正下負,實現了全波整流。使用全橋整流堆,可以簡化整流電路的結構。


[17]、圖17為穩壓二極管伏安特性曲線,可見,穩壓二極管是利用PN結反向擊穿后,其端電壓在一定范圍內基本保持不變的原理工作的。只要使反向電流不超過其最大工作電流IZM,穩壓二極管是不會損壞的。


[18]、穩壓值在15V以下的穩壓二極管,可以用萬用表“R×10k”擋(內含15V高壓電池)測量其穩壓值。讀數時刻度線最左端為15V,最右端為0。可利用萬用表原有的50V擋刻度來讀數,并代入以下公式求出:穩壓值為(50-X)/ 50·15V,式中,X為50V擋刻度線上的讀數。


[19]、穩壓二極管的作用是穩壓,圖示為并聯穩壓電路,穩壓二極管VD上的電壓即為輸出電壓。


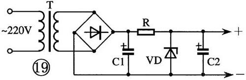
[20]、三引腳穩壓管是一種具有溫度補償的穩壓二極管,其管殼內包含了兩個背靠背反向串聯的穩壓二極管;其外形與晶體三極管一樣,具有3條管腳 :①腳和②腳分別為兩個穩壓二極管的負極,由于是對稱的,可隨意互換,使用時一個接電源正極,另一個接地;③腳為兩個穩壓二極管的公共正極,懸空不用。三引腳穩壓管主要應用于對溫度穩定度要求較高的精密穩壓電路中。

烜芯微專業制造二極管,三極管,MOS管,橋堆等20年,工廠直銷省20%,1500家電路電器生產企業選用,專業的工程師幫您穩定好每一批產品,如果您有遇到什么需要幫助解決的,可以點擊右邊的工程師,或者點擊銷售經理給您精準的報價以及產品介紹

烜芯微專業制造二極管,三極管,MOS管,橋堆等20年,工廠直銷省20%,1500家電路電器生產企業選用,專業的工程師幫您穩定好每一批產品,如果您有遇到什么需要幫助解決的,可以點擊右邊的工程師,或者點擊銷售經理給您精準的報價以及產品介紹