功率開關器件MOSFET在驅動電路中的應用頻率在最近幾年直線上升,在一些中小功率的開關電源產品中,利用MOSFET完成驅動電路的設計不僅省時省力,還具有良好的功率轉換效果。本文將會為各位工程師分享一種建議的MOSFET自舉驅動電路設計方案,下面就讓我們一起來看看吧。
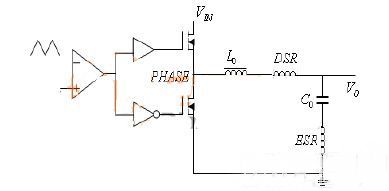
相信大多數工程師都非常了解的一個設計要求是,在一個開關電源的電路設計過程中,驅動電路的工作要求是在最短的時間內改變MOSFET的阻抗,使其從最大值轉換成最小值。實際的導通時間至少是理論值的數量級2、3倍的時間延遲。這一要求也從側面說明了一個問題,那就是MOSFET的寄生參數比抽象出來的模型復雜的多,它們將會隨驅動電壓的改變而改變。而自舉驅動電路的設計目的是把這些電容充滿,使門極電壓達到導通值。主板buck電路設計中,為降低續流二極管的導通損耗,用低導通阻值的場效應管代替二極管,上下兩個開關管交錯導通,即所謂同步整流模式,其電路設計效果如下圖圖1所示。


圖1 同步整流結構中的上下端開關管
在圖1所展示的這一同步整流結構的電路圖中可以看到,下端開關管源極接地驅動相對簡單,上端源極(Phase端)電壓在0—Vin間變化,驅動時需要自舉電路實現門源間的電壓差。因此,根據功率器件MOSFET的開關特點,本文設計了帶自舉能力的MOSFET推挽驅動電路,其電路結構的設計圖下圖圖2所示。


圖2 MOSFET驅動和門極放電回路設計
圖2所展示的這一MOSET驅動和門極放電回路結構中,這種電路主要被用于圖1所展示的上端開關管的驅動,由于上端MOSFET的源極接濾波器和下端開關管無法接地而處于懸浮狀態,需要同步的自舉電路來抬升門極驅動電壓,特別是執行導通動作時,源極逐漸上升的電位迫使其他共處一平面接入點的如Q2集電極電位上抬,使GS間的壓差減少造成驅動失敗。上圖中,二極管D1和CBOOT組成自舉電路:下端開光管導通時D1導通,CBOOT充電至輸入電壓。下端關斷時,上端源極電位逐漸上升,D2關斷,電容上端的電壓也隨之上升,這樣實現了自舉功能。
烜芯微專業制造二極管,三極管,MOS管,橋堆等20年,工廠直銷省20%,1500家電路電器生產企業選用,專業的工程師幫您穩定好每一批產品,如果您有遇到什么需要幫助解決的,可以點擊右邊的工程師,或者點擊銷售經理給您精準的報價以及產品介紹
烜芯微專業制造二極管,三極管,MOS管,橋堆等20年,工廠直銷省20%,1500家電路電器生產企業選用,專業的工程師幫您穩定好每一批產品,如果您有遇到什么需要幫助解決的,可以點擊右邊的工程師,或者點擊銷售經理給您精準的報價以及產品介紹