
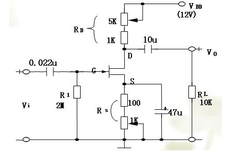
1)靜態工作點的測試
上圖為場效應管共源極放大器實驗電路圖。該電路采用的自給偏壓的方式為放大器建立靜態工作點,柵極通過R1接地,因R1中無電流流過,所以柵極與地等電位。即VG=0,可用萬用表測出靜態工作點IDQ和VDSQ值。
2)輸入輸出阻抗的測試


(1) 輸入阻抗的測量
上圖是伏安法測試放大電路的連接圖。其在輸入回路中串接一取樣電阻R,輸入信號調整在放大電路用晶體管毫對地的交流電壓VS與Vi,這樣求得兩端的電壓為VR=VS-Vi,流過電阻R的電流實際就是放大電路的輸入電流Ii。
根據輸入電阻的定義得


2)輸出阻抗的測量
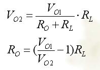
放大器輸出阻抗的大小,說明該放大器帶負載的能力。用伏安法測試放大電路的輸出阻抗的測試電路如下圖所示。放大器輸出阻抗的大小,說明該放大器帶負載的能 力。用伏安法測試放大電路的輸出阻抗的測試電路如下圖所示。


輸入信號的頻率仍選擇在放大電路的中頻段,輸入信號的大小仍調整到確保輸出信號不失真為條件,因此仍須用示波器監視輸出信號的波形。
第一步在不接負載RL的情況下,用毫伏表測得輸出電壓V01。
第二步在接上負載RL的情況下,用毫伏表測得輸出電壓V02。則


3)高輸入阻抗Zi的測試.
前面講了一般放大器輸入阻抗的測量方法,下面以場效應管源極跟隨器為例,介紹高輸入放大器的輸入阻抗的測試方法。
類似于源極跟隨器這樣的高輸入阻抗放大器的輸入阻抗.往往可以等效成一個輸入電阻Zi和一個輸入電容Ci的并聯形式,因此,必須分辨測出Ri和Ci的值才能確定輸入阻抗Zi的值。
測量Ri,由于被測電路的輸入阻抗很高,可以和毫伏表的輸入阻抗相比擬,若將毫伏表直接接到被測放大電路的輸入端,會引起嚴重的測試誤差.為了減少小毫伏表并聯接入引起的測量誤差,要求毫伏表的輸入電阻遠大于被測電路的輸入電阻,一般要求大于20倍以上.對于一般的毫伏表來說,是無法滿足這樣的要求的.但是被測電路是一的源極跟隨器.具有高輸入阻抗,低輸出阻抗的特點,因而,可以不直接測試放大電路的輸入電壓,而是測其輸出電壓。
如圖3.3.4所示,電路中串入一個阻值較大的取樣電阻R,測試時先將電阻R短路,測出放大器的輸出電壓,U01=Au.Ui.再拆除R的短路線,測出輸出電壓U02,則由于兩次測試中Au和Ui都不變,從而可以從上面兩方程中求得放大電路的輸入電阻為


1.基本要求
(1)結型場效應管的特性曲線測試
a.轉移特性曲線測試
按上圖接線,調節VDD使VDS=5V,然后調節RW(10KΩ)
電位器,分別使VGS為0V ,-0.1V , - 0.2V ,-0.3 v,-0.4V ,
-0.5V , - 0.6V , -1 V ,-2 V, 相應測出對應的各個漏極電
流ID并記錄之,在坐標紙上畫出一條VDS=5V的轉換特性曲線。


b. 結型場效應管漏極特性曲線測試
調節Rw電位器,固定VGS=0V,調節VDD分別使場效應 管漏源電壓VDS為0V, 1V,2V,4V,6V,8V,10V,測出各對應的ID值,然后在坐標紙上將各點連成一條光滑
的曲線。即可得VGS=0V時的一條漏極特性曲線。
c. 調節RW,分別固定VGS為-0.3V,-0.5V,重復上述
步驟,即可得出VGS=-0.3V,VGS=-0.5V時的另外兩條特性曲線。
d. 跨導gm的測試
根據轉移特性曲線數值,求出VGS在-0.1v和-0.2v之間時的跨導:


(2)按照本課件圖3-7連接一個結型場效應管共源放大電路。調節Rs使VGSQ=-0.2V,測量并記錄VDSQ、IDQ。已知輸入正弦波信號有效值 Vi=150mv f=1000HZ VDD=12V RL=20kΩ,選2SK163(N溝道耗盡型場效應管)。
(3)測量電路的放大倍數Av、輸入阻抗Ri、輸出阻抗Ro并記錄。
烜芯微專業制造二極管,三極管,MOS管,橋堆等20年,工廠直銷省20%,4000家電路電器生產企業選用,專業的工程師幫您穩定好每一批產品,如果您有遇到什么需要幫助解決的,可以點擊右邊的工程師,或者點擊銷售經理給您精準的報價以及產品介紹
烜芯微專業制造二極管,三極管,MOS管,橋堆等20年,工廠直銷省20%,4000家電路電器生產企業選用,專業的工程師幫您穩定好每一批產品,如果您有遇到什么需要幫助解決的,可以點擊右邊的工程師,或者點擊銷售經理給您精準的報價以及產品介紹