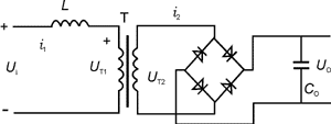
電源系統中,電感L與高頻變壓器T的設計是關鍵。從圖2看出,逆變電路的負載只有電感L及變壓器T的原邊,當功率管導通,直流電壓Ui加于圖4所示位置時,電感上電壓為Ui-UT1,則變壓器原邊電流i1=(Ui-UT1)t/L


圖全橋型IGBT電源計算電路
式中,UT1為輸出電壓Uo(高壓整流橋導通時就是UT2)折算到變壓器原邊的值,UT1=U0/n,n為變壓器副、原邊匝比,又△Uo=(1/C0), i2=i1/n
考慮到輸出電壓在逐步上升,而電流i1的幅值在不斷下降,計算過程應該是一個迭代過程。
烜芯微專業制造二極管,三極管,MOS管,橋堆等20年,工廠直銷省20%,4000家電路電器生產企業選用,專業的工程師幫您穩定好每一批產品,如果您有遇到什么需要幫助解決的,可以點擊右邊的工程師,或者點擊銷售經理給您精準的報價以及產品介紹
烜芯微專業制造二極管,三極管,MOS管,橋堆等20年,工廠直銷省20%,4000家電路電器生產企業選用,專業的工程師幫您穩定好每一批產品,如果您有遇到什么需要幫助解決的,可以點擊右邊的工程師,或者點擊銷售經理給您精準的報價以及產品介紹