SOD123封裝是海歐腳,引線從本體中間出來。
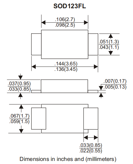
SOD123FL封裝(DFLS240-7)是平腳,引線從本低底部出來。
這兩種封裝焊盤位置相同,生產工藝不同。SOD123封裝一般常用于穩壓管打金線工藝生產,SOD123FL封裝常用于小體積大電流肖特基用框架工藝。這兩種從生產效率及價格上各有不同。在穩壓管上應用差別不同,穩壓管屬于小功率器件。

烜芯微專業制造二極管,三極管,MOS管,橋堆等20年,工廠直銷省20%,4000家電路電器生產企業選用,專業的工程師幫您穩定好每一批產品,如果您有遇到什么需要幫助解決的,可以點擊右邊的工程師,或者點擊銷售經理給您精準的報價以及產品介紹

烜芯微專業制造二極管,三極管,MOS管,橋堆等20年,工廠直銷省20%,4000家電路電器生產企業選用,專業的工程師幫您穩定好每一批產品,如果您有遇到什么需要幫助解決的,可以點擊右邊的工程師,或者點擊銷售經理給您精準的報價以及產品介紹