電源運放的跟隨器的工作特性,也可以實現精密全波整流。單電源供電的運放構成的跟隨器,當輸入信號大于0時,輸出跟隨輸入變化。當輸入信號小于0的時候,輸出為0。利用這個特性可以構成如下的電路。


當輸入為正電壓時,等效電路如下:


輸入電阻Rin = inf
輸出電阻 Rout = 0
Vout = Vin
當輸入為負電壓時,等效電路如下:


輸入電阻Rin = R1
輸出電阻 Rout = 0
Vout = - R2/R1 * Vin
使用時要小心單電源運放在信號很小時的非線性。而且,單電源跟隨器在負信號輸入時也有非線性。這些都會導致輸入波形的失真。另外,輸入電阻隨輸入信號的極性也會發生變化,如果R1、R2 不相等,則增益也隨輸入信號的極性變化。
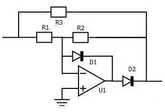
利用單運放構成的精密全波整流電路主要有兩種,一種稱之為 T 型,另一種稱為△型。
T 型精密全波整流電路的原理圖如下。


圖1 T型精密全波整流電路
上面電路中 R1 = R3 = 2*R2
當輸入為正電壓時,D1 導通D2截止,這時運放的作用就是將R3的下端的電位鉗位在 0 V,整個電路可以簡化為三個電阻的電阻網絡。
輸入電阻:Rin = R1 + (R2+Rz)||R3 > R1 + R2 || R3, Rz 為負載內阻
輸出電阻:Rout = (R1+Ri)||R3+ R2,Ri 為信號源內阻
開路輸出電壓:Vout =Vin/2
當輸入為負電壓時,D1 截止,D2導通,就是個放大倍數為-0.5 的反向放大電路。
輸入電阻:Rin = R1
輸出電阻:Rout = 0
Vout = Vin /2
因此,功能為全波整流,也就是絕對值運算。這個電路的缺點在于輸入輸出電阻隨信號極性變化。
△型電路如下,其中R1 = 2*R2=2*R3:


圖2 單運放精密全波整流電路(△型)
原理與T型差不多,輸入為正電壓時,D1 導通,D2截止。相當于個電阻分壓網絡。
開路輸出電壓:Vout = Vin / 2
輸入輸出阻抗的計算很簡單,這里就不計算了。
輸入為負電壓時D1截止,D2導通。就是個反向放大電路,這時R3其實也沒有什么真正的作用。
這個電路的特點和 T型差不多。輸入、輸出阻抗隨輸入信號極性變化,都不是很理想。但是只用了一個運放,電路結構簡單。
烜芯微專業制造二極管,三極管,MOS管,橋堆等20年,工廠直銷省20%,4000家電路電器生產企業選用,專業的工程師幫您穩定好每一批產品,如果您有遇到什么需要幫助解決的,可以點擊右邊的工程師,或者點擊銷售經理給您精準的報價以及產品介紹
烜芯微專業制造二極管,三極管,MOS管,橋堆等20年,工廠直銷省20%,4000家電路電器生產企業選用,專業的工程師幫您穩定好每一批產品,如果您有遇到什么需要幫助解決的,可以點擊右邊的工程師,或者點擊銷售經理給您精準的報價以及產品介紹