二極管的種類:


二極管
形形色色的二極管
二極管種類有很多,因為常見的半導體材料有硅和鍺,所以二極管從所用的半導體材料來分,可分為鍺二極管(Ge管)和硅二極管(Si管)。
二極管從結構上就是一個PN結,按內部結構可以分為點接觸型二極管、面接觸型二極管及平面型二極管。關于它們的技術工藝,請參考有關二極管的資料,但從名稱上來講,點接觸型二極管只允許通過較小的電流,適用于高頻小電流電路,如收音機的檢波等。面接觸型二極管的PN結面積較大,允許通過較大的電流,主要用于把交流電變換成直流電的“整流”電路中。平面型二極管是一種特制的硅二極管,它不僅能通過較大的電流,而且性能穩定可靠,多用于開關、脈沖及高頻電路中。
根據二極管的用途,可分為檢波二極管、整流二極管、穩壓二極管、 開關二極管、隔離二極管、肖特基二極管、發光二極管、硅功率開關二極管、旋轉二極管等。
二極管的導電特性:
在許多書上,一直在講二極管的伏安特性,即二極管兩端電壓(電壓單位為伏)與通過二極管電流(電流的單位為安)之間的關系曲線。但是很多是純理論的知識,本站給出比較實際的解釋說明:


二極管的伏安特性曲線
1 二極管的正向特性:


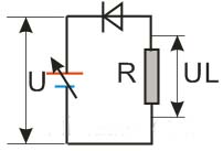
二極管加上正向電壓圖
當二極管的陽極(P區)接電源的正極(高電位),二極管的陰極(N區)接電源負極(低電位),稱為二極管正向偏置。
設外加電壓U是可以調整的,當外加電壓小于0.5V(對于硅管)時,二極管處于截止狀態,電路基本沒有電流。這個電壓稱為二極管的死區電壓,對于硅管,死區電壓為0.5V,對于鍺管,死區電壓為0.1V。
當外加電壓大于死區電壓0.5V(硅管)后,二極管正向導通,此時二極管存在著正向壓降,對于硅管,正向壓降約為0.6V,即電阻R上電壓UL比電源電壓U小約0.6V,而用電壓表測量二極管電壓UD約為0.6V。
當二極管正向導通后,流過電阻R的電流為電阻端電壓UL與電阻R的比值。二極管相當于一個閉合的開關,只是存在著一個約0.6V的電壓降(對于硅管)。
注:鍺管的正向電壓降為0.2V-0.3V,所以,若比較電壓降,鍺管的性能比硅管好。
2 二極管的反向特性:


二極管加上反向電壓圖
當二極管的陰極(N區)接電源的正極(高電位),二極管的陽極(P區)接電源負極(低電位),稱為二極管反向偏置。
二極管外加反向電壓時,二極管處于截止狀態,此時,通過電阻R只有很小的電流,這個電流稱為漏電流,這人反向的漏電流越小越好。
當外加電壓U達到一定時,通過電阻R的電流突然增加,此時,二極管處于擊穿狀態。這個電壓稱為反向擊穿電壓。用UBR表示。反向擊穿有兩種類型:
(1)電擊穿:PN結未損壞,斷電即恢復。
(2)熱擊穿:PN結燒毀。
電擊穿是可逆的,反向電壓降低后二極管仍恢復正常。因此,電擊穿往往被人們所利用,如穩壓管。而熱擊穿則是電擊穿時沒有采取適當的限流措施,導致電流大,電壓高,使管子過熱造成永久性損壞。因此,工作時應避免二極管的熱擊穿。
二極管的主要參數
依據二極管的工作特性和工作狀態,二極管的主要參數有:
1 最大整流電流:當二極管處于正向導通狀態時,允許通過的最大平均電流。在使用中,若二極管正向導通通過的電流過大,可能造成二極管的損壞。
2.最高反向工作電壓:指二極管運行時允許承受的最高反向電壓。
3.反向漏電流:二極管加上反向電壓截止時,存在的漏電電流大小。
4.最高工作頻率:此參數主要由PN 結的結電容決定,結電容越大,二極管允許的最高工作頻率越低。
烜芯微專業制造二極管,三極管,MOS管,橋堆等20年,工廠直銷省20%,4000家電路電器生產企業選用,專業的工程師幫您穩定好每一批產品,如果您有遇到什么需要幫助解決的,可以點擊右邊的工程師,或者點擊銷售經理給您精準的報價以及產品介紹
烜芯微專業制造二極管,三極管,MOS管,橋堆等20年,工廠直銷省20%,4000家電路電器生產企業選用,專業的工程師幫您穩定好每一批產品,如果您有遇到什么需要幫助解決的,可以點擊右邊的工程師,或者點擊銷售經理給您精準的報價以及產品介紹