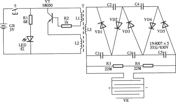
電蚊拍上常用的三極管是D965,其參數為
NPN、40V、5A、0.75W。
管腳順序:d965引腳bec, s8050引腳ebc
D965可用:D3807、D2060、S8050、D400、C3807等高放大倍數的三極管。
第一種:使用干電池


第二種:可以充電

烜芯微專業制造二極管,三極管,MOS管,橋堆等,20年,工廠直銷省20%,1500家電路電器生產企業選用,專業的工程師幫您穩定好每一批產品,如果您有遇到什么需要幫助解決的,可以直接聯系上方的聯系號碼或加QQ,由我們的銷售經理給您精準的報價以及產品介紹