分壓式偏置電路是三極管另一種常見的偏置電路。
1.三極管典型分壓式偏置電路
圖1-101所示是典型的分壓式偏置電路。電路中的VT1是NPN型三極管,采用正極性直流電源+V供電。由于R1和R2這一分壓電路為VT1基極提供直流電壓,所以將這一電路稱為分壓式偏置電路。

圖1-101 典型分壓式偏置電路
電阻R1和R2構成直流工作電壓+V的分壓電路,分壓電壓加到VT1基極,建立VT1基極直流偏置電壓。
電路中VT1發射極通過電阻R4接地,基極電壓高于地端電壓,所以基極電壓高于發射極電壓,發射結處于正向偏置狀態。
流過R1的電流分成兩路:一路流入基極作為三極管VT1的基極電流,其基極電流回路是:+V→R1→VT1基極→VT1發射極→R4→地端,另一路通過電阻R2流到地端。
分壓式偏置電路中,R1稱為上偏置電阻,R2稱為下偏置電阻,雖然基極電流通過上偏置電阻R1構成回路,但是R1和R2分壓后的電壓決定了VT1基極電壓的大小,在三極管發射極電阻確定的情況下,也就決定了基極電流的大小,所以R1和R2同時決定VT1基極電流的大小。
分析基極電流大小的關鍵點
分析分壓式偏置電路中三極管基極電流的大小時要掌握:R1和R2對直流工作電壓+V分壓后,電壓加到三極管基極,該直流電壓的大小決定了該管基極直流電流的大小,基極直流電壓大則基極電流大,反之則小。
電路分析提示
無論是NPN型還是PNP型三極管,無論是采用正電源還是負電源供電,一般情況下偏置電路用兩個電阻構成,這一點對識別分壓式偏置電路十分有利。
2.正極性電源供電PNP型三極管分壓式偏置電路
圖1-102所示是采用正極性電源供電的PNP型三極管分壓式偏置電路。電路中的VT1是PNP型三極管,+V是正極性直流電源,R1和R2構成分壓式偏置電路,R3是三極管VT1的發射極電阻,R4是三極管VT1的集電極負載電阻。

圖1-102 正極性電源供電的PNP型三極管分壓式偏置電路
在采用正電源供電的PNP型三極管電路中,往往習慣于將三極管的發射極畫在上面,如圖1-102所示。
(1)直流電路分析。電阻R1和R2構成對直流電壓+V的分壓電路,分壓后的電壓直接加到VT1基極,給基極一個直流偏置電壓。
VT1發射極通過電阻R3接在正極性直流電源+V端,三極管VT1的發射極直流電壓最高,高于三極管VT1的基極直流電壓,所以三極管VT1發射結(基極與發射極之間的PN結)處于正向偏置狀態,滿足三極管VT1工作在放大狀態所必須具備的條件之一。
(2)直流電流回路分析。流出直流工作電壓+V端的直流電流為I,如圖1-102中所示。流過電阻R1的電流為I1,流過R2的電流為I2,流出基極的電流為IB(因為VT1是PNP型三極管,它的基極電流是從管內流出的),I2=I1+IB,電阻R2構成了基極電流回路,這一電流回路是:+V→R3→VT1發射極→VT1基極→R2→地端。
(3)電路特征。采用正電源供電的PNP型三極管分壓式偏置電路其特征與采用正電源供電的NPN型三極管分壓式偏置電路的特征一樣。
(4)故障分析。當偏置電阻R1開路后,三極管仍然存在基極電流。這時,三極管VT1基極直流電壓將下降,導致三極管VT1的基極電流增加,三極管將進入飽和狀態;當偏置電阻R2開路后,三極管基極電流不能成回路,所以這時三極管VT1沒有基極電流,三極管將進入截止狀態。
3.負極性電源供電NPN型三極管分壓式偏置電路
圖1-103所示是負極性電源供電NPN型三極管分壓式偏置電路。電路中的VT1是NPN型三極管,-V是負極性直流電源,R1和R2構成分壓式偏置電路,R3是三極管VT1的發射極電阻,R4是三極管VT1的集電極負載電阻。

圖1-103 負極性電源供電的NPN型三極管分壓式偏置電路
該分壓式偏置電路的電路特征同前面的電路一樣,R1和R2構成對直流工作電壓-V的分壓電路,分壓后的電壓加到三極管VT1基極,這一電路特征與正極性直流電壓供電電路一樣,所以電路分析中很容易確定是分壓式偏置電路。
這一電路中,各電流之間的關系是I2=I1+IB,NPN型三極管的基極電流流向管內,如圖1-103所示。
電路分析提示
電路分析中要注意:由于采用負極性的直流電源供電,所以電路中的地線直流電壓為最高,-V端的直流電壓最低,這樣所有的電流都是從地端(實際上地端是負極性直流電源的正極)流出,流到-V端(這是負極性直流電源的負極)。
電路故障分析提示
當電阻R2開路時,這一電路中的三極管VT1無基極電流(因為VT1無基極電流回路),VT1處于截止狀態;當電阻R1開路時,這一電路中的三極管VT1基極電流增大許多,VT1將處于飽和狀態。
4.負極性電源供電PNP型三極管分壓式偏置電路
圖1-104所示是負極性電源供電的PNP型三極管分壓式偏置電路。電路中的VT1是PNP型三極管,-V是負極性直流電源,R1和R2構成分壓式偏置電路,R3是三極管VT1的集電極負載電阻,R4是三極管VT1的發射極電阻。

圖1-104 負極性電源供電的PNP型三極管分壓式偏置電路
電路中,各電流之間的關系是I1=I2+IB,PNP型三極管的基極電流是從管內流出的,如圖1-104所示。
電路分析提示
各種分壓式偏置電路的電路特征基本一樣,所以分壓式偏置電路在各種極性電源、各種極性三極管電路中的電路特征是相同的,這對識別電路中的分壓式偏置電路是方便的,比固定式偏置電路更為容易。
電路故障分析提示
當電阻R1開路時,這一電路中的三極管VT1基極電流不能成回路,所以三極管沒有基極電流,VT1處于截止狀態;當電阻R2開路時,這一電路中的三極管VT1基極電流增大許多,VT1將處于飽和狀態。
5.分壓式偏置電路變形電路
分壓式偏置電路的變形電路主要有兩種,它們都屬于分壓式偏置電路的范疇,只是電路的具體形式發生了變化。在電路分析中,同功能不同電路形式的電路(變形電路)是電路分析的一個難點,有的電路其變形電路“豐富多彩”,使初學者“吃盡苦頭”。
(1)可變電阻器方便基極電流調整電路。如圖1-105所示,電路中的RP1是可變電阻器,R1、RP1和R2構成三極管VT1的分壓式偏置電路。R1和RP1串聯后作為上偏置電阻,由于RP1的阻值可以進行微調,所以這一電路中上偏置電阻器的阻值可以方便地調整。

圖1-105 示意圖
串聯可變電阻器RP1的目的是進行上偏置電阻的阻值調整,其目的是進行三極管VT1的基極偏置電流的調整,從而可以調整三極管VT1的靜態工作狀態。
在調整RP1的阻值時,實際上是改變了分壓電路的分壓比,即改變了三極管VT1基極上的直流偏置電壓,從而可以改變三極管VT1的靜態電流。
改變三極管的靜態工作電流,可以改變三極管的動態工作情況,有時可以在一定范圍內調整三極管VT1這一級放大器的放大倍數等,例如一些收音機電路中的第一級放大器就采用這種變形分壓式偏置電路。
電阻R1稱為限流保護電阻,設置R1的目的是防止RP1阻值調至最小時燒壞三極管VT1。如果沒有串聯電阻R1,在減小RP1阻值時,三極管VT1基極電壓升高,基極電流增大,調整中若不小心將RP1調至0?處,這時三極管VT1基極電壓就等于+V,使VT1基極電壓太高,基極電流太大而燒壞VT1。在加入R1后,RP1阻值調至最小時也有R1串聯在其中,防止了三極管VT1基極電壓升高太多,從而防止了由于調整不當而燒壞三極管VT1。
(2)提高輸入電阻的電路。圖1-106所示是一種為了提高放大器輸入電阻的分壓式偏置電路。電路中的R1和R2構成分壓式偏置電路,其分壓后的電壓不是直接加到三極管VT1基極,而是通過電阻R3加到VT1基極。

圖1-106 示意圖
從等效電路中可以看出,由于加入了電阻R3,電阻R1和R2并聯后與R3串聯(串聯電阻電路總電阻增大),然后再與三極管VT1的輸入電阻并聯,這樣提高了這一級放大器的輸入電阻。所以,這種變形的分壓式偏置電路中,電阻R3是為了提高放大器輸入電阻而設置的,沒有其他作用。
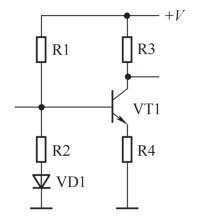
(3)具有溫度補償特性的分壓式偏置電路。圖1-107所示是具有溫度補償特性的分壓式偏置電路。電路中的R1和R2、VD1構成VT1基極分壓式偏置電路。R1是上偏置電阻,R2是下偏置電阻,VD1串聯在下偏置電阻R2電路中。
R1、R2、VD1分壓后的電壓加到VT1基極,作為VT1基極直流偏置電壓。二極管VD1處于導通狀態。
當工作溫度升高時,VT1的基極電流會增大一些,這說明VT1受溫度的影響而不能穩定工作。加入VD1后,溫度升高時,VD1正、負極之間的管壓降略有下降,這使得VT1基極電壓略有下降,使VT1基極電流略有下降,這一基極下降的電流正好抵消由于溫度升高引起的VT1基極電流的增大,所以VD1能對VT1進行溫度補償。

圖1-107 示意圖
當溫度下降時,VT1基極電流略有下降,而VD1管壓降略有上升,使VT1基極電壓略有上升,VT1基極電流略有增大,也能穩定VT1基極電流。
普通二極管在導通之后,它的管壓降(正極與負極之間的電壓)基本不變,但不是絕對不變。當二極管的工作溫度變化時,它的管壓降會發生微小的變化:當工作溫度升高時,它的管壓降會下降一些;當工作溫度降低時,它的管壓降會增大一些。這是二極管管壓降受溫度影響的特性。
烜芯微專業制造二極管,三極管,MOS管,橋堆等,20年,工廠直銷省20%,1500家電路電器生產企業選用,專業的工程師幫您穩定好每一批產品,如果您有遇到什么需要幫助解決的,可以直接聯系上方的聯系號碼或加QQ,由我們的銷售經理給您精準的報價以及產品介紹
烜芯微專業制造二極管,三極管,MOS管,橋堆等,20年,工廠直銷省20%,1500家電路電器生產企業選用,專業的工程師幫您穩定好每一批產品,如果您有遇到什么需要幫助解決的,可以直接聯系上方的聯系號碼或加QQ,由我們的銷售經理給您精準的報價以及產品介紹