防浪涌軟啟動電路開關電源的輸入電路大都采用電容濾波型整流電路,在進線電源合閘瞬間,由于電容器上的初始電壓為零,電容器充電瞬間會形成很大的浪涌電流,特別是大功率開關電源,采用容量較大的濾波電容器,使浪涌電流達100A以上。在電源接通瞬間如此大的浪涌電流,重者往往會導致輸入熔斷器燒斷或合閘開關的觸點燒壞,整流橋過流損壞;輕者也會使空氣開關合不上閘。上述現象均會造成開關電源無法正常工作,為此幾乎所有的開關電
防浪涌軟啟動電路
開關電源的輸入電路大都采用電容濾波型整流電路,在進線電源合閘瞬間,由于電容器上的初始電壓為零,電容器充電瞬間會形成很大的浪涌電流,特別是大功率開關電源,采用容量較大的濾波電容器,使浪涌電流達100A以上。在電源接通瞬間如此大的浪涌電流,重者往往會導致輸入熔斷器燒斷或合閘開關的觸點燒壞,整流橋過流損壞;輕者也會使空氣開關合不上閘。上述現象均會造成開關電源無法正常工作,為此幾乎所有的開關電源都設置了防止流涌電流的軟啟動電路,以保證電源正常而可靠運行。

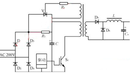
圖1 采用晶閘管和限流電阻組成的軟啟動電路
圖1是采用晶閘管V和限流電阻R1組成的防浪涌電流電路。在電源接通瞬間,輸入電壓經整流橋(D1~D4)和限流電阻R1對電容器C充電,限制浪涌電流。
當電容器C充電到約80%額定電壓時,逆變器正常工作。經主變壓器輔助繞組產生晶閘管的觸發信號,使晶閘管導通并短路限流電阻R1,開關電源處于正常運行狀態。
圖2是采用繼電器K1和限流電阻R1構成的防浪涌電流電路。電源接通瞬間,輸入電壓經整流(D1~D4)和限流電阻R1對濾波電容器C1充電,防止接通瞬間
的浪涌電流,同時輔助電源Vcc經電阻R2對并接于繼電器K1線包的電容器C2充電,當C2上的電壓達到繼電器K1的動作電壓時,K1動作,其觸點K1.1閉合而旁路限流電阻R1,電源進入正常運行狀態。限流的延遲時間取決于時間常數(R2C2),通常選取為0.3~0.5s。為了提高延遲時間的準確性及防止繼電器動作抖動振蕩,延遲電路可采用圖3所示電路替代RC延遲電路。

烜芯微專業制造二極管,三極管,MOS管,橋堆等,20年,工廠直銷省20%,1500家電路電器生產企業選用,專業的工程師幫您穩定好每一批產品,如果您有遇到什么需要幫助解決的,可以直接聯系上方的聯系號碼或加QQ,由我們的銷售經理給您精準的報價以及產品介紹