今天介紹的自動調光臺燈,能根據室內環境光線的強弱自動調整照明燈的護視力的功能,適合作為學生的書寫用燈。
電路工作原理
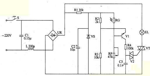
該自動調光臺燈電路由電源電路和光控電路組成,如圖3-201所示。
電源電路由電源開關S、濾波電容器Cl、C2、電感器L、整流橋堆UR、限流電阻器Rl和穩壓二極管VS組成。
光控電路由光敏電阻器RG、電阻器肥-R4、電位器RP、電容器C3、晶位管V1、雙向觸發二極管V2和晶閘管VT組成。
接通電源開關S,交流220V電壓經Cl和「濾波、UR整流后分為兩路:一路經Rl限流、VS穩壓及C2濾波后,為光控電路提供9V直流工作電壓;另一路經照明燈EL加在晶閘管VT兩端。
光敏電阻器RG作為光線檢測探頭,用來檢測書本處的光照度。當書本處光照度不足時,RG的阻值增大,使Vl的基極電位降低,集電極電流增大,C3的充電時間縮短,使觸發脈沖相位前移,晶閘管VT的導通角增大,EL的亮度增加;反之,當書本處光照度增加時,VT的導通角會變小,EL的亮度會減弱,從而實現了自動調光的目的。


元器件選擇
Rl選用1/2W金屬膜電阻器;R2-R4選用1/4W碳膜電阻器或金屬膜電阻器。
RP選用有機實心電位器或合成膜電位器。
RG選用MG43或MG45系列的光敏電阻器,其亮阻應在5-lOkO之間。使用時用兩根6Ocm的導線引出,裝在帶透明窗的塑料盒內,作為光線檢測探頭。
Cl選用耐壓值為400V的滌綸電容器或CBB電容器;C2選用耐壓值為16V的鋁電解電容器;C3選用獨石電容器。
VS選用lW、9V的硅穩壓二極管。
UR選用lA、400V的整流橋堆。
Vl選用S9012或C8550型硅PNP晶體管;V2選用DB3或2CTS系列的雙向觸發二極管。
VT選用TLC336A(3A、600V)型雙向晶閘管。
L選用高頻扼流圈。
烜芯微專業制造二極管,三極管,MOS管,橋堆等,20年,工廠直銷省20%,1500家電路電器生產企業選用,專業的工程師幫您穩定好每一批產品,如果您有遇到什么需要幫助解決的,可以直接聯系上方的聯系號碼或加QQ,由我們的銷售經理給您精準的報價以及產品介紹
烜芯微專業制造二極管,三極管,MOS管,橋堆等,20年,工廠直銷省20%,1500家電路電器生產企業選用,專業的工程師幫您穩定好每一批產品,如果您有遇到什么需要幫助解決的,可以直接聯系上方的聯系號碼或加QQ,由我們的銷售經理給您精準的報價以及產品介紹