對于模擬 CMOS(互補對稱金屬氧化物半導體)而言,兩大主要危害是靜電和過壓(信號電壓超過電源電壓)。了解這兩大危害,用戶便可以有效應對。
靜電
由靜電荷積累(V=q/C=1kV/nC/pF)而形成的靜電電壓帶來的危害可能擊穿柵極與襯底之間起絕緣作用的氧化物(或氮化物)薄層。這項危害在正常工作的電路中是很小的,因為柵極受片內齊納二極管保護,它可使電荷損耗至安全水平。
然而,在插人插座時,CMOS 器件與插座之間可能存在大量靜電荷。如果插人插座的第一個引腳恰巧沒有連接齊納二極管保護電路,柵極上的電荷會穿過氧化層釋放而損壞器件。
以下四步有助于防止器件在系統裝配階段受損:
將未使用的 CMOS 器件存放于黑色導電泡沫材料中,這樣在運輸時可以防止引腳之間積累電荷;
負責器件接插的操作人員應通過一個塑料接地帶與系統電源地相連;
從防護性的泡沫材料中取出 CMOS 器件前,泡沫材料應與電源共地,釋放掉積累的電荷;
在電路插人電路板之后,移動電路板時應保持電路板接地或屏蔽。
SCR 閂鎖
在使用模擬 CMOS 電路時,最安全的做法是確保沒有超過電源電壓的模擬或數字電壓施加到器件上,并且電源電壓在額定范圍內。盡管如此,實施承受過壓保護也是有必要的。如果理解了問題的機制,保護措施在大多數情況下都會是行之有效的。
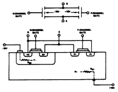
圖 1 是一個典型 CMOS 輸出開關單元的電路圖及截面圖。從不同單元和區域之間的連接關系中,我們可以畫出一個等效二極管電路圖(圖 2)。如果在 S 端或 D 端的模擬輸人電壓超過電源電壓。


圖 1:典型 CMOS 輸出開關單元的電路圖及截面圖


圖 2:等效二極管電路圖
由不同二極管結產生的寄生晶體管就會處于正向偏置模式。這些寄生的 NPN 和 PNP 晶體管形成如圖 3 所示的 SCR(可控硅整流器)電路。


圖 3. CMOS 開關中的寄生晶體管益淪應
過壓能引起過大的電流和金屬化問題。通常,運算放大器的輸出作為 S 端或 D 端的電壓源,因此電流不能大于運算放大器直流輸出電流的限值。然而,瞬態感應電流仍有可能破壞 CMOS 器件;因此,有必要進行保護。
圖 4 舉例說明了通過在電源供電引腳串聯二極管(比如 1N459)防止寄生晶體管導通的方法。如果 S 端或 D 端電壓高于電源電壓時,CR1 和 / 或 CR2 反向偏置,基極驅動電路不能使晶體管導通。每個 CMOS 器件都應該有一對獨立的二極管對其進行保護。盡管這個方法很有效,但它不是萬無一失的。如果開關的一端連接到一個負電位(例如一個充電電容),并且另一端電壓超過 VDD,則盡管有保護二極管。


圖 4:電路保護方案
在 Q2 的一個發射極的雪崩二極管足夠提供基極驅動使 Q2 導通。對于這種情況,必須要有一個與電容串聯的限流電源或者電阻。
如果在 S 端或 D 端有瞬時過壓,那么由電壓源供電的端口處的串聯電阻的建議值為 300 至 400Ω(圖 4b)。
烜芯微專業制造二極管,三極管,MOS管,橋堆等20年,工廠直銷省20%,4000家電路電器生產企業選用,專業的工程師幫您穩定好每一批產品,如果您有遇到什么需要幫助解決的,可以點擊右邊的工程師,或者點擊銷售經理給您精準的報價以及產品介紹
烜芯微專業制造二極管,三極管,MOS管,橋堆等20年,工廠直銷省20%,4000家電路電器生產企業選用,專業的工程師幫您穩定好每一批產品,如果您有遇到什么需要幫助解決的,可以點擊右邊的工程師,或者點擊銷售經理給您精準的報價以及產品介紹