三端穩壓管工作原理
三端穩壓管分固定穩壓和可變穩壓2種。
一、三端固定穩壓管工作原理
1、三端固定穩壓IC有正輸出(78系列)和負輸出(79系列)兩種類型。
2、78系列原理圖:


3、工作原理:上圖與一般分立件組成的串聯調整式穩壓電源十分相似,不同的是增加了啟動電路,恒流源以及保護電路,為了使穩壓器能在比較大的電壓變化范圍內正常工作,在基準電壓形成和誤差放大部分設置了恒流源電路,啟動電路的作用就是為恒流源建立工作點。Rsc是過流保護取樣電阻RA、RB組成電壓取樣電路實際路是由一個電阻網絡構成,在輸出電壓不同的穩壓器中,采用不同的串、并聯接法,形成不同的分壓比。通過誤差放大之后去控制調整管的工作狀態,以形成和穩定一系列預定的輸出電壓,因此在圖中將RA畫成可變電阻形式。
79系列穩壓器也是一種串聯調整式穩壓電源,但它的調整管處于共射工作狀態,屬集電極輸出型穩壓電路,其工作原理與78系列類似。
二、三端可變穩壓管工作原理
1、作為輸出電壓可變的集成三端穩壓管也有正輸出和負輸出兩種類型。
2、以三端穩壓管LM317為例原理圖:


3、工作原理:LM317的輸出電壓(也就是穩壓電源的輸出電壓)U0為兩個電壓之和,即A、B兩點之間的電壓和加在R2上的電壓,而IR2實際上是兩路電流之和,UR1為恒定電壓1.25V,R1是一個固定電阻,所以,IR1是一個恒定的電流。另一路是LM317調整端流出的電流ID,LM317穩定工作時,它的值基本上恒定。調節R2,則,UR2=R*IR2是隨R2變化的,可見,輸出電壓可以通過R2調節。另外,LM317內含保護功能、工作穩定可靠等。
三端可調輸出穩壓管品種繁多有正輸出系列的也有對應的負輸出系列的,工作原理類似。
三端集成穩壓器的典型應用
⑴固定輸出連接


在使用時必須注意:(VI)和(Vo)之間的關系,以W7805為例,該三端穩壓器的固定輸出電壓是5V,而輸入電壓至少大于8V,這樣輸入/輸出之間有3V的壓差。使調整管保證工作在放大區。但壓差取得大時,又會增加集成塊的功耗,所以,兩者應兼顧,即既保證在最大負載電流時調整管不進入飽和,又不致于功耗偏大。
⑵固定雙組輸出連接


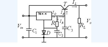
⑶擴大輸出電流連接


二極管D以低消T管VBE壓降而設置,擴大的輸出電流為:,原輸出電流是Io,現可以近似擴大β倍。
三端穩壓管接線說明


輸出電流小于或等于1A.
三端穩壓管是一種直到臨界反向擊穿電壓前都具有很高電阻的半導體器件。穩壓管在反向擊穿時,在一定的電流范圍內(或者說在一定功率損耗范圍內),端電壓幾乎不變,表現出穩壓特性,因而廣泛應用于穩壓電源與限幅電路之中。
因為固定三端穩壓器屬于串聯型穩壓電路,因此它的原理等同于串聯型穩壓電路。
其中R1、Rp、R2組成的分壓器是取樣電路,從輸出端取出部分電壓UB2作為取樣電壓加至三極管T2的基極。穩壓管Dz以其穩定電壓Uz作為基準電壓,加在T2的發射極上。R3是穩壓管的限流電阻。三極管T2組成比較放大電路,它將取樣電壓UB2與基準電壓Uz加以比較和放大,再去控制三極管T1的基極電位。輸入電壓Ui加在三極管T1與負載RL相串聯的電路上,因此,改變T1集電極間的電壓降UCE1便可調節RL兩端的電壓Uo。也就是說,穩壓電路的輸出電壓Uo可以通過三極管T1加以調節,所以T1稱為調整管。由于調整元件是晶體管管,而且在電路中與負載相串聯,故稱為晶體管串聯型穩壓電路。電阻R4和T1的基極偏置電阻,也是T2的集電極負載電阻。
當電網電壓降低或負載電阻減小而使輸出端電壓有所下降時,其取樣電壓UB2相應減小,T2基極電位下降。但因T2發射極電位既穩壓管的穩定Uz保持不變,所以發射極電壓UBE2減小,導致T2集電極電流減小而集電極電位Uc2升高。由于放大管T2的集電極與調整管T1的基極接在一起,故T1基極電位升高,導致集電極電流增大而管壓降UCE1減小。因為T1與RL串聯,所以,輸出電壓Uo基本不變。
同理,當電網電壓或負載發生變化引起輸出電壓Uo增大時,通過取樣、比較放大、調整等過程,將使調整調整管的管壓降UCE1增加,結果抑制了輸出端電壓的增大,輸出電壓仍基本保持不變。
調節電位器Rp,可對輸出電壓進行微調。調整管T1與負載電阻RL組成的是射極輸出電路,所以具有穩定輸出電壓的特點。
在串聯型穩壓電源電路的工作過程中,要求調整管始終處在放大狀態。通過調整管的電流等于負載電流,因此必須選用適當的大功率管作調整管,并按規定安裝散熱裝置。為了防止短路或長期過載燒壞調整管,在直流穩壓器中一般還設有短路保護和過載保護等電路。


7809三端穩壓器接線說明
通常以標識面為準左進右出中間接地。7809三端穩壓器有以下幾部分組成:1、調整電路;2、取樣電路;3、取樣放大;;穩壓過程:設輸出電壓已達到預設電壓。當輸出電壓變化時,取樣電路取得樣本經取樣放大與基準電路比較判斷輸出電壓是向高了變化還是向低了變化,由此控制調整電路工作,促使調整電路調整輸出電壓向低或高變化,直到輸出達到預設電壓。
1、7812三端穩壓器接線:
左邊輸入、中間地線、右邊輸出
2、1912三端穩壓器接線
左邊地線、中間輸入、右邊輸出
烜芯微專業制造二極管,三極管,MOS管,橋堆等20年,工廠直銷省20%,4000家電路電器生產企業選用,專業的工程師幫您穩定好每一批產品,如果您有遇到什么需要幫助解決的,可以點擊右邊的工程師,或者點擊銷售經理給您精準的報價以及產品介紹
烜芯微專業制造二極管,三極管,MOS管,橋堆等20年,工廠直銷省20%,4000家電路電器生產企業選用,專業的工程師幫您穩定好每一批產品,如果您有遇到什么需要幫助解決的,可以點擊右邊的工程師,或者點擊銷售經理給您精準的報價以及產品介紹