24V開關電源,是高頻逆變開關電源中的一個種類。通過電路控制開關管進行高速的道通與截止,將直流電轉化為高頻率的交流電提供給變壓器進行變壓,從而產生所需要的一組或多組電壓。
什么是 24V 電源
24V 電源與 24V 開關電源、24V Ac adapter 名詞相同,AC 輸入 100-240V;DC 輸出 24V 的電源。24V 電源將直流電轉化為高頻交流電的原因是高頻交流在變壓器變壓電路中的效率要比 50HZ 高很多,所以開關變壓器可以做的很小,而且工作時不是很熱,成本較低。
如果不將 50HZ 變為高頻那開關電源就沒有意義。24V 電源大體可以分為隔離和非隔離兩種,隔離型的必定有開關變壓器,而非隔離的未必一定有。

24V 電源工作原理
當市電進入電源后,先通過扼流線圈和電容濾波去除高頻雜波和干擾信號,然后經過整流和濾波得到高壓直流電。接著通過開關電路把高壓直流電轉成高頻脈動直流電,再送高頻開關變壓器降壓。最后濾除高頻交流部份,這樣最后輸出供電腦使用的相對純凈的低壓直流電。
24V 電源的工作原理是:
1. 交流電源輸入經整流濾波成直流;
2. 通過高頻 PWM(脈沖寬度調制)信號控制開關管,將直流加到開關變壓器初級上;
3. 開關變壓器次級感應出高頻電壓,經整流濾波供給負載;
4. 輸出部分通過一定的電路反饋給控制電路,控制 PWM 占空比,以達到穩定輸出的目的。
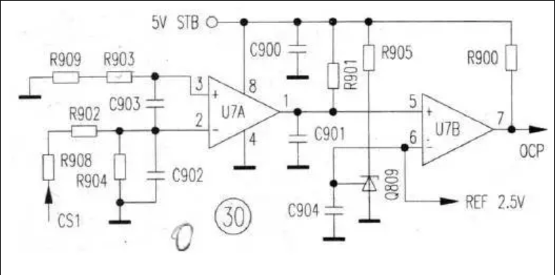
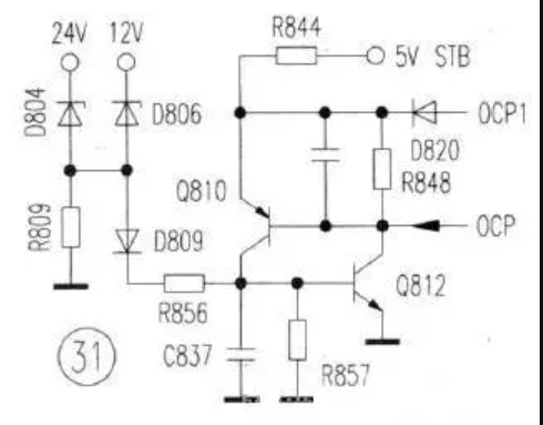
24V 開關電源的電路圖如下所示:


24V 電源作用
開關電源的作用是將一個位準的電壓,透過不同形式的架構轉換為用戶端所需求的電流或電壓。
開關電源利用的切換晶體管在全開模式(飽和區)及全閉模式(截止區)之間切換,這兩個模式都有低耗散的特點,切換之間的轉換會有較高的耗散,但時間很短,因此比較節省能源,產生廢熱較少。開關電源本身是不會消耗電能的。
開關電源的高轉換效率是其一大優點,而且因為開關電源工作頻率高,可以使用小尺寸、輕重量的變壓器,因此開關電源也會比線性電源的尺寸要小,重量也會比較輕。
開關電源產品廣泛應用于工業自動化控制、軍工設備、科研設備、LED 照明、工控設備、通訊設備、電力設備、儀器儀表、醫療設備、半導體制冷制熱;以及消費類電子產品,例如空氣凈化器、冰箱、液晶顯示器、LED 燈具、通訊設備、視聽產品、安防監控、LED 燈帶、電腦機箱、數碼產品和儀器類等領域。
烜芯微專業制造二極管,三極管,MOS管,橋堆等20年,工廠直銷省20%,4000家電路電器生產企業選用,專業的工程師幫您穩定好每一批產品,如果您有遇到什么需要幫助解決的,可以點擊右邊的工程師,或者點擊銷售經理給您精準的報價以及產品介紹
烜芯微專業制造二極管,三極管,MOS管,橋堆等20年,工廠直銷省20%,4000家電路電器生產企業選用,專業的工程師幫您穩定好每一批產品,如果您有遇到什么需要幫助解決的,可以點擊右邊的工程師,或者點擊銷售經理給您精準的報價以及產品介紹