LM741是一種應用非常廣泛的通用型運算放大器。由于采用了有源負載,所以只要兩級放大就可以達到很高的電壓增益和很寬的共模及差模輸入電壓范圍。本電路采用內部補償,電路比較簡單不易自激,工作點穩定,使用方便,而且設計了完善的保護電路,不易損壞。LM741可應用于各種數字儀表及工業自動控制設備中。
LM741 中文資料
CA1458,CA1558(雙運放);CA741C,CA741,LM741(單運放)是高增益運算放大器,用于軍事,工業和商業應用 . 這類單片硅集成電路器件提供輸出短路保護和閉鎖自由運作。這些類型還具有廣泛的共同模式,差模信號范圍和低失調電壓調零能力與使用適當的電位。類型 CA1458,CA1558 沒有具體的終端抵消調零。每一類運放包括一個差分輸入放大器有效驅動增益和發射極跟隨互補輸出。 技術數據類型與相應的臺灣 CA 品牌同類型。

圖 1
圖 1 左側 CA741C,CA741,LM741 封裝管腳圖
圖 1 右側 CA1458,CA1558 ,LM1458 封裝引腳功能圖
上圖為金屬罐形封裝 下圖為 DIP 塑封 CA741,CA741C,LM741,LM741C 芯片引腳和工作說明:1 和 5 為偏置(調零端),2 為正向輸入端,3 為反向輸入端,4 接地,6 為輸出,7 接電源,8 空腳 CA1458, CA1558, LM1458:芯片引腳和工作說明 1 輸出端 A 2 反向輸入端 A 3 正向輸入端 A 4 接地 5 正向輸入端 B 6 反向輸入端 B 7 輸出端 B 8 電源+
LM741 特點:
(1)不需要處部頻率補償
(2)輸入有過壓保護
(3)輸出有過載保護
(4)無阻塞和振蕩現象
LM741 的參數:
絕對最大額定值:(TA=25℃)
電源電壓:士 22V
功耗:500mW
差模輸入電壓:±30V
輸入電壓:±15V
工作溫度范圍:-55℃~+125℃
貯存溫度范圍:-65℃~+150℃
焊接溫度:300℃

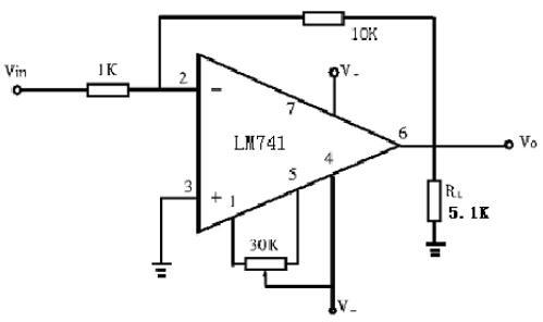
基本接線圖
引腳圖及功能
LM741 是一款 8 引腳 DIP 芯片,這意味著它有 8 個引腳,它們都具有不同的功能。
下面是LM741 運算放大器芯片的引腳圖:

LM741 引腳功能說明

工作原理
LM741 的工作原理:當非反相輸入(+)的電壓高于反相輸入( - )的電壓時,比較器的輸出為高電平。如果反相輸入( - )的電壓高于非反相端(+),則輸出為低電平。運算放大器的輸出是增益和輸入電壓的乘積。
內部結構

內部電路圖
作用和用途
LM741是一種應用非常廣泛的通用型運算放大器。由于采用了有源負載,所以只要兩級放大就可以達到很高的電壓增益和很寬的共模及差模輸入電壓范圍。本電路采用內部補償,電路比較簡單不易自激,工作點穩定,使用方便,而且設計了完善的保護電路,不易損壞。LM741 可應用于各種數字儀表及工業自動控制設備中。
烜芯微專業制造二極管,三極管,MOS管,橋堆等20年,工廠直銷省20%,4000家電路電器生產企業選用,專業的工程師幫您穩定好每一批產品,如果您有遇到什么需要幫助解決的,可以點擊右邊的工程師,或者點擊銷售經理給您精準的報價以及產品介紹
烜芯微專業制造二極管,三極管,MOS管,橋堆等20年,工廠直銷省20%,4000家電路電器生產企業選用,專業的工程師幫您穩定好每一批產品,如果您有遇到什么需要幫助解決的,可以點擊右邊的工程師,或者點擊銷售經理給您精準的報價以及產品介紹