TTL電路是晶體管-晶體管邏輯電路的英文縮寫(Transistor-Transistor-Logic ),TTL電路是數字集成電路的一大門類。它采用雙極型工藝制造,具有高速度低功耗和品種多等特點。
TTL 電路是什么意思
TTL 電路采用雙極型工藝制造,具有高速度和品種多等特點。 從六十年代開發成功第一代產品以來現有以下幾代產品。

第一代 TTL 包括 SN54/74 系列,(其中 54 系列工作溫度為 -55℃~+125℃,74 系列工作溫度為 0℃~+75℃) ,低功耗系列簡稱 lttl,高速系列簡稱 HTTL。
第二代 TTL 包括肖特基箝位系列(STTL)和低功耗肖特基系列(LSTTL)。
第三代為采用等平面工藝制造的先進的 STTL(ASTTL)和先進的低功耗 STTL(ALSTTL)。由于 LSTTL 和 ALSTTL 的電路延時功耗積較小,STTL 和 ASTTL 速度很快,因此獲得了廣泛的應用。
TTL 電路圖

①TTL 集成電路的標準電源電壓為 SV,使用時電源電壓不能高于 5,5 V。不能將電源與地顛倒錯接,RFP8P06E 否則將會因為電流過大而燒毀器件。
②電路的各輸入端不能直接與高于 5.5 V 和低于 -0.5 V 的低電源相連,因為低內阻電源能提供較大的電流,從而導致器件過熱而損壞。
③除三態門和集電極開路的電路外,輸出端不允許并聯使用。
④輸出端不允許與電源和地短接,但可通過電阻與電源相連.以提高輸出電平。
⑤在電源接通時,不要移動或插入集成電路,因為電流的沖擊可能造成芯片損壞。
⑥多余的輸入端最好不要懸空,因為懸空容易受干擾。有時會造成誤碼操作,因此多余輸入端要根據需要處理。例如,與門、與非門的多余輸入端可接到正電源,也可將多余端和使用端并聯使用。不用的或門、或非門的輸入端可直接接地或與使用端并聯使用。觸發器不使用的輸入端也不能懸空,應該根據邏輯功能接入電平,輸入端連線應盡量短,這樣可縮短時序電路中時鐘信號沿傳輸線傳輸的延遲時間。一般不允許觸發器的輸出端直接驅動指示燈、電感負載和長線傳輸,需要時加緩沖器。

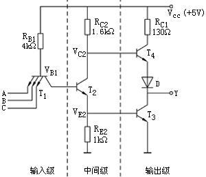
TTL 電路原理
1.TTL 反相器的工作原理
(1)當輸入為高電平,如 vI=3.6V 時,電源 VCC 通過 Rb1 和 T1 的集電結向 T2、T3 提供基極電流,使 T2、T3 飽和,輸出為低電平,vo=0.2V。此時 VB1=VBC1+VBE2+VBE3=(0.7+0.7+0.7)V=2.1V。顯然,這時 T1 的發射結處于反向偏置,而集電結處于正向偏置。所以 T1 處于發射結和集電結倒置使用的放大狀態。由于 T2 和 T3 飽和,輸出 VC3=0.2V,同時可估算出 VC2 的值:
VC2=VCES2+VB3=(0.2+0.7)V=0.9V。此時,VB4=VC2=0.9V。作用于 T4 的發射結和二極管 D 的串聯支路的電壓為 VC2-VO=(0.9-0.2)V=0.7V,顯然,T4 和 D 均截止,實現了反相器的邏輯關系:輸入為高電平時,輸出為低電平。
(2)當輸入為低電平,vI=0.2V 時,T1 的發射結導通,其基極電壓等于輸入低電壓加上發射結正向壓降,即 VB1=(0.2+0.7)V=0.9V。此時 VB1 作用于 T1 的集點結和 T2、T3 的發射結上,所以 T2、T3 都截止,輸出為高電平。由于 T2 截止,VCC 通過 RC2 向 T4 提供基極電流,致使 T4 和 D 導通,其電流流入負載。輸出電壓為 vO≈VCC-VBE4-VD=(5-0.7-0.7)V=3.6V 顯然:輸入為低電平時,輸出為高電平。
2. 采用輸入級以提高工作速度
當 TTL 反相器輸入電壓由高(3.6V)變低(0.2V)的瞬間,VB1=(0.2+0.7)V=0.9V。但由于 T2、T3 原來是飽和的,它們的基區存儲電荷還來不及消散,在此瞬間,T2、T3 的發射結仍處于正向偏置,T1 的集電極電壓為 VC1=VBE2+VBE3=(0.7+0.7)V=1.4V。此時,T1 的集電結為反向偏置,因輸入為低電平時,T1 的發射結為正向偏置,于是 T1 工作在放大區,這時產生基極電流 iB1,其射極電流β1iB1 流入低電平的輸入端。集電極電流 iC2≈β1iB1 的方向是從 T2 的基極流向 T1 的集電極,它很快地從 T2 的基區抽走多余的存儲電荷,使 T2 迅速地脫離飽和而進入截止狀態。T2 的迅速截止導致 T4 立刻導通,相當于 T3 的負載是個很小的電阻,使 T3 的集電極電流加大,多余的存儲電荷迅速從集電極消散而達到截止,從而加速了狀態轉換。
3. 采用推拉式輸出級以提高開關速度和帶負載能力
采用了由 T3、T4 組成推拉式輸出級。其中 T4 組成電壓跟隨器,T3 為共射極電路,作為 T4 的射極負載。這種輸出級的優點是,既能提高開關速度,又能提高帶負載能力。
烜芯微專業制造二極管,三極管,MOS管,橋堆等20年,工廠直銷省20%,4000家電路電器生產企業選用,專業的工程師幫您穩定好每一批產品,如果您有遇到什么需要幫助解決的,可以點擊右邊的工程師,或者點擊銷售經理給您精準的報價以及產品介紹
烜芯微專業制造二極管,三極管,MOS管,橋堆等20年,工廠直銷省20%,4000家電路電器生產企業選用,專業的工程師幫您穩定好每一批產品,如果您有遇到什么需要幫助解決的,可以點擊右邊的工程師,或者點擊銷售經理給您精準的報價以及產品介紹