目前在我國偏遠的山區及農村,電網電壓極不穩定,而且電壓普遍偏低,有的電網電壓只有 120V 左右。在這樣的電網中,電視機及其它家用電器就無法正常使用了。市場上雖有較多的穩壓器,但使用起來效果并不怎么好,且售價較高。為了解決這一問題,特設計了一臺造價不高、元器件易購的穩壓器。
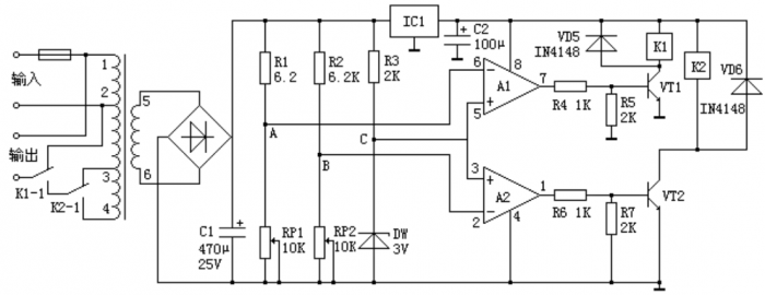
電路原理如下圖所示。


市電從變壓器的 1、2 頭輸入,3、4 頭為自耦調壓抽頭,5、6 頭為控制電路的電源及取樣抽頭。市電電壓正常時,因 C 點電壓始終為 3V(即 R1 降壓 DW 穩壓所得),A、B 點均大于 3V,故 A1、A2 輸出低電平;當市電電壓下降時,5、6 頭的電壓也隨之下降,A 點電壓也跟著下降,當 A 點電壓下降到低于 3V 時,A1 輸出高電平,使三極管 V1 飽和導通,繼電器 K1 吸合,將調壓器輸出調于 1、3 頭;當市電電壓繼續下降時,同理B 點電壓低于3V時,(VA<VB),A2 輸出高電平,使 V2 飽和導通,K2 吸合,將調壓器輸出調于 1、4 頭 ,以達到自耦升壓之目的。
反之,如果電壓升高時,B 點電壓也隨之升高,當 B 點電壓高于 3V 時,A2 輸出低電平,V2 截止,H2 釋放,輸出端調至 1、3 頭;當市電電壓繼續升高時,A 點電壓高于 3V,A1 輸出低電平,V1 截止,K1 釋放,輸出端調至 1、2 頭。A1、A2 為運算放大器,在這里作電壓比較器用;IC1 為三端穩壓塊,它為運算放大器及繼電器提供供電電源;VD5、VD6為保護二極管。
在元器的件選擇上,IC1 選用 LM78L06;A1、A2 選用 LM358;VT1、VT2 選用 9013;繼電器選用 4123、電壓為 6V;DW 選用 3V 穩壓管;VD1~VD4 選用 1N4007,VD6 選用 1N4148;變壓器的鐵芯選用的是 E 型 24 鐵芯,也可根據實際情況選用,線圈參數為:1~2 用 0.22mm 漆包線繞1800圈 ;2~3用0.27mm漆包線繞 400圈 ;3~4用0.27mm漆包線繞850圈 ,5~6 用 0.21mm漆包線繞 145 圈;其它元件參數可按圖中所標注選用。
另外,本穩壓器應安裝在金屬機殼內,并具有較好的散熱孔,在電路裝配完成后將 RP1 及 RP2調至最大阻值,用調壓器將輸入電壓調至 180V,然后調 RP1 將 A 點電壓調整在 2.9V,此時 A1 輸出高電平,V1 導通,繼電器 K1 吸合,將輸出端自動調至 1、3 頭,輸出電壓為 220V左右;然后再調調壓器使輸入電壓為 140V(此時輸出電壓為 180V),調整 RP2,使 B 點電壓為 2.9V,此時 A2 輸出高電平,V2 導通,繼電器 K2 吸合,將輸出端自動調至 1、4 頭 ,使輸出電壓再次升高到 220V 左右。按圖中所給數據,在電網電壓低至 120V 時,電視機仍能正常收看。需要說明的是:由于繼電器的吸合電流大于釋放電流,輸出電壓會有一定的誤差,需要反復調整 RP1 和 RP2,以達到最佳狀態。
烜芯微專業制造二極管,三極管,MOS管,橋堆等20年,工廠直銷省20%,4000家電路電器生產企業選用,專業的工程師幫您穩定好每一批產品,如果您有遇到什么需要幫助解決的,可以點擊右邊的工程師,或者點擊銷售經理給您精準的報價以及產品介紹
烜芯微專業制造二極管,三極管,MOS管,橋堆等20年,工廠直銷省20%,4000家電路電器生產企業選用,專業的工程師幫您穩定好每一批產品,如果您有遇到什么需要幫助解決的,可以點擊右邊的工程師,或者點擊銷售經理給您精準的報價以及產品介紹