開關電源如今在行業中的應用非常廣泛,為多種終端應用提供高能效方案。它們常用于計算機、電動工具、電視、多媒體平板電腦、智能手機、汽車及其它不計其數電子設備的電源及電池充電電路。
消費類電子行業應用最普及的轉換器之一是DC-DC降壓(step-down,亦稱buck)轉換器。
簡而言之,同步降壓轉換器用于將電壓從較高的電平降至較低的電平。隨著業界轉向更高性能的平臺,電源轉換器的能效成為設計的一項關鍵考慮因素。因此,重要的是理解同步降壓轉換器的基礎知識,以及怎樣恰當地選擇電路元件。
同步降壓轉換器基礎
同步降壓轉換器的概念簡單,它產生低于輸入電壓的穩壓電壓,可以提供大電流,同時將功率損耗降至最低。


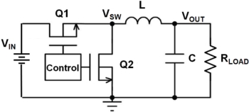
圖1:同步降壓轉換器電路圖。
同步降壓轉換器包含2顆功率MOSFET、1顆輸出電感及1顆輸出電容。此特定降壓拓撲結構的名稱于它的2顆功率MOSFET的控制方法;導通/關斷(on/off)控制被同步,以提供經過穩壓的輸出電壓,并防止2顆MOSFET同時導通。
高邊MOSFET(Q1)直接連接至電路的輸入電壓。當Q1導通時,電流通過它提供給負載。在此期間,低邊MOSFET(Q2)關斷,流過電感的電流增加,為電感電容(LC)濾波器充電。當Q1關斷時,Q2導通,此時電流通過它提供給負載。在此期間,渡過電感的電流減小,使LC濾波器放電。當兩顆MOSFET都關斷時,低邊MOSFET提供額外功能,即通過本體二極管對開關節點電壓來鉗位,以防止高邊晶體管首先關斷時開關電壓(VSW)升至太高的負值。
開關節點電壓被LC輸出段弄得更平順,從而在輸出端產生穩壓直流電壓。兩顆MOSFET被同步控制以防止擊穿(shoot-through),而當高邊及低邊MOSFET同時處于導通狀態時,產生直接對地短路,會發生擊穿現象。
高邊MOSFET導通時間決定了電路的占空比(duty cycle)。如果占空比等于1,那么高邊MOSFET在全部占空比均處于導通狀態,輸出電壓等于輸入電壓。占空比為0.1表示高邊MOSFET僅有10%時間導通,產生的輸出電壓約為輸入電壓的10%。
降壓轉換器功率損耗
降壓轉換器功率損耗受多種因素影響,包括功率MOSFET輸出段、控制器/驅動器、反饋回路及轉換器本身的布線。大多數降壓轉換器設計的占空比小于0.5,而計算機及服務器市場的降壓轉換器標準占空比是0.1至0.2。
設計平臺正轉向更高開關頻率,能夠減小轉換器尺寸及外形因數。同時,轉換器必須提供更高性能及更高能效。輸出段性能大幅影響降壓轉換器整體性能。因此,重要的是針對特定應用優化電感及電容選擇。
LC輸出段
同步降壓轉換器的輸出段由電感及電容組成。它儲存及為負載提供能量,使開關節點電壓變得平順以產生恒定輸出電壓。
電感選擇直接影響電感電流中的電流紋波的量,以及降壓轉換器本身的電流能力。不同制造商制造的電感在材料及電感值方面會有差異,公差通常為± 20%.電感包含固有的直流阻抗(即DCR),會影響輸出段的性能。將DCR降至最低,即提升轉換器的整體性能。對于要求大負載電流的應用而言,建議選擇帶低DCR的電感。電感值較低的電感DCR也較低,但在電感與紋波電流之間有折衷;電感越低,流過電感的紋波電流越大。必須達到最低電感,以符合特定應用電路的紋波電流要求。
輸出電容直接影響轉換器輸出電壓、輸出反饋回路的響應時間,以及負載電流變化時出現的輸出電壓過沖的量。直流輸出端存在紋波電壓,因為流過電感及電容的電流上升及下降。增加電容會減小存在的紋波電壓的量。然而,在電容與輸出回應之間存在折衷。增加電容減小輸出電壓紋波及輸出電壓過沖,但延長了使輸出電壓回路回應負載變化所需的時間。因此,必須考慮最小電容,以符合轉換器的紋波電壓及電壓過沖要求,同時維持足以快速回應負載變化的反饋回路。
電容也包含寄生串行電阻,也就是等效串行電阻(ESR)。ESR影響輸出電壓紋波及轉換器整體能效。因此,設計人員正轉向低ESR設計。表面貼裝陶瓷電容在要求高性能、小外形因子的系統中正變得盛行。使用并行的多顆電容使設計人員能夠提供系統要求的電容,同時大幅減小等效的ESR。
基本LC設計
設計降壓轉換器輸出段時,建議從電感開始。最小電感根據目標紋波電流及其它應用電路規范來計算。一旦選擇好了電感,就可以確定最小電容。
在電感與紋波電流之間存在折衷。目標紋波電流越少,就相當于最小電感越大。為了最佳化輸出濾波器性能,建議設定20%至40%的目標電感紋波電流。
需要計算最大ESR及最小電容,從而在高邊MOSFET關斷時維持穩壓轉出電壓,以及將輸出電壓上存在的紋波的量降至最低。輸出電壓紋波可以表達為峰值-峰值電壓,或者以電容電壓比(CVR)的形式來表述。
輸出電容值及ESR越大,輸出回應負載變化所需經歷的時間就越長。ESR也影響輸出電壓紋波。
當高邊MOSFET導通時,流過電感及電容的電流增加,輸出電壓也增加。當高邊MOSFET關斷時,流過電感及電容的電流下降,輸出電壓也下降。為了提供恒定輸出電壓,轉出電流增加的量必須等于電容電流減小的量。因此,流過電容的穩態電流為0 A。
除了顧及輸出紋波電壓及電感紋波電壓對輸出電容的影響,也必須顧及輸出段的瞬時負載回應能力。同步降壓轉換器必須能夠回應負載電流變化,同時維持穩壓輸出電壓。當負載電流從較高值變為較低值時,輸出電壓將暫時增加,直到轉換器能夠調節占空比,以使輸出電壓返回至它的穩壓值。此暫時輸出電壓增加稱作輸出電壓過沖。當負載從最大負載過渡到空載時,就出現最壞情況過沖。輸出電容必須能夠處理此瞬時條件。輸出電壓瞬時回應與輸出電壓紋波之間存在折衷。此兩項因素必須平衡取舍以滿足特定應用需求。
選擇電容時一個好的經驗法則是選擇值比計算的最小電容高最少20%的輸出電容,從而顧及到電壓公差。
降壓轉換器輸出濾波器設計影響輸出電流紋波、輸出電壓紋波、輸出電壓過沖以及反饋回路的瞬時回應。元件選擇也影響轉換器的能效。影響同步降壓轉換器能效的最大因素是輸出電感選擇。電感值及DCR都會大幅影響性能。
結論
同步降壓轉換器的輸出段在轉換器性能方面發揮重要作用。為了達到目標紋波電流、輸出紋波電壓及輸出過沖,必須選擇超過最小電感值和最小電容值的電感和電容。當針對特定應用選擇電感及電容時,還必須顧及其它因素。輸出段可以通過針對它將工作的特定應用標準來設計而最佳化。
電感值在輸出紋波電流以及轉換器的能效性能方面發揮重要作用。此外,輸出電容較高時,輸出電壓紋波也會改善。轉換器的能效受使用的電感的DCR大幅影響。
電感與電感飽和電流之間存在折衷。因此,為了符合或超越紋波電流要求,電感必須大于計算的最小電感值,而電感飽和電流必須大于最大負載時轉換器的峰值電流。
電容也在同步降壓轉換器性能方面發揮重要作用。輸出電容直接影響電壓紋波的量及輸出段的電壓過沖。然而,電容對轉換器的能效性能的影響極小。
烜芯微專業制造二極管,三極管,MOS管,橋堆等20年,工廠直銷省20%,4000家電路電器生產企業選用,專業的工程師幫您穩定好每一批產品,如果您有遇到什么需要幫助解決的,可以點擊右邊的工程師,或者點擊銷售經理給您精準的報價以及產品介紹
烜芯微專業制造二極管,三極管,MOS管,橋堆等20年,工廠直銷省20%,4000家電路電器生產企業選用,專業的工程師幫您穩定好每一批產品,如果您有遇到什么需要幫助解決的,可以點擊右邊的工程師,或者點擊銷售經理給您精準的報價以及產品介紹