遍觀所有模擬電子技術的書籍和課程,在介紹運算放大器電路的時候,無非是先給電路來個定性,比如這是一個同向放大器,然后去推導它的輸出與輸入的關系,然后得出Vo=(1+Rf)Vi,那是一個反向放 大器,然后得出Vo=-Rf*Vi……最后學生往往得出這樣一個印象:記住公式就可以了!如果我們將電路稍稍變換一下,他們就找不著北了!偶曾經面試過至 少100個以上的大專以上學歷的電子專業應聘者,結果能將我給出的運算放大器電路分析得一點不錯的沒有超過10個人!其它專業畢業的更是可想而知了。
今天,芯片級維修教各位戰無不勝的兩招,這兩招在所有運放電路的教材里都寫得明白,就是“虛短”和“虛斷”,不過要把它運用得出神入化,就要有較深厚的功底了。
虛短和虛斷的概念
由于運放的電壓放大倍數很大,一般通用型運算放大器的開環電壓放大倍數都在80 dB以上。而運放的輸出電壓是有限的,一般在 10 V~14 V。因此運放的差模輸入電壓不足1 mV,兩輸入端近似等電位,相當于 “短路”。開環電壓放大倍數越大,兩輸入端的電位越接近相等。
“虛短”是指在分析運算放大器處于線性狀態時,可把兩輸入端視為等電位,這一特性稱為虛假短路,簡稱虛短。顯然不能將兩輸入端真正短路。
由于運放的差模輸入電阻很大,一般通用型運算放大器的 輸入電阻都在1MΩ以上。因此流入運放輸入端的電流往往不足1uA,遠小于輸入端外電路的電流。故 通??砂堰\放的兩輸入端視為開路,且輸入電阻越大,兩輸入端越接近開路。“虛斷”是指在分析運放處于線性狀態時,可以把兩輸入端視為等效開路,這一特性稱 為虛假開路,簡稱虛斷。顯然不能將兩輸入端真正斷路。
在分析運放電路工作原理時,首先請各位暫時忘掉什么同向放大、反向放大,什么加法器、減法器,什么差動輸入……暫時忘掉那些輸入輸出關系的公式……這些東東只會干擾你,讓你更糊涂﹔也請各位暫時不要理會輸入偏置電流、共模抑制比、失調電壓等電路參數,這是設計者要考慮的事情。我們理解的就是理想放大器(其實在維修中和大多數設計過程中,把實際放大器當做理想放大器來分析也不會有問題)。
好了,讓我們抓過兩把“板斧”------“虛短”和“虛斷”,開始“庖丁解牛”了。


圖一運放的同向端接地=0V,反向端和同向端虛短,所以也是0V,反向輸入端輸入電阻很高,虛斷,幾乎沒有電流注入和流出,那么R1和R2相當于是串聯 的,流過一個串聯電路中的每一只組件的電流是相同的,即流過R1的電流和流過R2的電流是相同的。流過R1的電流I1 = (Vi - V-)/R1 ……a 流過R2的電流I2 = (V- - Vout)/R2 ……b V- = V+ = 0 ……c I1 = I2 ……d 求解上面的初中代數方程得Vout = (-R2/R1)*Vi 這就是傳說中的反向放大器的輸入輸出關系式了。


圖二中Vi與V-虛短,則 Vi = V- ……a 因為虛斷,反向輸入端沒有電流輸入輸出,通過R1和R2 的電流相等,設此電流為I,由歐姆定律得: I = Vout/(R1+R2) ……b Vi等于R2上的分壓, 即:Vi = I*R2 ……c 由abc式得Vout=Vi*(R1+R2)/R2這就是傳說中的同向放大器的公式了。


圖三中,由虛短知: V- = V+ = 0 ……a 由虛斷及基爾霍夫定律知,通過R2與R1的電流之和等于通過R3的電流,故 (V1 – V-)/R1 + (V2 – V-)/R2 = (Vout – V-)/R3 ……b 代入a式,b式變為V1/R1 + V2/R2= Vout/R3 如果取R1=R2=R3,則上式變為Vout=V1+V2,這就是傳說中的加法器了。
(編輯者注)質疑:(V1 – V-)/R1 + (V2 – V-)/R2 =(V- – Vout)/R3 ……b 圖三公式中少了個負號?


請看圖四。因為虛斷,運放同向端沒有電流流過,則流過R1和R2的電流相等,同理流過R4和R3的電流也相等。故 (V1 – V+)/R1 = (V+ - V2)/R2 ……a (Vout – V-)/R3 = V-/R4 ……b 由虛短知: V+ = V- ……c 如果R1=R2,R3=R4,則由以上式子可以推導出 V+ = (V1 + V2)/2 V- =Vout/2 故 Vout = V1 + V2 也是一個加法器,呵呵!


圖五由虛斷知,通過R1的電流等于通過R2的電流,同理通過R4的電流等于R3的電流,故有 (V2– V+)/R1 = V+/R2 ……a (V1 – V-)/R4 = (V- - Vout)/R3 ……b 如果R1=R2, 則V+ = V2/2 ……c 如果R3=R4, 則V- = (Vout + V1)/2 ……d 由虛短知 V+ = V- ……e 所以 Vout=V2-V1 這就是傳說中的減法器了。


圖六電路中,由虛短知,反向輸入端的電壓與同向端相等,由虛斷知,通過R1的電流與通過C1的電流相等。通過R1的電流i=V1/R1 通過C1的電流i=C*dUc/dt=-C*dVout/dt所以 Vout=((-1/(R1*C1))∫V1dt 輸出電壓與輸入電壓對時間的積分成正比,這就是傳說中的積分電路了。若V1為恒定電壓U,則上式變換為Vout = -U*t/(R1*C1) t 是時間,則Vout輸出電壓是一條從0至負電源電壓按時間變化的直線。


圖七中由虛斷知,通過電容C1和電阻R2的電流是相等的,由虛短知,運放同向端與反向端電壓是相等的。則: Vout = -i * R2 = -(R2*C1)dV1/dt 這是一個微分電路。如果V1是一個突然加入的直流電壓,則輸出Vout對應一個方向與V1相反的脈沖。


圖八由虛短知 Vx = V1 ……a Vy = V2 ……b由虛斷知,運放輸入端沒有電流流過,則R1、R2、R3可視為串聯,通過每一個電阻的 電流是相同的, 電流I=(Vx-Vy)/R2 ……c 則: Vo1-Vo2=I*(R1+R2+R3) = (Vx-Vy)(R1+R2+R3)/R2 ……d 由虛斷知,流過R6與流過R7的電流相等,若R6=R7, 則Vw = Vo2/2 ……e 同理若R4=R5,則Vout – Vu = Vu – Vo1,故Vu = (Vout+Vo1)/2 ……f 由虛短知,Vu = Vw ……g 由efg得 Vout = Vo2 – Vo1 ……h 由dh得 Vout = (Vy –Vx)(R1+R2+R3)/R2 上式中(R1+R2+R3)/R2是定值,此值確定了差值(Vy –Vx)的放大倍數。這個電路就是傳說中的差分放大電路了。


分析一個大家接觸得較多的電路。很多控制器接受來自各種檢測儀表的0~20mA或4~20mA電流,電路將此電流轉換成電壓后再送ADC轉換成數字信號,圖九就是這樣一個典型電路。如圖4~20mA電流流 過采樣100Ω電阻R1,在R1上會產生0.4~2V的電壓差。由虛斷知,運放輸入端沒有電流流過,則流過R3和R5的電流相等,流過R2和R4的電流相 等。故: (V2-Vy)/R3 = Vy/R5 ……a (V1-Vx)/R2= (Vx-Vout)/R4 ……b 由虛短知: Vx = Vy ……c 電流從0~20mA變化,則V1 = V2 + (0.4~2) ……d 由cd式代入b式得(V2 +(0.4~2)-Vy)/R2 = (Vy-Vout)/R4 ……e 如果R3=R2,R4=R5,則由e-a得Vout =-(0.4~2)R4/R2 ……f 圖九中R4/R2=22k/10k=2.2,則f式Vout = -(0.88~4.4)V,即是說,將4~20mA電流轉換成了-0.88 ~ -4.4V電壓,此電壓可以送ADC去處理。


電流可以轉換成電壓,電壓也可以轉換成電流。圖十就是這樣一個電路。上圖的負反饋沒有通過電阻直接反饋,而是串聯了三極管Q1的發射結,大家可不要以為是一個比較器就是了。只要是放大電路,虛短虛斷的規律仍然是符合的!
由虛斷知,運放輸入端沒有電流流過,
則 (Vi – V1)/R2 = (V1 – V4)/R6 ……a
同理 (V3 – V2)/R5 = V2/R4 ……b
由虛短知 V1 = V2 ……c
如果R2=R6,R4=R5,則由abc式得V3-V4=Vi
上式說明R7兩端的電壓和輸入電壓Vi相等,則通過R7的電流I=Vi/R7,如果負載RL<<100KΩ,則通過Rl和通過R7的電流基本相同。


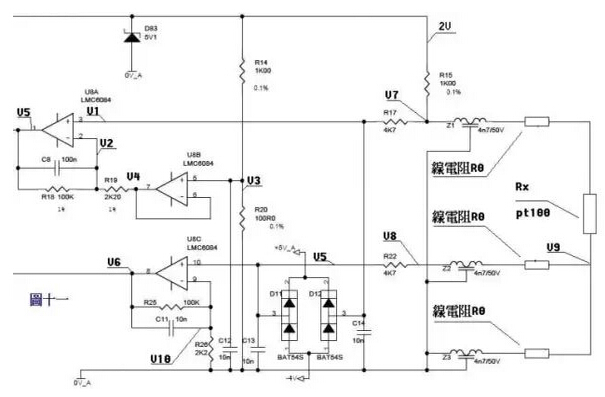
來一個復雜的,呵呵!圖十一是一個三線制PT100前置放大電路。PT100傳感器引出三根材質、線徑、長度完全相同的線,接法如圖所示。有2V的電壓加在由R14、R20、R15、Z1、PT100及其線電阻組成的橋電路上。Z1、Z2、Z3、D11、D12、D83及各電容在電路中起濾波和保護作用,靜態分析時可不予理會,Z1、Z2、Z3可視為短路,D11、D12、D83及各電容可視為開路。由電阻分壓知, V3=2*R20/(R14+20)=200/1100=2/11 ……a 由虛短知,U8B第6、7腳 電壓和第5腳電壓相等 V4=V3 ……b 由虛斷知,U8A第2腳沒有電流流 過,則流過R18和R19上的電流相等。(V2-V4)/R19=(V5-V2)/R18 ……c 由虛斷知,U8A第3腳沒有電流流過, V1=V7 ……d 在橋電路中R15和Z1、PT100及線電阻串聯,PT100與線電阻串聯分得的電壓通過電阻R17加至U8A的第3腳,V7=2* (Rx+2R0)/(R15+Rx+2R0) …..e 由虛短知,U8A第3腳和第2腳電壓相等, V1=V2……f 由abcdef得,(V5-V7)/100=(V7-V3)/2.2 化簡得 V5=(102.2*V7-100V3)/2.2 即 V5=204.4(Rx+2R0)/(1000+Rx+2R0) – 200/11 ……g 上式輸出電壓V5是Rx的函數我們再看線電阻的 影響。Pt100最下端線電阻上產生的電壓降經過中間的線電阻、Z2、R22,加至U8C的第10腳,由虛斷知, V5=V8=V9=2*R0/(R15+Rx+2R0) ……a(V6-V10)/R25=V10/R26 ……b 由虛短知, V10=V5 ……c 由式abc得V6=(102.2/2.2)V5=204.4R0/[2.2(1000+Rx+2R0)] ……h 由式gh組成的方程組知,如果測出V5、V6的值,就可算出Rx及R0,知道Rx,查pt100分度表就知道溫度的大小了。
烜芯微專業制造二極管,三極管,MOS管,橋堆等20年,工廠直銷省20%,上萬家電路電器生產企業選用,專業的工程師幫您穩定好每一批產品,如果您有遇到什么需要幫助解決的,可以點擊右邊的工程師,或者點擊銷售經理給您精準的報價以及產品介紹
烜芯微專業制造二極管,三極管,MOS管,橋堆等20年,工廠直銷省20%,上萬家電路電器生產企業選用,專業的工程師幫您穩定好每一批產品,如果您有遇到什么需要幫助解決的,可以點擊右邊的工程師,或者點擊銷售經理給您精準的報價以及產品介紹