LM386是音頻功率放大器,主要應用于低電壓消費類產品。為使外圍元件最少,電壓增益內置為20。但在1腳和8腳之間增加一只外接電阻和電容,便可將電壓增益調為任意值,直至200。輸入端以地位參考,同時輸出端被自動偏置到電源電壓的一半,在6V電源電壓下,它的靜態功耗僅為24mW,使得LM386特別適用于電池供電的場合。下面將介紹其的應用電路:
1.放大器增益20電路

圖1 放大器增益20的電路圖
圖1的應用電路為增益20的情形,于pin1及pin8間加一個10μF的電容即可使增益變成200
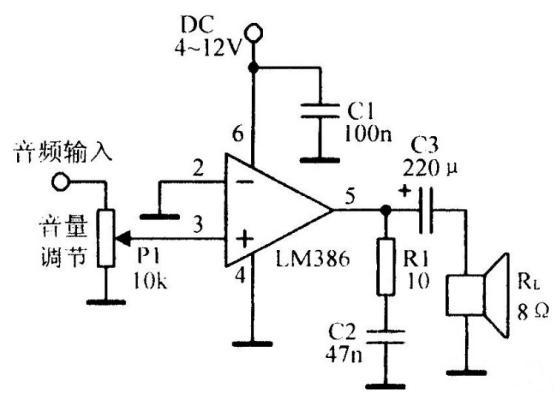
2.放大器增益200電路

圖2 放大器增益200的電路圖
如圖2所示。圖中10千歐的可變電阻是用來調整揚聲器音量大小,若直接將Vin輸入即為音量最大的狀態。
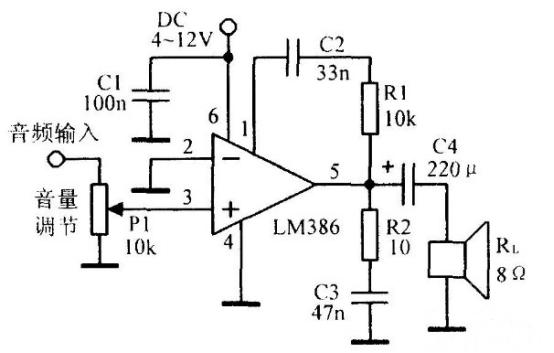
3.電壓增益20放大電路
電壓增益為20的放大電路:

圖3 電壓增益20的放大電路圖
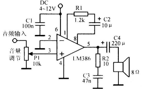
4.電壓增益50放大電路
電壓增益為50的放大電路:

圖4 電壓增益50的放大電路
5.電壓增益200放大電路
電壓增益為200的放大電路:在85Hz具有6db增益的放大電路:

圖6 具有6db增益的放大電路
6.收音機功率放大
用于收音機中的LM386:調幅收音機功率放大器

圖7 調幅收音機功率放大器電路圖
7.電池供電電路

圖8 電池供電的設計圖
比如:在電源線上加上去耦電容,對于電池供電的設計來說,0.05mF的電容應該就夠了,而對于其他的設計或者電源線過長的話,100mF的電解電容再并聯一個0.05~0.1mF的瓷片電容效果會更好。對于一些朋友來說,他們還會習慣在7腳上接上一個旁路電容,不過這不是必要的。

圖9 重低音加強的電路接法
除此之外,還有一種“重低音加強”的電路接法,和過去的磁帶錄音機上的功能很像,不過它的原理就是在輸出端加一個低通濾波器,把高頻部分濾出,這樣聽起來就像是中頻和低頻信號得到了加強一樣,在部分電動玩具上,這種電路可以使得聲音更加清楚。
以上就是LM386的典型應用電路介紹了。雖然LM386已經不再是一款非常流行的芯片,然而在DIY領域,仍然是非常流行的一款音頻放大器芯片。它就像是錘子和鉗子一樣,平常我們注意不到它的存在,但是一旦需要的時候,它總是那么可靠。
電話:18923864027(同微信)
QQ:709211280
〈烜芯微/XXW〉專業制造二極管,三極管,MOS管,橋堆等,20年,工廠直銷省20%,上萬家電路電器生產企業選用,專業的工程師幫您穩定好每一批產品,如果您有遇到什么需要幫助解決的,可以直接聯系下方的聯系號碼或加QQ/微信,由我們的銷售經理給您精準的報價以及產品介紹