為了解決瞬態失真的問題,筆者將LM3886 功放典型應用電路改為電流負反饋型,用電阻把流過揚聲器音圈的電流取樣反饋給功放輸入端,把揚聲器系統也包含在反饋系統之內。
1.典型的功放電路
用LM3886制作的功率放大電路,它由前置和功放兩部分組成。前置用一塊集成運算放大器NE5534構成反相放大器,提供5倍左右的電壓增益。后級功放則由LM3886擔任,它提供約10倍的電壓增益,因此只要在輸入端輸入約0.5V的信號即可達到滿功率輸出。圖1只給出了LM3886雙電源供電電路,它亦可以在單電源工作。從音質方面考慮,對音頻音響功放電路一般不采用單電源而采用雙電源。

圖1 典型功放電路圖
LM3886 的典型應用電路采用的是傳統的電壓負反饋模式。電壓負反饋能改善功放的頻率特性,降低非線性失真,但聲音缺乏力度。隨著音量的增大,低頻會變得發緊、干硬,失真增加,同時高頻變得尖刻、刺耳,音樂層次和清晰度大大降低,這就是通常所說的瞬態互調失其,主要是由于功放引入深度負反饋引起的。電壓型負反饋對改善功放的非線性失真有效,但對瞬態失真卻不能同時兼顧。
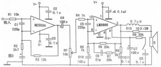
2.改進的功放電路
改進后的電路如圖2所示。功放的低頻譜益由R3 和R4 的比值決定,C3 和R5 決定功放的高頻增益。由于C3在低頻下的容抗較大,使電流反饋在低頻終止,而高頻則通過電流負反饋得到改善,結果是總的帶寬得到改善,瞬態失真大大降低。反饋部分元件的取值應根據揚聲器的阻抗和電感等參數作適當選擇,使低頻增益為高頻增益的2~3 倍為佳。以往的功率放大器往往將頻率特性設計為平坦型的,這并不能獲得很好的音響效果。為了改善功率放大器的放音效果,應利用負反饋電路有意識地提升低頻增益,才能達到最佳效果,這也符合當今家庭影院大動態音效的要求。

圖2 基于LM3886的功放電路原理圖
該機放音效果極佳。低頻延伸增加,富有彈性;高頻清晰、流暢,解析力大大提高,金屬聲蕩然無存。即使音量比改動前提高一倍也沒有聽到明顯的失真。
電話:18923864027(同微信)
QQ:709211280
〈烜芯微/XXW〉專業制造二極管,三極管,MOS管,橋堆等,20年,工廠直銷省20%,上萬家電路電器生產企業選用,專業的工程師幫您穩定好每一批產品,如果您有遇到什么需要幫助解決的,可以直接聯系下方的聯系號碼或加QQ/微信,由我們的銷售經理給您精準的報價以及產品介紹