74LS48芯片是一種常用的七段數碼管譯碼器驅動器,常用在各種數字電路和單片機系統的顯示系統中,本文將介紹74LS48的引腳、真值表、邏輯功能及常用電路等等。
1.74LS48概述
7段顯示譯碼器74LS48是輸出高電平有效的譯碼器,74LS48除了有實現7段顯示譯碼器基本功能的輸入(DCBA)和輸出(Ya~Yg)端外,7448還引入了燈測試輸入端(LT)和動態滅零輸入端(RBI),以及既有輸入功能又有輸出功能的消隱輸入/動態滅零輸出(BI/RBO)端。

74LS48
2.74LS48引腳圖

圖1 74LS48的引腳排列

74LS48真值表
4.74LS48邏輯圖
圖2給出了7448的邏輯圖,方框圖和符號圖。由符號圖可以知道,4號管腳端具有輸入和輸出雙重功能。作為輸入(BI)低電平時,G21為0,所有字段輸出置0,即實現消隱功能。作為輸出(RBO),相當于LT,及CT0的與墳系,即LT=1,RBI=0,DCBA=0000時輸出低電平,可實現動態滅零功能。3號(LT)端有效低電平時,V20=1,所有字段置1,實現燈測試功能。

圖27448的邏輯圖,方框圖和符號圖
5.邏輯功能
由7448真值表可獲知7448所具有的邏輯功能:
(1)7段譯碼功能(LT=1,RBI=1)
在燈測試輸入端(LT)和動態滅零輸入端(RBI)都接無效電平時,輸入DCBA經7448譯碼,輸出高電平有效的7段字符顯示器的驅動信號,顯示相應字符。除DCBA = 0000外,RBI也可以接低電平,見表1中1~16行。
(2)消隱功能(BI=0)
此時BI/RBO端作為輸入端,該端輸入低電平信號時,表1倒數第3行,無論LT 和RBI輸入什么電平信號,不管輸入DCBA為什么狀態,輸出全為“0”,7段顯示器熄滅。該功能主要用于多顯示器的動態顯示。
(3)燈測試功能(LT = 0)
此時BI/RBO端作為輸出端, 端輸入低電平信號時,表1最后一行,與 及DCBA輸入無關,輸出全為“1”,顯示器7個字段都點亮。該功能用于7段顯示器測試,判別是否有損壞的字段。
(4)動態滅零功能(LT=1,RBI=1)
此時BI/RBO端也作為輸出端,LT 端輸入高電平信號,RBI 端輸入低電平信號,若此時DCBA = 0000,表1倒數第2行,輸出全為“0”,顯示器熄滅,不顯示這個零。DCBA≠0,則對顯示無影響。該功能主要用于多個7段顯示器同時顯示時熄滅高位的零。
6.常用電路圖

圖3 高低電平控制數碼管
74ls48的輸入端A B C D是8421碼,D是高位,通過A B C D 的高低電平控制數碼管的顯示,如圖3: A是高電平,B C D 是低電平, 表示十進制“1”,因此數碼管顯示“1”。 千萬別把數碼管選錯了,共陰和共陽極數碼管不同。

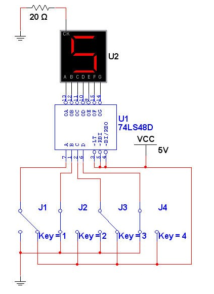
圖4 在MulTIsim10中使用74LS48電路
在MulTIsim10中使用74LS48電路見圖,模塊沒有錯誤。為了省事,直接了一個限流電阻,20Ω,仿真正確工作。如果真實電路,應該在每段加300Ω限流電阻。
電話:18923864027(同微信)
QQ:709211280
〈烜芯微/XXW〉專業制造二極管,三極管,MOS管,橋堆等,20年,工廠直銷省20%,上萬家電路電器生產企業選用,專業的工程師幫您穩定好每一批產品,如果您有遇到什么需要幫助解決的,可以直接聯系下方的聯系號碼或加QQ/微信,由我們的銷售經理給您精準的報價以及產品介紹