電感器和電容器一樣,也是一種儲能元件,它能把電能轉變為磁場能,并在磁場中儲存能量。其產生的自感電動勢總是阻止線圈中的電流變化的,故對交流電有阻力,對直流電路近似短路。電感器這種特性與電容器正好相反,所以利用電感、電容就可組成各種高頻、低頻濾波器、調諧回路、選頻電路、振蕩回路、補償電路、延遲回路及阻流器等,在電路中發揮著重要作用。下面一起來看看:
1.應用電路
1.1串并聯電路
(1)串聯
如圖所示,兩個電感串聯。電感的串聯和電阻的串聯形式是一樣的,兩只電感器首尾相連。電感串聯后總的電感量是兩個電感的電感量之和。

串聯電路
(2)并聯
如圖所示,兩個電感并聯。電感的并聯和電阻的并聯一樣,電感并聯之后總的電感量為兩只電感量的倒數之和。

并聯電路
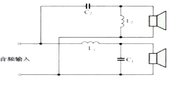
1.2分頻電路
下圖是音響電路的分頻電路圖。電感線圈L1和L2為空心密繞線圈,它們與C 1 、C2 組成分頻網絡.對高、低音進行分頻,以改善放音效果。

分頻電路
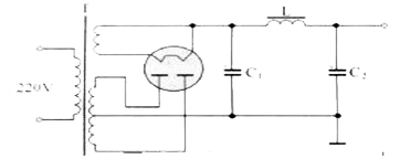
1.3濾波電路
下圖是電子管擴音機的電源濾波電路圖。圖中L為插有硅鋼片的鐵心線圈,又稱為低頻扼流圈。它在電路中的作用是阻止殘余交流電通過,而僅讓直流電通過。

濾波電路
1.4選頻與阻流
下圖所示電路是單管半導體收音機電路。其中VT,為高頻半導體管,它是用來進行來復放大的。L1為天線線圈,它是在磁棒上用多股導線繞制而成的。L1與C1,C2組成并聯諧振電路,對磁棒天線接收到的無線電信號進行選頻,選出的信號由L1感應到L2,由VT1,進行放大,放大了的信號送到L3,L3為一固定電感器,其作用是利用感抗阻止高頻信號進入耳機,而僅讓音頻信號通過。

選頻與阻流
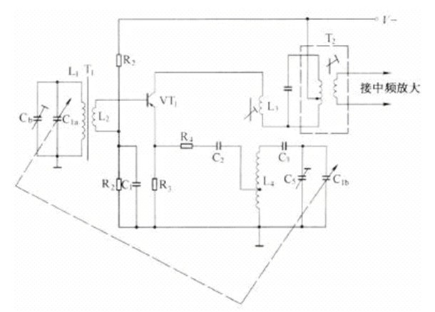
1.5與電容器組成振蕩回路
下圖所示電路是超外差半導體收音機中的變頻器電路。L4為振蕩線圈,它與C1b 組成本機振蕩回路;L3為反饋線圈。本機振蕩的信號由C2 、凡送入VT,發射極,與由L1、C1a選擇出來的廣播信號在VT1內進行棍頻。混頻后的信號從VT1集電極輸出,并由中頻變壓器T2 檢出465kHz 中頻信號送往中頻放大器。

電感器與電容器組成振蕩回路
1.6補償電路
利用電感器的感抗隨頻率變化的特性,可進行頻率補償。下圖是某電視機的視放電路,其高頻補償電路由L15 、L16 組成。L16 與VT15 的集電極負載R80串聯,使總的負載阻抗為z = R80 + XL16 ,頻率越高,感抗X L16越大,使高頻增益增大。同時L16 與顯像管的輸入電容和分布電容形成并聯諧振。選取合適的L16值使其諧振在放大器增益衰減的頻率上,可以提高諧振點上的增益。L15串聯在VT15與顯像管陰極之間,當頻率增加時,感抗XL15 增大,使R80與X L15的井聯阻抗增大,即高頻負載電阻增加,也會起到提高高頻增益的作用。

補償電路
1.7LC諧振電路
如圖所示為收音機LC諧振電路,這是由電感器與電容器組成的諧振選頻電路。可變電感器L與電容器C1組成調諧回路,通過調節電感即可改變諧振頻率,從而達到選臺的作用。

LC諧振電路
1.8延遲作用
電感線圈在電路中還可起到延遲作用,使輸出的信號與輸入的信號基本不變,而只使輸出延遲一段時間,即信號的幅度不變,而僅相位發生變化。
2.注意事項
(1)以儀表測試電感值與Q值時,為求數據正確,測試引線應盡量接近元件本體。
(2)電感類元件,其鐵心與繞線容易因溫升效果產生感量變化,需注意其本體溫度必須在使用規格范圍內。
(3)電感器之各層繞線間,尤其是多圈細線,亦會產生間隙電容量,造成高頻信號旁路,降低電感器之實際濾波效果。
(4)電感器之繞線,在電流通過后容易形成電磁場。在元件位置擺放時,需注意使相臨之電感器彼此遠離,或繞線組互成直角,以減少相互間之感應量。
本文總結了電感器的應用電路以及注意事項。另外,電感在低頻時,一般呈現電感特性,既只起蓄能,濾高頻的特性。但在高頻時,它的阻抗特性表現的很明顯。有耗能發熱,感性效應降低等現象。不同的電感的高頻特性都不一樣。所以在使用時要多加注意。
電話:18923864027(同微信)
QQ:709211280
〈烜芯微/XXW〉專業制造二極管,三極管,MOS管,橋堆等,20年,工廠直銷省20%,上萬家電路電器生產企業選用,專業的工程師幫您穩定好每一批產品,如果您有遇到什么需要幫助解決的,可以直接聯系下方的聯系號碼或加QQ/微信,由我們的銷售經理給您精準的報價以及產品介紹

