在晶體行業,我們稱晶體為無源晶體,晶體振蕩器我們叫有源晶體振蕩器,無源晶體我們通常叫石英晶體諧振器,有源晶體振蕩器我們叫石英晶體振蕩器,這兩種產品應用于電信設備和衛星等電子產品。設備產品,作為參考信號和衛星。更穩定的時間或頻率控制。近年來,晶振終端技術在時鐘模塊、衛星通信、圖像處理、基站導航,尤其是時鐘模塊行業的應用發展迅速。

圖1 有源晶振和無源晶振
1.什么是有源晶振
有源晶振(scillator)有4個引腳,是一個完整的振蕩器,其中除了石英晶體外,還有晶體管和阻容元件,因此體積較大,只需要電源,就可輸出比較好的波形。有源晶振的封裝有4個引腳,分別為VCC(電壓)、GND(地)、OUT(時鐘信號輸出)、NC(空腳)。有源晶振的流行點是直接連接石英晶片和時鐘振蕩器IC,通過晶振本身的電壓控制可以達到理想的效果,可以與外部電容匹配,不會引起頻率偏移。

圖2 有源晶振
很多工程師在設計產品的過程中都會遇到這樣的問題:一是電路中晶振的匹配不理想,影響使用效果;二是晶振溫漂過大,甚至影響產品性能。
如今,電子產品的更新換代尤為頻繁。成本必須是制造商考慮的重要因素。晶體振蕩器的應用也考慮了成本。因此,工程師在設計電路時,石英晶體振蕩器(有源晶體振蕩器)的價格比普通無源晶體高出5-10倍,從而導致更多。電路選用無源晶振;只有一些高端產品如工控、高速通訊產品偏愛有源晶振,所以出現上述常見問題。原因是無源晶振的效果不僅取決于晶振本身的指標,還取決于振蕩器電路設計的匹配。
有源晶振不用擔心這個問題,因為很多無源晶振因為外接電容,無法匹配。有源晶振具有電壓控制性能,可以通過內部IC晶圓自動匹配外部電容。第二點是晶振溫漂過大,俗稱溫漂。這種現象是非常致命的。如果產品在正常工作狀態下,突然因溫度變化引起的頻率漂移過大,則產品會嚴重停止工作而損壞。無源晶體本身就是一個晶體晶片,沒有溫度補償的功能。有源晶振中有一個溫度補償晶振。
有源晶振不需要CPU的內部振蕩器,信號穩定,質量較好,而且連接方式比較簡單(主要做好電源濾波,通常使用一個電容和電感構成濾波網絡,輸出端用一個小阻值的電阻過濾信號即可),不需要復雜的配置電路。

圖3 有源晶振電路圖
2.什么是無源晶振
無源晶振一般指石英晶體諧振器,石英晶體諧振器(英文:quartz crystal unit或quartz crystal resonator,常被標識為Xtal,Extenal Crystal Osillator,外部晶振器,因為晶振單元常常作為電路外接),簡稱石英晶體或晶振,是利用石英晶體(又稱水晶)的壓電效應,用來產生高精度振蕩頻率的一種電子元件,屬于被動元件。該元件主要由石英晶片、基座、外殼、銀膠、銀等成分組成。根據引線狀況可分為直插(有引線)與表面貼裝(無引線)兩種類型。當前常見的主要封裝型號有HC-49U、HC-49/S、GLASS、UM-1、UM-4、UM-5與SMD。
無源晶振是有2個引腳的無極性元件,需要借助于時鐘電路才能產生振蕩信號,自身無法振蕩起來。無源晶振信號質量較差,通常需要精確匹配外圍電路(用于信號匹配的電容、電感、電阻等),更換不同頻率的晶體時周邊配置電路也需要做相應的調整。一般建議采用精度較高的石英晶體,盡可能不要采用精度低的陶瓷晶體。

圖4 無源晶振

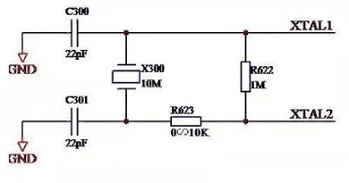
圖5 無源晶振電路圖
3、有源晶振和無源晶振的區別
3.1信號質量
有源晶振不需要DSP的內部振蕩器,信號質量好,比較穩定,而且連接方式相對簡單(主要是做好電源濾波,通常使用一個電容和電感構成的PI型濾波網絡,輸出端用一個小阻值的電阻過濾信號即可),不需要復雜的配置電路。無源晶振需要用DSP片內的振蕩器,無源晶振沒有電壓的問題,信號電平是可變的,也就是說是根據起振電路來決定的。
同樣的晶體可以適用于多種電壓,可用于多種不同時鐘信號電壓要求的DSP,因此對于一般的應用如果條件許可建議用晶體,這尤其適合于產品線豐富批量大的生產者。有源晶振通常的接法:一腳懸空,二腳接地,三腳接輸出,四腳接電壓。相對于無源晶體,有源晶振的缺陷是其信號電平是固定,需要選擇好合適輸出電平,靈活性較差,。建議采用精度較高的石英晶體,盡可能不要采用精度低的陶瓷警惕。
3.2價格
有源晶振比較貴,但是有源晶振自身就能震動。而無論是無源晶振,還是有源晶振,都有自身的優點和缺點所在,若考慮產品成本,建議可以選擇無源晶振電路;若考慮產品性能,建議選擇有源晶振電路,省時方便也能保證產品性能。
3.3精度
無源晶振最高精度為5ppm,而有源晶振的精度則可以達到0.1ppm。精度越高,頻率穩定性也更好。有源晶振在穩定性上要勝過無源晶振,但也有自身小小的缺陷,有源晶振的信號電平是固定,所以需要選擇好合適輸出電平,靈活性較差。
3.4時序要求
對于時序要求敏感的應用,個人認為還是有源的晶振好,因為可以選用比較精密的晶振,甚至是高檔的溫度補償晶振。有些DSP內部沒有起振電路,只能使用有源的晶振,如TI的6000系列等。有源晶振相比于無源晶體通常體積較大,但現在許多有源晶振是表貼的,體積和晶體相當,有的甚至比許多晶體還要小。
3.5外形
有源晶振一般4個腳,一個電源,一個接地,一個信號輸出端,一個NC(空腳)。有個點標記的為1腳,按逆時針(管腳向下)分別為2、3、4。無源晶振有2個引腳,需要借助于外部的時鐘電路(接到主IC內部的震蕩電路)才能產生振蕩信號,自身無法振蕩。
3.6電壓及負載
有源晶振有電壓無負載,無源晶振有負載無電壓。
4.關于有源晶振和無源晶振的常見問題
4.1晶振是有源還是無源?
無源晶體就是我們常說的諧振器,有源的是晶體振蕩器,用來產生時鐘信號,但兩者有很大的不同。
4.2如何識別晶體振蕩器?
定位晶體振蕩器的位置。如果晶體振蕩器在電路中,則需要對其進行定位。如果連接到電腦主板上,晶體振蕩器通常會被標記為“XTAL”,并且振蕩頻率會寫在設備頂部。
4.3晶體和晶體振蕩器有什么區別?
晶體和振蕩器都是時鐘處理器的組成部分。振蕩器配置有緩沖器,這意味著它能夠執行高輸出驅動任務,晶體只是振蕩器的一部分。
4.4可以用有源晶振替換無源晶振嗎?
理論上是可以的。但不能直接替代。有源晶振至少得有三個以上引腳,即vcc+、vcc-和信號輸出。而無源晶振只要兩個引腳就行。有源晶振不能直接替代無源晶振,需要對電路做適當的改動。事實上,有源晶振是無源晶振的基礎上做的振蕩器,而無源晶振只是一個小元件。在電路中,你需要將無源晶振的振蕩電路繞開,單獨為有源晶振代供電,將信號輸出端接至原來無源晶振的信號輸出端即可。最后要注意一點:信號輸出端的負載阻抗要匹配,否則,會有輸出波形不良。
結語
以上就是關于有源晶振和無源晶振的分析了,晶振的穩定性是產品的內在品質,與匹配電容無關(電容的穩定性不好另當別論),匹配電容決定了晶振的運行精度。相信看過本文介紹之后你可以對晶振做出更好的選擇。
電話:18923864027(同微信)
QQ:709211280
〈烜芯微/XXW〉專業制造二極管,三極管,MOS管,橋堆等,20年,工廠直銷省20%,上萬家電路電器生產企業選用,專業的工程師幫您穩定好每一批產品,如果您有遇到什么需要幫助解決的,可以直接聯系下方的聯系號碼或加QQ/微信,由我們的銷售經理給您精準的報價以及產品介紹