SSR是固態繼電器的簡稱,固態繼電器一種無機械觸點的電子開關元件,它具有控制靈活,可靠性高,壽命長,在通與斷的時間不會產生電火花,無噪聲,開關速度快,工作頻率高,抗干擾能力強等優點,SSR的另一個特點是驅動電流(或電壓)小,給輸入端加一個很小的信號,就可以實現對被控制系統的控制。(下文所有固態繼電器均用SSR來表示)
作為無機械觸點的開關功能元件,SSR的基本使用框圖如下:

SSR基本使用框圖
SSR的類型,型號很多,所以它的輸入控制方法和控制電路也相應較多。SSR之間的共同特點是驅動電流或驅動電壓很小,輸入一個很小的信號就可以時間對SSR輸出狀態通,斷的控制。如果要實現有效而可靠的控制,其輸入信號必須達到一個給定值。對輸入回路工作電流的要求,推薦值為5-10mA時開通,小于1mA時關斷,對于輸入端工作電壓的要求,一般情況下開通時不低于3V,關斷時小于1V,當然,因產品特性不同伙廠家不同,對輸入電流或電阻值的要求是會有差異的。因此在使用和設計電路的時候,可以根據SSR的類型,規格和使用場合來進行選擇和設計,下面就介紹一些基本的輸入端控制方法和電路。
1.SSR觸點控制方式
由一組機械觸點直接控制電路,如下圖,圖中的S可以是機械開關,也可以是繼電器觸點貨電子開關電路。

機械觸點直接控制電路圖
2.用交流電源驅動

交流電源驅動電路圖
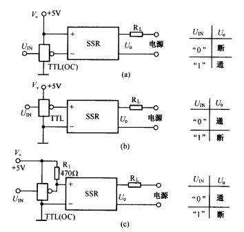
3.采用TTL數字集成電路驅動
用TTL數字繼承電路控制SSR通斷的電路,如下圖:

TTL數字集成電路驅動SSR電路圖
4.采用CMOS數字集成電路驅動
CMOS器件的輸入阻抗高,輸出邏輯電平擺動幅大(高低電平值接近電源電壓),很適合與SSR和其他電路配合,但CMOS器件的靜態功耗和動態功耗(靜態功耗僅約為10nW,動態功耗為幾毫瓦)。為確保CMOS器件使用安全,電路中采用三極管進行緩沖,隔離(如下圖)。

CMOS數字集成電路驅動SSR電路圖
5.用脈沖信號觸發SSR的方法(如下圖)
觸發電路與SSR的“-”輸入端相接,在A端加幅值為Up的脈沖信號,使可控硅VS觸發導通,進而使SSR導通,該狀態即使脈沖過后仍會繼續保持。若此時B端加上另一個正脈沖信號,則VT導通,其集電極呈低電平。VS關斷,脈沖過后,SSR轉呈端態。

脈沖信號觸發SSR電路圖
6.采用三極管控制SSR的通斷
SSR可用NPN型貨PNP型晶體三極管直接控制其輸入端(如下圖a,b所示),在圖a電路中,平時VT導通,SSR出于接通狀態,當有脈沖時,SSR斷開,在圖b所示電路中,平時電路中,平時VT截止,SSR呈斷開狀態,當有脈沖時,SSR接通。

三極管控制SSR的通斷電路圖
對于一般的SSR,要求輸入的最小工作電壓為3V(接通),若低于1V,則SSR關斷。
以上就是固態繼電器(SSR)的控制和驅動方法介紹。目前固態繼電器已廣泛應用于計算機外圍接口設備、恒溫系統、調溫、電爐加溫控制、電機控制、數控機械,遙控系統、工業自動化裝置以及作為電網功率因素補償的電力電容的切換開關等等,另外在化工、煤礦等需防爆、防潮、防腐蝕場合中都有大量使用。
電話:18923864027(同微信)
QQ:709211280
〈烜芯微/XXW〉專業制造二極管,三極管,MOS管,橋堆等,20年,工廠直銷省20%,上萬家電路電器生產企業選用,專業的工程師幫您穩定好每一批產品,如果您有遇到什么需要幫助解決的,可以直接聯系下方的聯系號碼或加QQ/微信,由我們的銷售經理給您精準的報價以及產品介紹

