MUR1060CT快恢復二極管10A 600V,MUR1060CT有TO220,TO220F兩種封裝,MUR1060CT二極管參數規格書
Maximum DC blocking voltage VDC 最大直流閉鎖電壓:600V
Maximum average forward rectified current I(AV) 最大正向平均整流電流:10.0A
Maximum instantaneous forward voltage at 10.0A VF 10.0A時的最大瞬時正向電壓:1.8V
Maximum DC reverse current at rated DC blocking voltage TA=25℃ IR 額定直流阻斷電壓下的最大直流反向電流:10.0uA
Maximum DC reverse current at rated DC blocking voltage TA=125℃ IR 額定直流阻斷電壓下的最大直流反向電流:500.0uA
Operating junction and storage temperature range TJ,TSTG 工作溫度和存儲溫度范圍:-55to +150℃
Maximum reverse recovery time 恢復時間:35ns
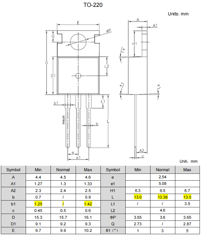
MUR1060CT快恢復二極管,TO-220封裝尺寸:


聯系號碼:18923864027(同微信)
QQ:709211280
〈烜芯微〉專業制造二極管,三極管,MOS管,橋堆等,20年,工廠直銷省20%,1500家電路電器生產企業選用,專業的工程師幫您穩定好每一批產品,如果您有遇到什么需要幫助解決的,可以直接聯系上方的聯系號碼或加QQ,由我們的銷售經理給您精準的報價以及產品介紹