近幾年來,配電網中整流裝置、變頻調速裝置、工業電源以及各種電力電子裝置不斷曾加,造成了負荷的非線性、不平衡性使得電力系統的電壓、電流發生畸變,嚴重的影響了供電質量。因此,為了解決電力系統中諧波和無功問題,提高電網供電質量,人們提出了有效抑制諧波和補償無功的有源電力濾波器。下面一起來了解它的原理和作用吧:
1.簡介
有源電力濾波器(Active Power Filter,簡稱APF)是一種用于動態抑制諧波、補償無功的新型電力電子裝置,它能夠對大小和頻率都變化的諧波以及變化的無功進行補償。
有源濾波器之所以稱為有源,顧名思義該裝置需要提供電源(用以補償主電路的諧波),其應用可克服LC濾波器等傳統的諧波抑制和無功補償方法的缺點(傳統的只能固定補償),實現了動態跟蹤補償,而且可以既補諧波又補無功。

有源濾波器示意圖
2.工作原理
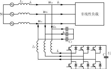
有源濾波器是采用現代電力電子技術和基于高速DSP器件的數字信號處理技術,制成的新型電力諧波治理專用設備。它的兩大組成部件是指令電流運算電路和補償電流發生電路。指令電流運算電路能對線路中的電流進行實時監控,同時會將模擬電流信號轉換為數字信號,經由高速數字信號處理器(DSP)對信號進行處理,達到將諧波與基波分離的效果,并以脈寬調制(PWM)信號的形式向補償電流發生電路輸送驅動脈沖,同時驅動IGBT或IPM的功率模塊,以生成與電網諧波電流幅值相等且極性相反的補償電流注入電網,再利用補償電流對諧波電流進行補償或抵消,最終達成主動消除電力諧波的作用。

有源濾波器原理圖
3.作用
3.1濾除電流諧波
可以高效的濾除負荷電流中2~25次的各次諧波,從而使得配電網清潔高效,滿足國標對配電網諧波的要求。該產品真正做到自適應跟蹤補償,可以自動識別負荷整體變化及負荷諧波含量的變化而迅速跟蹤補償,80us響應負荷變化,20ms實現完全跟蹤補償。
3.2改善系統不平衡狀況
可完全消除因諧波引起的系統不平衡,在 設備容量許可的情況下,可根據用戶設定補償系統基波負序和零序不平衡分量并適度補償無功功率。在確保濾除諧波功能的基礎上有效改善系統不平衡狀況。
3.3抑制電網諧振
抑制電網諧振不會與電網發生諧振,而且在其容量許可范圍內還可以有效抑制電網自身的諧振。這是無源濾波裝置無法做到的。
3.4多種保護功能
具備過流、過壓、欠壓、溫度過高、測量電路故障、雷擊等多種保護功能,以確保裝置和電力系統安全運行,并可在負荷較輕時自動退出運行,充分考慮運行的經濟性。
以上就是有源濾波器的原理與作用介紹了。隨著電力電子技術和控制技術的進步,國產有源濾波器已經在各種重大項目上的代替的進口產品。目前,有源濾波器已經運用在提高電能質量,解決三相電力系統中終端電壓調節,電壓波動抑制,電壓平衡改善以及諧波消除和無功補償等問題上。
電話:18923864027(同微信)
QQ:709211280
〈烜芯微/XXW〉專業制造二極管,三極管,MOS管,橋堆等,20年,工廠直銷省20%,上萬家電路電器生產企業選用,專業的工程師幫您穩定好每一批產品,如果您有遇到什么需要幫助解決的,可以直接聯系下方的聯系號碼或加QQ/微信,由我們的銷售經理給您精準的報價以及產品介紹