共集電極放大電路的基本特點是放大電流,輸出電壓的幅度沒有放大,常用作緩沖放大電路,輸出信號的相位與輸入相同,被稱為射極輸出器或射極跟隨器,簡稱射隨器。
共集電極放大電路的輸入阻抗高,輸出阻抗低,可用作阻抗變換器,適用于多級放大電路的輸出級。
圖為最基本的共集電極放大電路。

最基本的共集電極放大電路
提示
通過電路中的電路圖形符號和標識可了解共集電極放大電路的組成,主要由三極管、偏置電阻、耦合電容和負載電阻等構成。
其中,電源通過兩個偏置電阻R1和R2給三極管的基極(b)提供偏置電壓;R3是三極管發射極(e)的負載電阻;C1、C2為耦合電容;RL為負載電阻。
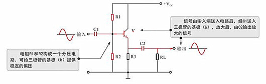
共集電極放大電路的識圖分析如圖所示。

共集電極放大電路的識圖分析
圖為高輸入阻抗緩沖放大電路。該電路采用由共漏極和共集電極組合的放大電路結構,主要是由場效應晶體管VF1、三極管V2等組成的。

高輸入阻抗緩沖放大電路
電話:18923864027(同微信)
QQ:709211280
〈烜芯微/XXW〉專業制造二極管,三極管,MOS管,橋堆等,20年,工廠直銷省20%,上萬家電路電器生產企業選用,專業的工程師幫您穩定好每一批產品,如果您有遇到什么需要幫助解決的,可以直接聯系下方的聯系號碼或加QQ/微信,由我們的銷售經理給您精準的報價以及產品介紹