與非門電路簡介
與非門是與門和非門的結合,先進行與運算,再進行非運算。與非門是當輸入端中有1個或1個以上是低電平時,輸出為高電平;只有所有輸入是高電平時,輸出才是低電平。
與非門是與門和非門的結合,先進行與運算,再進行非運算。與非運算輸入要求有兩個,如果輸入都用0和1表示的話,那么與運算的結果就是這兩個數的乘積。
如1和1(兩端都有信號),則輸出為0;1和0,則輸出為1;0和0,則輸出為1。與非門的結果就是對兩個輸入信號先進行與運算,再對此與運算結果進行非運算的結果。簡單說,與非與非,就是先與后非。
與非門則是當輸入端中有1個或1個以上是低電平時,輸出為高電平;只有所有輸入是高電平時,輸出才是低電平。
真值表如下所示:

與非門電路原理
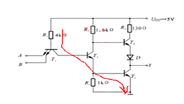
我們可以從下面與非門電路圖·來看,可以發現與非門電路主要是有輸入級、倒相級以及輸出級三個部分組成。那么與非門電路的原理也就分為了以下兩點:

1. 當A、B都為高電平時,發射結為截止,而T1基極與集電極之間的二極管,和T2、T3的發射結(三個二極管)正向串聯,通過R1接上電源就會導通,所以此時T1基極電壓Vb1=2.1V。
T2基極電壓 Vb2=1.4V,T3基極電壓 Vb3=0.7V,T3導通使輸出端Y輸出低電平;
2. 當A、B其中一個為低電平時,T1發射結導通,使基極電壓 Vb1=0.7V,這個電壓不足以讓后級的發射結導通,所以T2、T3就截止,T4導通使Y輸出高電平。
電話:18923864027(同微信)
QQ:709211280
〈烜芯微/XXW〉專業制造二極管,三極管,MOS管,橋堆等,20年,工廠直銷省20%,上萬家電路電器生產企業選用,專業的工程師幫您穩定好每一批產品,如果您有遇到什么需要幫助解決的,可以直接聯系下方的聯系號碼或加QQ/微信,由我們的銷售經理給您精準的報價以及產品介紹