電池充電方式簡介
理論上為了防止因充電不當而造成電池壽命縮短,我們將電池的充電過程分為四個階段:涓流充電(低壓預充,此狀態的電池電壓比較低,實際使用時,建議將鋰電池欠壓保護點提高,避免電池出現過放電現象)、恒流充電、恒壓充電以及充電終止。

典型的充電方式是:先檢測待充電電池的電壓,在電池電壓較低情況下,先進行預充電,充電電流為設定的最大充電電流的1/10,當電池電壓升到一定值后,進入標準充電過程。
標準充電過程為:以最大充電電流進行恒流充電,電池電壓持續穩定上升,當電池電壓升到接近設定的最大電壓時,改為恒壓充電,此時,充電電流逐漸下降,當電流下降至最大充電電流的1/10時,充電結束。
階段1:涓流充電——涓流充電用來先對完全放電的電池單元進行預充(恢復性充電)。在電池電壓低于3V左右時采用涓流充電,涓流充電電流是恒流充電電流的十分之一即0.1c(以恒定充電電流為1A舉例,則涓流充電電流為100mA)。
階段2:恒流充電——當電池電壓上升到涓流充電閾值以上時,提高充電電流進行恒流充電。恒流充電的電流在0.2C至 1.0C之間。電池電壓隨著恒流充電過程逐步升高,一般單節電池設定的此電壓為3.0-4.2V。
階段3:恒壓充電—— 當電池電壓上升到4.2V時,恒流充電結束,開始恒壓充電階段。電流根據電芯的飽和程度,隨著充電過程的繼續充電電流由最大值慢慢減少,當減小到0.01C時,認為充電終止。(C是以電池標稱容量對照電流的一種表示方法,如電池是1000mAh的容量,1C就是充電電流1000mA。)
階段4:充電終止——有兩種典型的充電終止方法:采用最小充電電流判斷或采用定時器(或者兩者的結合)。最小電流法監視恒壓充電階段的充電電流,并在充電電流減小到0.02C至0.07C范圍時終止充電。第二種方法從恒壓充電階段開始時計時,持續充電兩個小時后終止充電過程。

電池充電電路設計注意事項
若設計的充電電路沒有防倒灌保護,將會產生許多危害。以輸出端接2節鋰電池串聯為例,若僅將電源去除,充電器沒有移除,電池內的電流倒灌至充電電路中,導致電池電量白白損失。
且更嚴重的安全隱患是:對于降壓電源芯片來說,電池電流從輸出端,經芯片內部功率管寄生的二極管倒灌至芯片的VIN端,當電路的輸出端電壓(電池電壓)低于設定值時,芯片FB點電壓相應的也會低于標稱值,芯片開始工作來提高輸出端電壓;
由于輸入端電壓幾乎與輸出端相等,對于降壓芯片來說,輸入端無法給輸出端提供能量,導致FB點電壓一直低于標稱值,芯片進入占空比100% 的工作狀態。
此時若是輸入端突然恢復供電,輸入端電源會經過已經打開的功率管直接把能量輸送到輸出端,由于輸入輸出存在壓差,瞬間會有比較大的電流流過功率管,若此時由于其它不可控的原因導致芯片未能及時有效做出響應來關閉功率管,這個大電流有可能會使芯片內部開關管損壞。因此在設計電池充電電路時,我們需要添加防倒灌的措施。
升壓方案由于續流二極管可以起到防倒灌的作用,所以一般不外加防倒灌措施。但是對于降壓方案,需要對電池充電電路添加防倒灌措施。
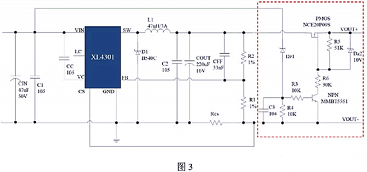
以XL4301鋰電池充電電路為例,如圖2、圖3所示(紅色虛線框中為防電流倒灌電路)。輸入12V,輸出接單節鋰電池(3.1V-4.3V),最大充電電流0.8A;其中最大充電電流 IOUT=VCS/RCS=0.11/0.137≈0.803A,最大充電電壓 VOUT=VFB*(1+R2/R1)=1.25*(1+7.87/3.3)≈4.231V。
圖2電路中,我們選擇一個肖特基二極管防止電流倒灌,這是簡單有效的方法。為降低肖特基D2溫度,選用的肖特基電流能力是充電電流2倍以上。

由于肖特基壓降比較大,會增加系統損耗;為減小防倒灌電路產生的損耗,我們可以采用MOS管來防止電流倒灌,如圖3正常工作時,PMOS管導通,電流經過MOS管給鋰電池充電,MOS管功耗較小;當輸入端斷電時,PMOS關斷,起到防止電流倒灌的作用。其中DZ1的選取遵循VOUT<VDZ1 <VIN。

備注:當輸出端電壓小于8.4V時,電路中DZ2與R6可以省去。
〈烜芯微/XXW〉專業制造二極管,三極管,MOS管,橋堆等,20年,工廠直銷省20%,上萬家電路電器生產企業選用,專業的工程師幫您穩定好每一批產品,如果您有遇到什么需要幫助解決的,可以直接聯系下方的聯系號碼或加QQ/微信,由我們的銷售經理給您精準的報價以及產品介紹
聯系號碼:18923864027(同微信)
QQ:709211280