過熱保護電路圖(一)
原理電路
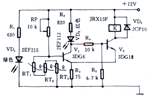
是以電機過熱保護為例,由PTC熱敏電阻和施密特電路構成的控制電路。圖中,RT1、RT2、RT3為三只特性一致的階躍型PTC熱敏電阻器,它們分別埋設在電機定子的繞組里。
正常情況下,PTC熱敏電阻器處于常溫狀態,它們的總電阻值小于1KΩ。此時,V1截止,V2導通,繼電器K得電吸合常開觸點,電機由市電供電運轉。
當電機因故障局部過熱時,只要有一只PTC熱敏電阻受熱超過預設溫度時,其阻值就會超過10KΩ以上。于是V1導通、V2截止,VD2顯示紅色報警,K失電釋放,電機停止運轉,達到保護目的。

主要元器件選擇PTC熱敏電阻的選型取決于電機的絕緣等級。元件的標準外形尺寸見圖。通常按比電機絕緣等級相對應的極限溫度低40℃左右的范圍選擇PTC熱敏電阻的居里溫度。
例如,對于B1級絕緣的電機,其極限溫度為130℃,應當選居里溫度90℃的PTC熱敏電阻。(過熱保護用PTC熱敏電阻)

繼電器K的選擇取決于電機的容量,圖2.3.1中的是JRX-13F,觸點負載0.5A,適合小型電機。RP應選帶鎖緊機構的電位器。
過熱保護電路圖(二)
對于大功率等級電源,過熱保護也是必須要求的。過熱保護的形式有很多種,常用的電路:

1、關斷電源,即溫度降低以后,電源恢復工作。
2、不關斷電源,而是改善電源內部的通風條件。
特別注意:在實際設計和調試中,應當將R1放于熱應小且發熱量較大的器件處。
1、過熱關斷電路

V:一穩定的直流電壓
正常時V×R2/(R1+R2)≤0.7V
R1:為負溫系數的熱敏電阻
C1:取104J63或小容量鋁電解電容,目的是防止外界干擾誤動作
Vref:為芯片的基準腳。如3842的8pin
Q1:為NPN的達令頓管即可。如2N4401
注:采用運放來做亦可,但原理相通。如有機會將多列出此類電路。
2、溫控風機調速電路

Vin:為略大于最高輸入電壓。
R1:為負溫系數的熱敏電阻
C1:取104J63或小容量鋁電解電容,目的是防止外界干擾誤動作
Vref:穩定電壓,可利用芯片的基準腳。如3842的8pin
Q1:為NPN的且能過大電流的達令頓管即可。如TIP31C
注:采用運放來做亦可,但原理相通。
〈烜芯微/XXW〉專業制造二極管,三極管,MOS管,橋堆等,20年,工廠直銷省20%,上萬家電路電器生產企業選用,專業的工程師幫您穩定好每一批產品,如果您有遇到什么需要幫助解決的,可以直接聯系下方的聯系號碼或加QQ/微信,由我們的銷售經理給您精準的報價以及產品介紹
聯系號碼:18923864027(同微信)
QQ:709211280