開關電源,輸入保護電路很重要,開關輸入保護電路具有過流保護、過壓保護以及浪涌抑制等功能,對于電網的電壓沖擊以及EMC等具有至關重要的作用。
輸入浪涌電流:通常在開關電源啟動時,可能需要輸入端的主電網提供短時間的大電流脈沖,這種電流脈沖通常被稱為輸入浪涌電流。
雷擊:雷電的入侵首先表現為過電壓,當存在泄放通道時,產生電流。過電壓有共模過電壓和差模過電壓兩種類型。由于寄生電容的存在,雷電過電壓擊穿空氣或在常壓下絕緣的器件,形成強大的雷電流,造成設備損壞。
為了抑制雷電的影響,應在雷電能量進入設備前將能量泄放至大地。對于共模過電壓,應在輸入線與地之間安裝防雷器件;對于差模過電壓,應在輸入火線和零線之間安裝防雷器件。
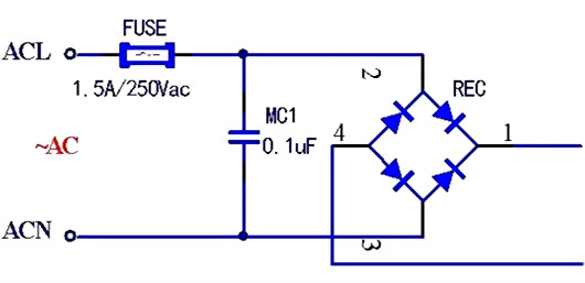
1.保險絲
保險絲具有過流保護作用,一般選擇保險絲時候實際的熔斷電流要等于額定電流的1.5倍左右。

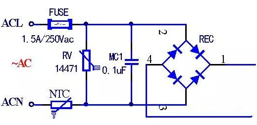
2.壓敏電阻
當加在壓敏電阻上的電壓低于它的閾值時,流過它的電流極小,它相當于一個阻值無窮大的電阻;當加在壓敏電阻上的電壓超過它的閾值時,流過它的電流激增,它相當于阻值無窮小的電阻。
壓敏電阻,壓敏電阻規格有07471、10471、14471等規格,具有浪涌抑制功能,因此這種電路有過壓、過流保護功能,有些還具有防雷擊保護。

3.NTC熱敏電阻
在開關電源啟動時,NTC電阻器處于常溫,有很高的電阻,可以有效地限制電流;而在電源啟動之后,NTC電阻器會由于自身散熱而迅速升溫至約110℃,電阻值則減少到室溫時的十五分之一左右,減少了開關電源正常工作時的功率損耗。
熱敏電阻采用的是負溫度系數的,它的阻值隨溫度的升高為降低,它具有抑制電路的浪涌電流能力。

4.陶瓷氣體放電管
當氣體放電管兩端施加的電壓小于觸發電壓時,氣體放電管為斷路狀態,基本無漏電流。當電壓高于觸發電壓時,氣隙被擊穿,可認為短路。

陶瓷氣體放電管與壓敏電阻配合使用:由于放電管存在殘留電壓,如果選擇殘留電壓較高的放電管(以滿足最高輸入電壓的1.7倍),放電管的點火擊穿電壓也會很高,這可能對一些要求保護電壓比較低的設備也起不到過壓保護作用,為此可以選用殘留電壓比較低的放電管與壓敏電阻串聯使用,這樣可以降低浪涌電壓的門檻,同時放電管對壓敏電阻也起到一定的保護作用(加到壓敏電阻兩端的電壓相對變小了)。

此外,由于壓敏電阻本身較大的寄生電容,導致它有較大的漏電流,而氣體放電管漏電流很小,使得系統幾乎沒有漏電流。沒有瞬變電壓時,GDT將MOV與系統隔開,使得支路漏電流極低。
當過壓時,由于放電管發電的壓降很低,此時放電管放電,此時主要由壓敏電阻起作用。干擾過去后又恢復截止狀態將壓敏電阻與大地隔開。如果壓敏電阻在吸收浪涌能量過程出現短路失效,也可以通過氣體放電管隔開。
另外,在通訊電路中,壓敏電阻必須要與放電管串聯起來使用,因為壓敏電阻的分布電容非常大(幾百PF到幾千pF),而放電管的分布電容非常小(只有幾pF),不會對信號造成短路。
〈烜芯微/XXW〉專業制造二極管,三極管,MOS管,橋堆等,20年,工廠直銷省20%,上萬家電路電器生產企業選用,專業的工程師幫您穩定好每一批產品,如果您有遇到什么需要幫助解決的,可以直接聯系下方的聯系號碼或加QQ/微信,由我們的銷售經理給您精準的報價以及產品介紹
聯系號碼:18923864027(同微信)
QQ:709211280