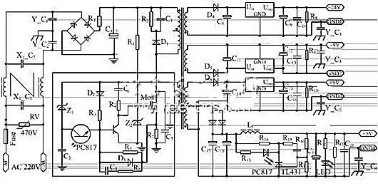
自激式多路輸出穩壓開關電源設計原理:下圖是自激式多路輸出穩壓開關電源的原理圖。
圖中X1_C1 、X1_C2 、Y_C1 、Y_C1及L 組成EMI 電路,用來濾除電網中的共模差模信號,同時避免開關電源對電網造成污染。L 為共模扼流圈,共模扼流圈是開關電源、變頻器、UPS 電源等設備中的一個重要部分。
當工作電流流過兩個繞向相反的線圈時,產生兩個相互抵消的磁場,如果有共模干擾信號流過線圈時,線圈對共模信號即呈現出高阻抗,產生很強的阻尼效果,達到衰減干擾信號作用。
X1_C1 、X1_C2 、Y_C1及Y_C2為安規電容,其中X1_C1與X1_C2為X 安規電容,Y_C1和Y_C2為Y 安規電容,它們用在電源濾波器里,與L 起到電源濾波作用,分別對共模,差模工擾起濾波作用。
安規電容的特性是電容器失效后,不會導致電擊穿,不危及人身安全。RV為壓敏電阻,具有防雷作用,也可用TVS(瞬態電壓抑制器),由于壓敏電阻具有良好的非線性特性、通電流大、殘壓水平低、動作快和無續流等特點,被廣泛用于電子設備防雷。
開關電源系統壓敏電阻相當于D 級防雷器,對于220V線路,壓敏電阻的選取為,220×1 .4×1 .4=430 V,所以壓敏電阻選型為470 V。
RT 為熱敏電阻,開機時,220 V交流電經過整流后對大電容充電,而電容的特性是瞬間充電電流為最大,從而對前邊的橋和保險絲帶來沖擊,容易造成器件上電時損壞,為了提高電源設計的安全系數,常在保險之后加入電阻進行限流,電阻越大時,雖然限流效果好,但是電阻消耗的電能也是很大的,開關電源啟動后,限流電阻已沒有作用,反而浪費電力。
為了達到較好限流效果而又省電,現在的開關電源經常采用負溫度熱敏電阻作限流使用,吸收浪涌電流。負溫度熱敏電阻的特性是,溫度越高,電阻越小。
為了減小電源體積及復雜度,此處避免了使用繼電器等組成的防浪涌電路,經過試驗,達到了非常好的效果。變壓器T,RCD(R2 ,C1 ,D1 )吸收電路及開關管構成了此電源的能量轉換電路,本電路采用單端反激,是一種比較成熟的電源變換電路,變壓器既作為隔離器件,又作為儲能器件。
此變壓器采用EI 骨架,初級線圈電感量在1 .2 ~1 .3 mH 之間,在繞制變壓器時,自激繞組要靠外圈,初級繞組分兩組疊加,一組在內,一組在外,可防止磁通飽和影響電源效率。
此變壓器屬于常規變壓器,不再多述,開關管的選取要注意漏源級的耐壓,最大工作電流,導通電阻,耗散功率及一些開關時間等。RCD 吸收電路的功能是吸收因變壓器初級繞組在工作時產生的自感電勢,避免在開關管集電極截止瞬間出現過高的反峰高電壓損壞開關管而設的。
開關管工作時一直處于導通與截止,循環工作,所以吸收回路一直是有電流通過的,這個電流的大小隨開關電源的功率大小而不同,使得吸收回路的元器件取值也不一樣,RCD 吸收電路中的R 值如過小,就會降低開關電源的效率。
然而,如R 值過大,MOS管就存在著被擊穿的危險。本電路選用10 kΩ/2 W,電容選用0.01 μF/1 kV,D1選用耐壓1 kV的HER107 。輸出電路主要包含整流濾波,三端穩壓器及假電阻等。選用合適的濾波電容及假電阻可減小電源輸出紋波和提高電源效率。

自激式多路輸出穩壓開關電源原理圖
圖中光耦器件PC817 ,TL431 及框中自激電路組成了本電源的控制電路。R16 、R17是取樣電阻,TL431 為可調試精密并聯穩壓器,通過改變電阻R16和R17的分壓值,可小范圍改變輸出電壓值。R15和C20為TL431 的頻率補償電路,可以提高TL43l 的瞬態頻率響應。
關于反饋回路的設計,實際上就是確定R13 、R14的阻值及選定合適的光耦合器件,首先要選定線性度好的光耦合器件,因為這樣可以把輸出線性的反應到自激電路,可以由自激電路產生線性變化的脈沖,從而線性的反比例控制開關管的截止與導通。
而目前國內常用的4N25 系列光耦屬于非線性光耦合器,不宜采用。其次要注意光耦合器件的CTR(電流傳輸比)值。使用光電耦合器主要是為了提供隔離,同時又能將輸出的變化線性的反應在自激控制電路中,容易線性的控制開關管的占空比。
光耦合器的CTR 的允許范圍是50 %~200 %,這是因為當CTR<50 %時,光耦中的輸入級就需要較大的工作電流,這會增大光耦的功耗。若CTR>200 %,在啟動電路或者當負載發生突變時,有可能影響正常輸出。PC817 的CTR 線性范圍為80 %~160 %,能夠較好地滿足反饋回路的設計要求。
確定好光耦后,就要確定R13 、R14 ,需要注意的是,在選擇電阻時必須保證TL431 工作的必要條件,就是通過陰極的電流要大于1 mA 。R13為PC817的外部限流電阻。實際上除了限流保護作用外,它對控制回路的增益也具有重要影響。
當R13改變時,會影響到光耦的輸入電流,然后影響光耦的輸出電流,進而影響開關管的占空比,也就相當于改變了控制回路的電流放大倍數。此電路中R13取100 Ω,在光耦輸入端和R13上并聯R14是為了在光耦輸入電流接近于0時,為了保證TL431 陰極不低于1 mA的工作電流而設置的。
電源反饋電路原理
圖中方框圖是自激電路,是電源的脈沖生成及控制部分。三極管工作于開關狀態,開通與截止的時間受PC817 輸出端電流和取樣電阻R7的影響。用示波器可觀察到方框圖中穩壓管,三極管,取樣電阻都工作于矩形脈沖下。
簡要分析一下反饋回路實現穩壓的工作過程:
當輸出電壓Uo發生波動時,通過取樣電阻R16 、R17分壓后,就使TL431 上的光耦輸入電流If產生相應的變化,進而使PC817 中輸出電流Ic改變,Ic的改變使三極管基極的電流Ib改變,進而改變了基極電壓Ub ,改變了三極管的導通時間,從而改變了開關管的導通時間,即占空比D,使Uo產生了相反的變化,以保持Uo的穩定。
上述穩壓過程可歸納為:Uo ↑→If ↑→Ic ↑→Ib ↑→Ub ↑→D↓→Uo ↓。如此一個循環后Uo下降,使電源達到穩定。
〈烜芯微/XXW〉專業制造二極管,三極管,MOS管,橋堆等,20年,工廠直銷省20%,上萬家電路電器生產企業選用,專業的工程師幫您穩定好每一批產品,如果您有遇到什么需要幫助解決的,可以直接聯系下方的聯系號碼或加QQ/微信,由我們的銷售經理給您精準的報價以及產品介紹
聯系號碼:18923864027(同微信)
QQ:709211280