MOSFET放大器電路及工作原理
MOSFET放大器簡單電路圖如下圖所示,在該電路中,漏極電壓 (VD)、漏極電流 (ID)、柵源電壓 (VGS) 以及柵極、源極和漏極的位置通過字母“G”、“S”和“ D”。
通常情況下,MOSFET在線性/歐姆、截止以及飽和三個區域工作。在這三個區域中,當MOSFET用作放大器時,它們應該工作在歐姆區域,當施加的電壓增加時,流經器件的電流會增加。

MOSFET可在許多應用中用作小信號線性放大器。通常,在放大器電路中,場效應晶體管工作在飽和區。因此,在該區域中,電流的流動不取決于漏極電壓 (VD)。
簡單來說,電流是柵極電壓 (VG) 的主要函數。在這些放大器中,通常工作點在飽和區域內。
在MOSFET放大器中,柵極電壓的微小變化將在漏極電流中產生很大的變化,就像在JFET中一樣。因此,MOSFET會增加微弱信號的強度,所以它可以充當放大器。
MOSFET放大器工作過程
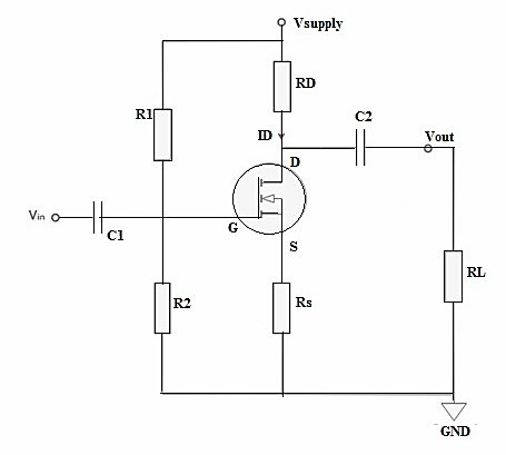
通過將源極、漏極、負載電阻和耦合電容連接到上述電路,可以設計一個完整的MOSFET放大器電路,MOSFET放大器的偏置電路如下所示:

上述偏置電路包括分壓器,其主要作用是對晶體管進行單向偏置。因此,這是晶體管中最常用的偏置方法。它使用兩個電阻器來確認電壓是否分離并以正確的電平分配到MOSFET中。它是通過兩個R1和R2并聯電阻實現的。
電路中的C1和C2耦合電容器保護偏置直流電壓免受要放大的交流信號的影響。最后,將輸出提供給由RL電阻形成的負載。
偏置或柵極電壓可以由下式給出:
VG = Vsupply x (R2/R1+R2)
其中,R1和R2的值通常會很大,以增強放大器的輸入阻抗并降低歐姆功率損耗。
輸入和輸出電壓(Vin和Vout)
為了簡單起見,需要考慮沒有負載與漏極分支并聯。輸入電壓 (Vin) 可以通過柵極 (G) 提供給源 (S) 電壓,即VGS。RS電阻上的電壓降可由RS×ID給出。
根據跨導 (gm) 定義,當施加恒定的漏源電壓時,ID(漏極電流)與 VGS(柵源電壓)的比值,即:
(gm) = ID/VGS
因此,ID = gm×VGS,并且輸入電壓 (Vin) 可以由 VGS 分解,如下所示:
Vin = V GS x (1+gmRs)
o/p電壓 (Vout) 簡單地通過漏極電阻 (RD) 上的電壓降給出:
Vout = – RD x ID = -gmVGS RD
此外,電壓增益 (AV) 是輸入電壓與輸出電壓的比值。簡化后,方程將變為:
Av = – RD/Rs=1/gm
在上述等式中,符號“-”來自MOSFET放大器與BJT CE放大器等效地反轉o/p信號這一原理。因此,相移為180°或π rad。
〈烜芯微/XXW〉專業制造二極管,三極管,MOS管,橋堆等,20年,工廠直銷省20%,上萬家電路電器生產企業選用,專業的工程師幫您穩定好每一批產品,如果您有遇到什么需要幫助解決的,可以直接聯系下方的聯系號碼或加QQ/微信,由我們的銷售經理給您精準的報價以及產品介紹
聯系號碼:18923864027(同微信)
QQ:709211280