電路中噪聲的描述方法
對于一個普通的電路,我們如何來進行噪聲的分析呢?通常我們會不由自主的想到,通過之前推導出的噪聲公式,計算出各個噪聲在輸出點的和,就能夠表示噪聲的大小了。
盡管這個方法是十分直觀的,但是由于模擬電路中有許許多多的放大器和提供增益的部分。如果將輸出點的噪聲當作參考,就無法對不同電路的噪聲進行合理的比較了!
換句話說,如下圖所示,如果噪聲源的后面更上一個放大器,那么當我們只考慮輸出噪聲的時候,就會得出“隨著增益A1的增大,電路噪聲增大”這種結論,這顯然是不對的,因為放大器再放大噪聲的同時也在放大實際的信號,所以輸出的信噪比并不和增益相關。因此我們不能夠用輸出點的噪聲來表示電路的噪聲。

既然不能用輸出點的噪聲來當作電路的總噪聲,那么我們自然就會想到:用輸入點的噪聲來表達電路的噪聲性能就會顯得比較合適了。
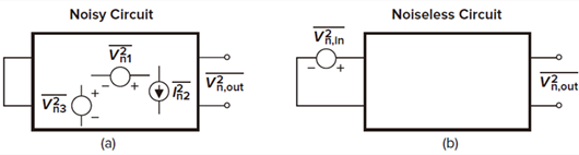
我們需要把電路中的各個噪聲源都折算到輸入端,如下圖所示,在輸入端用一個信號源代表電路中所有噪聲源的影響,這樣我們就能夠用輸入端的噪聲情況來比較不同電路的噪聲性能。同樣,不同電路的輸出噪聲也能夠直接用輸入噪聲源和增益算出來,一舉兩得。

但是要注意的是,不能僅僅只用一個等效噪聲電壓源或者一個等效噪聲電流源來表示電路的噪聲性能,而要兩個一起用。
這是因為大部分電路都有一定的輸入阻抗,如果電路的輸入阻抗有限,僅僅用一個電壓源模擬輸入參考噪聲,意味著當信號源阻抗變大時輸出噪聲趨于零,這個是不對的。因此,總的來說,用等效輸入噪聲電流源和電壓源一起表示,就能夠很好的表示噪聲了。

需要注意的是,輸入參考噪聲是一個虛構的量,它并不能夠在輸入端測量到,雖然它與實際噪聲在數學上等價,但是實際的電路噪聲源是分散在各個電路間的,并不能看作只存在于輸入端。
〈烜芯微/XXW〉專業制造二極管,三極管,MOS管,橋堆等,20年,工廠直銷省20%,上萬家電路電器生產企業選用,專業的工程師幫您穩定好每一批產品,如果您有遇到什么需要幫助解決的,可以直接聯系下方的聯系號碼或加QQ/微信,由我們的銷售經理給您精準的報價以及產品介紹
聯系號碼:18923864027(同微信)
QQ:709211280