積分運算電路
1.一般的積分運算電路
反相積分運算電路是常用的積分運算電路。如下圖所示。

電路分析:輸入電阻為R,放大倍數取決于R、C的大小。為保證集成運放輸入級差分放大電路的對稱性,電阻R′應等于R的阻值。積分電路常用于波形轉換,如將矩形波變三角波。對正弦波積分可以實現相移。
2.穩定的積分運算電路
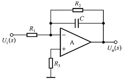
上述的分析是基于通頻帶內,如果頻率趨于0,電容容抗無窮大,反饋電路近似為開路。反饋電路開路就會導致電壓放大倍數無窮大,集成運放電壓失調。為了避免低頻反饋電阻無窮大,一般會并聯上一個電阻。

一般取R2>10R1,可見R2也是一個大電阻,但是遠比低頻電容容抗小。通頻帶中R2幾乎不分流,所以電壓增益不會減小太多。分析方式與一般的積分運算電路相同。
微分運算電路
1.一般的微分運算電路
反相微分運算電路是常用的微分運算電路,如下圖所示。

穩定的微分運算電路
上面的微分運算電路存在不少問題,實際運用中會發生阻塞和自激振蕩。
電容電壓不會躍變,當輸入發生躍變時,電容起不到緩沖作用,躍變電壓直接輸入到集成運放,導致集成運放中部分三極管進入飽和區或截止區,運放失去放大功能,即出現阻塞。
集成運放輸入級存在著分布電容和其他電容,這些電容是導致電路自激振蕩的原因之一。一般集成運放都會帶有補償電容防止自激振蕩,但是微分運算電路在輸入級放置電容就很容易發生自激振蕩。
一般采用下圖電路來解決阻塞和自激振蕩。

如圖所示在輸入級放置一個小電阻可以防止阻塞,當有較大的脈沖時,電阻可以起到緩沖作用。在反饋通路并聯一個小電容作為補償電容可以有效防止自激振蕩。補償電容選取一般3-10pF。
當反饋通路并聯上一個電容后看上去有點像積分電路,那么如何區分積分還是微分電路呢?可以通過判斷電容大小,微分電路輸入端的電容遠大于反饋通路的電容。
〈烜芯微/XXW〉專業制造二極管,三極管,MOS管,橋堆等,20年,工廠直銷省20%,上萬家電路電器生產企業選用,專業的工程師幫您穩定好每一批產品,如果您有遇到什么需要幫助解決的,可以直接聯系下方的聯系號碼或加QQ/微信,由我們的銷售經理給您精準的報價以及產品介紹
聯系號碼:18923864027(同微信)
QQ:709211280