TTL門電路
TTL是一種集成電路,通過使用雙極性晶體管組合來做到具有驅動能力的邏輯輸出。
TTL門電路是指使用晶體管-晶體管邏輯(Transistor-Transistor Logic)技術構成的數字電路。
TTL門電路由多個輸入端和一個輸出端組成。當輸入端接收到電信號時,它會根據某種邏輯運算生成相應的輸出信號。
TLL門電路具有高速度和低延遲、高噪聲抑制、高輸入阻抗、無偏置電源等特點,在數字系統中應用廣泛。
TTL門電路原理
TTL門電路由晶體管、電阻、二極管等元件組成。其中,基極通過電阻連接到正極電源,而發射極則通過負載電阻連接到地線上。
在TTL門電路中,當輸入端接收到電信號時,會使基極電壓發生變化,從而使晶體管進入飽和或截止狀態。當晶體管處于飽和狀態時,其輸出為低電平;當晶體管處于截止狀態時,輸出為高電平。通過多個晶體管的組合,可以實現各種邏輯運算。
TTL門電路分很多種,比如說非門、與非門、或非門、與或非門以及OC輸出的與非門。雖然種類多,但是基本的工作原理都是類似的。
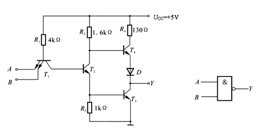
TTL與非門電路結構
典型的TTL與非門電路結構如圖所示。該電路由輸入級、倒相級、輸出級三部分組成。


輸入級由多發射極三極管T1和電阻R1構成。可以把T1的集電結看成一個二極管,而把發射結看成與前者背靠背的兩個二極管。這樣,T1的作用和二極管與門的作用完全相同。
倒相級由三極管T2和電阻R2、R3構成。通過T2的集電極和發射極,提供兩個相位相反的信號,以滿足輸出級互補工作的要求。
輸出級是由三極管T3、T4,二極管D和電阻R4構成的“推拉式”電路。當T3導通時,T4和D截止;反之T3截止時,T4和D導通。倒相級和輸出級的作用等效于邏輯非的功能。
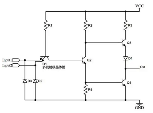
下文以常用的與非門電路為例對其工作原理進行介紹。


從圖中可以看出非門電路是由Q1輸入級、Q2中間級以及Q3、Q4輸出級組成。
①輸入級:Q1從結構上把它看成由二極管構成的,兩個二極管的P結背靠背,N結分別連接輸入和Q2的基極。
②中間級:由三極管Q2和電阻R2、R4組成。在電路的開通過程中利用Q2的放大作用,為輸出管Q3和Q4提供較大的基極電流,加速了輸出管的導通。所以,中間級的作用是提高輸出管的開通速度,改善電路的性能。
③輸出級:由三極管Q3、Q4、二極管D1和電阻R3組成。從圖中可以看出,輸出級由三極管Q4實現邏輯非的運算。但在輸出級電路中用三極管Q3、二極管D1和R3組成的有源負載來使輸出級具有較強的負載能力。其中D1可以起到三極管be反向擊穿的保護作用。
工作原理:
①當輸入端Input為邏輯低電平時,電流流經R1至Input,Q1晶體管導通,此時Vb(Q2)的電壓小于Vbe導通電壓0.7V,Q2晶體管截止。此時由于R2與R4的存在,使Q3導通、Q4截止,在Out上輸出高電平。由圖中輸出結構可知,此時輸出高電平電壓將為:Vout = Vcc - Vce - VD1 ≈ Vcc - 1V
②當輸入端Input為邏輯高電平時,Q1晶體管截止,此時電流流經R1和Q1的PN結,流向Q2的基極,Q2晶體管導通。此時Q4導通,Q3的基極電壓約為1V,而Q3的導通電壓需要Vb3約為1.7V,Q3將不導通,則在Out上輸出低電平。由圖中輸出結構可知,此時輸出低電平電壓將為:0.4V。
〈烜芯微/XXW〉專業制造二極管,三極管,MOS管,橋堆等,20年,工廠直銷省20%,上萬家電路電器生產企業選用,專業的工程師幫您穩定好每一批產品,如果您有遇到什么需要幫助解決的,可以直接聯系下方的聯系號碼或加QQ/微信,由我們的銷售經理給您精準的報價以及產品介紹
聯系號碼:18923864027(同微信)
QQ:709211280