反相器之所以叫反相器,是因為輸出和輸入信號的相位相反,而跟隨器的相位相同。
反相器是可以將輸入信號的相位反轉180度,這種電路應用在模擬電路,比如說音頻放大,時鐘振蕩器等。在電子線路設計中,經常要用到反相器。CMOS反相器電路由兩個增強型MOS場效應管組成。典型TTL與非門電路電路由輸入級、中間級、輸出級組成。
反相器符號


反相器真值表


反相器電路原理圖


反相器的種類
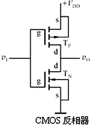
CMOS反相器
CMOS反相器電路由兩個增強型MOS場效應管組成,其中V1為NMOS管,稱驅動管,V2為PMOS管,稱負載管。 NMOS管的柵源開啟電壓UTN為正值,PMOS管的柵源開啟電壓是負值,其數值范圍在2~5V之間。為了使電路能正常工作,要求電源電壓UDD>(UTN+|UTP|)。UDD可在3~18V之間工作,其適用范圍較寬。工作原理:當UI=UIL=0V時,UGS1=0,因此V1管截止,而此時|UGS2|>|UTP|,所以V2導通,且導通內阻很低,所以UO=UOH≈UDD, 即輸出為高電平。當UI=UIH=UDD時,UGS1=UDD>UTN,V1導通,而UGS2=0<|UTP|,因此V2截止。此時UO=UOL≈0,即輸出為低電平。 可見,CMOS反相器實現了邏輯非的功能。CMOS反相器的主要特性:在AB段由于V1截止,阻抗很高,所以流過V1和V2的漏電流幾乎為0。 在CD段V2截止,阻抗很高,所以流過V1和V2的漏電流也幾乎為0。只有在BC段,V1和V2均導通時才有電流iD流過V1和V2,并且在UI=1/2UDD附近,iD最大。




TTL非門
典型TTL與非門電路電路組成:輸入級——晶體管T1和電阻Rb1構成。中間級——晶體管T2和電阻Rc2、Re2構成。輸出級——晶體管T3、T4、D和電阻Rc4構成,推拉式結構,在正常工作時,T4和T3總是一個截止,另一個飽和。當輸入Vi=3.6V(高電平)Vb1=3.6+0.7=4.3V 足以使T1(bc結)T2(be結)T3 (be結)同時導通, 一但導通Vb1=0.7+0.7+0.7=2.1V(固定值),此時V1發射結必截止(倒置放大狀態)。Vc2=Vces+Vbe2=0.2+0.7=0.9V 不足以T3和D同時導通,T4和D均截止。V0=0.2V (低電平)當輸入Vi=0.2V(低電平)Vb1=0.2+0.7=0.9V不 足以使T1(bc結)T2(be結)T3 (be結)同時導通,T2 T3均截止, 同時Vcc---Rc2----T4---D---負載形成通路,T4和D均導通。V0=Vcc-VRc2(可略)-Vbe4-VD=5-0.7-0.7 =3.6(高電平)結論:輸入高,輸出低;輸入低,輸出高(非邏輯)。TTL優勢:工作速度快 、帶負載能力強 、傳輸特性好。TTL反相器的電壓傳輸特性:電壓傳輸特性是指輸出電壓跟隨輸入電壓變化的關系曲線,即UO=f(uI)函數關系。其曲線大致分為四段:AB段(截止區):當UI≤0.6V時,T1工作在深飽和狀態,Uces1<0.1V,Vbe2<0.7V,故T2、 T3截止,D、T4均導通, 輸出高電平UOH=3.6V。TTL反相器的電壓傳輸特性 BC段(線性區):當0.6V≤UI<1.3V時,0.7V≤Vb2<1.4V,T2開始導通,T3尚未導通。此時T2處于放大狀態,其集電極電壓Vc2隨著UI的增加而下降,使輸出電壓UO也下降 。CD段(轉折區):1.3V≤UI<1.4V,當UI略大于1.3V時, T2 T3均導通, T3進入飽和狀態,輸出電壓UO迅速下降。DE段(飽和區):當UI≥1.4V時,隨著UI增加 T1進入倒置工作狀態,D截止,T4截止,T2、T3飽和,因而輸出低電平UOL=0.3V。
〈烜芯微/XXW〉專業制造二極管,三極管,MOS管,橋堆等,20年,工廠直銷省20%,上萬家電路電器生產企業選用,專業的工程師幫您穩定好每一批產品,如果您有遇到什么需要幫助解決的,可以直接聯系下方的聯系號碼或加QQ/微信,由我們的銷售經理給您精準的報價以及產品介紹
聯系號碼:18923864027(同微信)
QQ:709211280