LM311電壓比較器電路
lm311是具有八個引腳的另一個比較器IC。它具有單個比較器。ic的響應時間最短為0.200納秒,典型電壓增益為200。下圖是lm311比較器的內部電路圖。


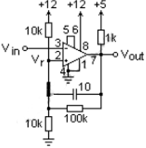
LM311比較器電路圖
LM311比較器電路及其引腳編號如下原理圖所示。該晶體管的接地位于引腳 1 處,集電極開路輸出位于引腳 7 處。圖中顯示,使用 1k 電阻器將邏輯電壓上拉至 +5,這是典型情況。 LM311 輸出可吸收 8 mA 電流。比較器的輸出本質上是二進制的,高電平或低電平。引腳 8 為 V+,引腳 4 為 V-。總電源電壓最高可達 36V。如果比較器閾值比地高一伏左右,則 V- 可以簡單地接地,如下所示。


LM311 的電源電壓不必與邏輯電源相同。如果不用作平衡調節(如運算放大器的調零),則引腳 5 和 6 應短接在一起。引腳 3 是反相輸入,引腳 2 是同相輸入。通常通過分壓器在引腳 2 處建立參考電壓 Vr,如圖所示。
參考電壓(閾值)約為 6 V。正反饋由輸出到引腳 2 的 100k 電阻提供。當輸出變低時,閾值會稍微降低,而當輸出變高時,閾值會稍微升高。它們為比較器提供“快速”動作,因為這些變化與產生它們的引腳 3 處的電壓變化方向相反。閾值的分數變化大致為并聯分壓電阻器的值除以反饋電阻器,此處為 5/100 或 0.05。這會在 5V 電源下產生 0.25V 的差異,稱為遲滯。
輸出從高電平變低的閾值比從低電平返回高電平的閾值高 0.25V。為了給遲滯帶來一點額外的影響,反饋電阻上有一個 10 pF 的小型加速電容器。這些規定的改變將是迅速而明確的。測試電路,并注意其工作原理。當低電平時,輸出可以點亮 LED,從而節省一個 DMM。
比較器一般用于模數轉換、電壓監測、波形分析等應用領域。在模數轉換中,比較器可以將模擬信號轉換為數字信號,例如在ADC(模數轉換器)中應用比較器進行轉換。在電壓監測中,比較器可以監測電壓是否超過預設的閾值,例如過壓保護電路中的比較器可以監測電源電壓是否超過安全范圍。在波形分析中,比較器可以將波形與預設的閾值進行比較,例如在示波器中應用比較器進行波形分析。
此外,比較器也可以用于實現邏輯運算和數字信號處理等應用領域。例如在數字信號處理中,比較器可以將數字信號進行濾波、頻譜分析等處理,從而提取出有用的信息。
〈烜芯微/XXW〉專業制造二極管,三極管,MOS管,橋堆等,20年,工廠直銷省20%,上萬家電路電器生產企業選用,專業的工程師幫您穩定好每一批產品,如果您有遇到什么需要幫助解決的,可以直接聯系下方的聯系號碼或加QQ/微信,由我們的銷售經理給您精準的報價以及產品介紹
聯系號碼:18923864027(同微信)
QQ:709211280