ams1117-5.0參數引腳圖
輸入電壓 最大:18V
輸出電流 最大:1A
輸出電壓 : 5.0V
功耗 :5W
輸入電壓 最小:6.2V
壓差:1.3V@(800mA)
輸出電流:800mA
電源紋波抑制比(PSRR):60dB@(120Hz)
工作溫度范圍: -20°C to +125°C(也有0°C to +125°C)
AMS1117系列穩壓器有兩個版本:固定輸出版本和可調版本,固定輸出電壓為1.5V、1.8V、2.5V、2.85V、3.0V、3.3V、5.0V,具有1%的精度;固定輸出電壓為1.2V的精度為2%。
AMS1117引腳圖


ams1117-5.0原理圖


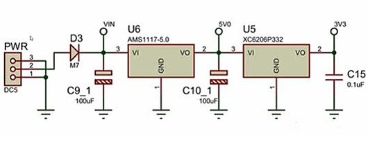
AMS1117-5.0是一種線性穩壓器,其工作原理是將輸入電壓穩定在5V輸出。因此,將12V的輸入電壓通過AMS1117-5.0可以得到穩定的5V輸出電壓。
ams1117電路圖
AMS1117降壓電路圖如下圖:


AMS1117芯片為正向低壓差穩壓器,內部集成過熱保護和限流電路,其固定輸出版本電壓可為1.5V、1.8V、2.5V、2.85V、3.0V、3.3V、5.0V,設計采用3.3V輸出即ASM1117-3.3芯片。
〈烜芯微/XXW〉專業制造二極管,三極管,MOS管,橋堆等,20年,工廠直銷省20%,上萬家電路電器生產企業選用,專業的工程師幫您穩定好每一批產品,如果您有遇到什么需要幫助解決的,可以直接聯系下方的聯系號碼或加QQ/微信,由我們的銷售經理給您精準的報價以及產品介紹
聯系號碼:18923864027(同微信)
QQ:709211280